LEMON Manuals: Even more car manuals for everyone: 1960-2025
Home >> GMC >> 2002 >> Jimmy 2D Utility, Part Time, Automatic >> Repair and Diagnosis >> External Pages >> Different car >> Section 1305 (Navigation Systems) >> Schematic and Routing Diagrams >> Navigation System Schematics (Navigation Radio - U1A and Remote CD Player)
April 5, 2026: LEMON Manuals is launched! Read the announcement.

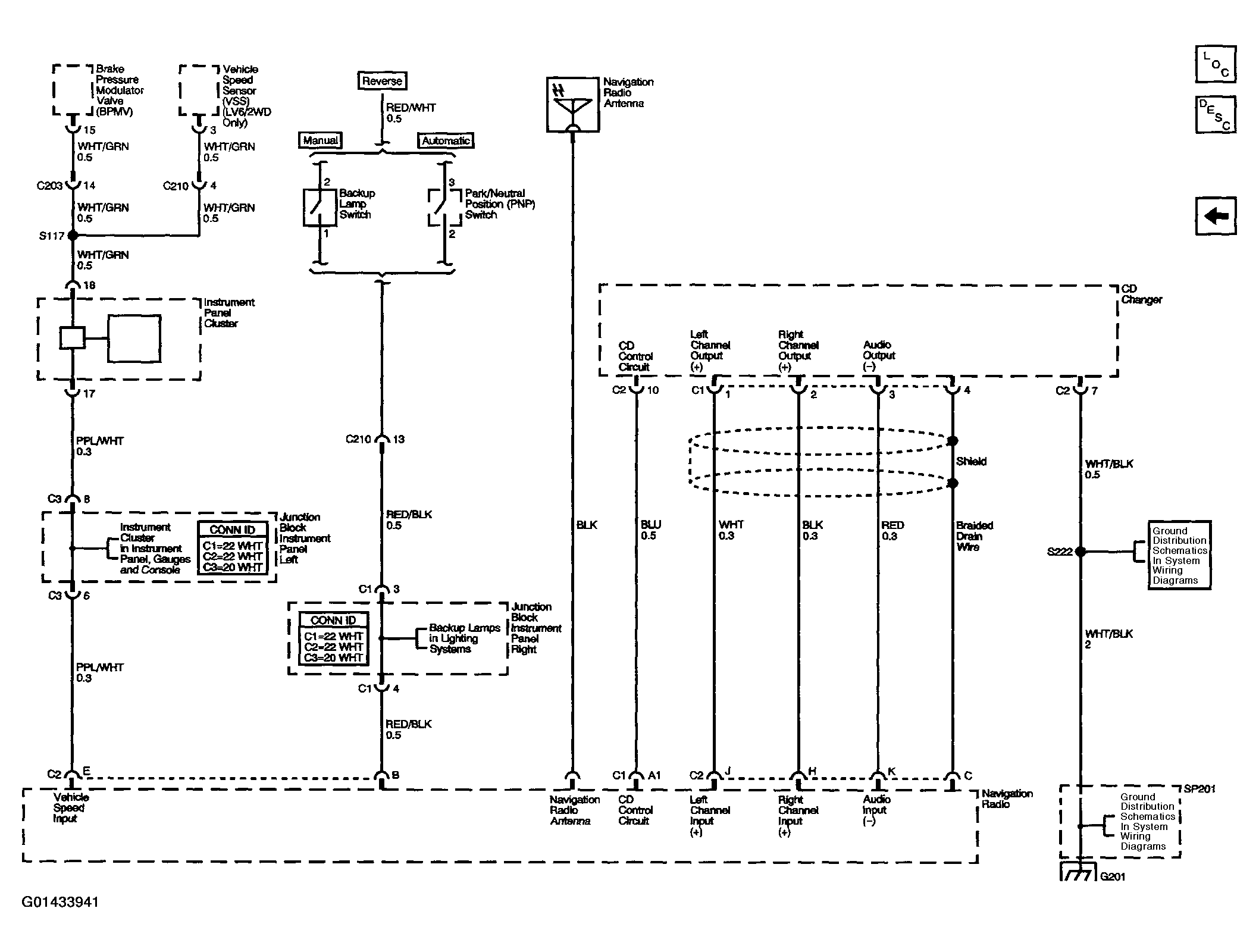
Navigation System Schematics (Navigation Radio - U1A and Remote CD Player)

WARNING: This page is about a different car, the 2003 Pontiac Vibe. However, it is still accessible from the selected car via links, so may be relevant.
Fig 1: Navigation System Schematic Diagram (Navigation Radio - U1A And Remote CD Player)
G01433941Courtesy of GENERAL MOTORS CORP.