LEMON Manuals: Even more car manuals for everyone: 1960-2025
Home >> GMC >> 2002 >> Jimmy 2D Utility, Part Time, Automatic >> Repair and Diagnosis >> External Pages >> Different car >> Section 1399 (Data Link Communication System) >> Schematic and Routing Diagrams >> Data Link Connector (DLC) Schematics
April 5, 2026: LEMON Manuals is launched! Read the announcement.

Data Link Connector (DLC) Schematics

WARNING: This page does not describe the selected car, but rather 6 other vehicles, including the 2004 Oldsmobile Bravada, 2004 GMC Envoy XUV, 2004 GMC Envoy XL, 2004 GMC Envoy, and 2004 Chevrolet TrailBlazer. However, it is still accessible from the selected car via links, so may be relevant.
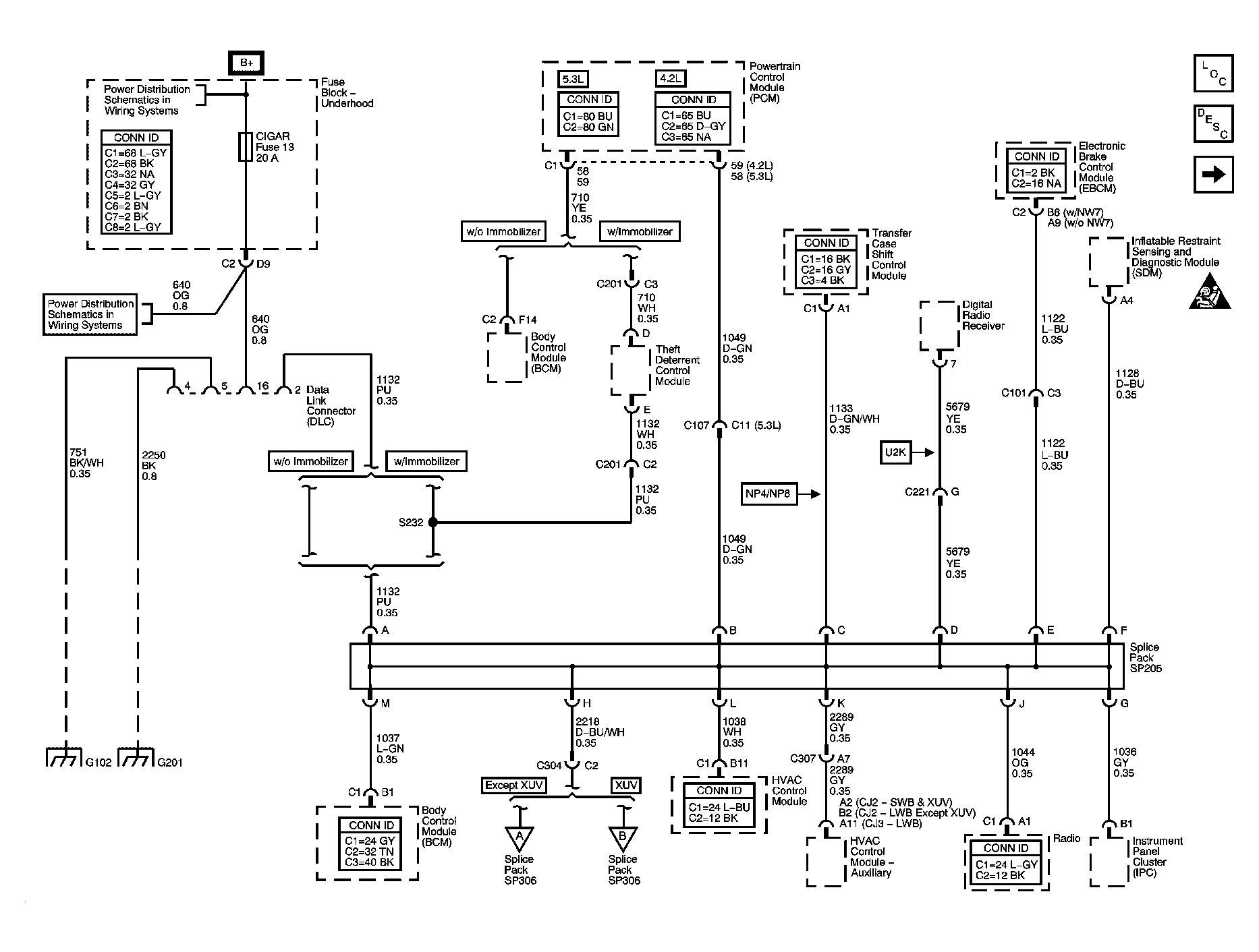
Fig 1: Power, Ground, Data Link Connector, and SP205 Schematic
GM1306438Courtesy of GENERAL MOTORS CORP.
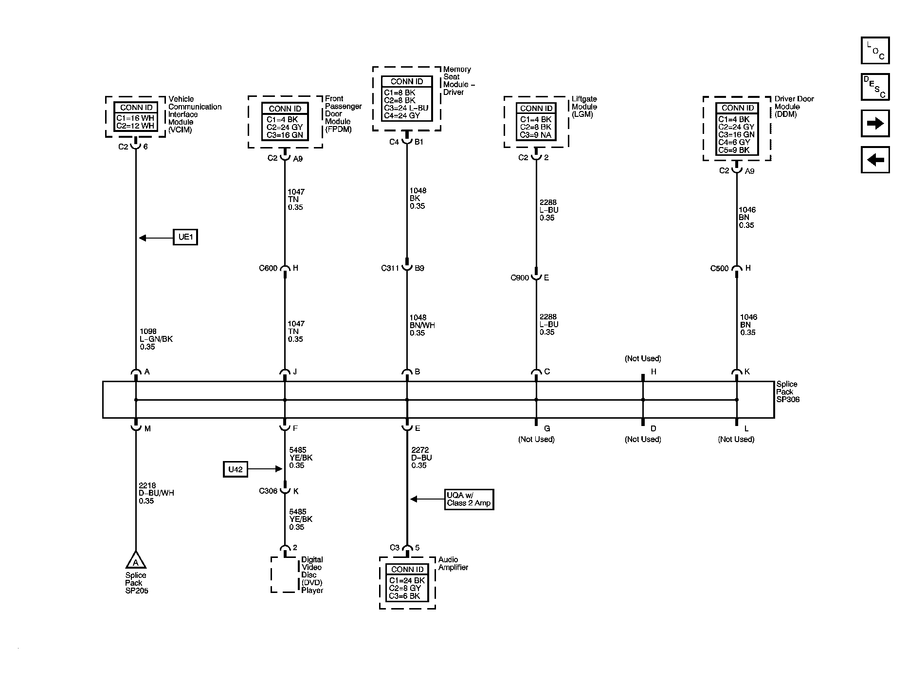
Fig 2: SP306 Schematic - Except XUV
GM1306440Courtesy of GENERAL MOTORS CORP.
Fig 3: SP306 Schematic - XUV
GM1306441Courtesy of GENERAL MOTORS CORP.