LEMON Manuals: Even more car manuals for everyone: 1960-2025
Home >> GMC >> 2002 >> Jimmy 2D Utility, Part Time, Automatic >> Repair and Diagnosis >> External Pages >> Different car >> Section 1580 (Cellular Communication System) >> Schematic and Routing Diagrams >> OnStar Schematics
April 5, 2026: LEMON Manuals is launched! Read the announcement.

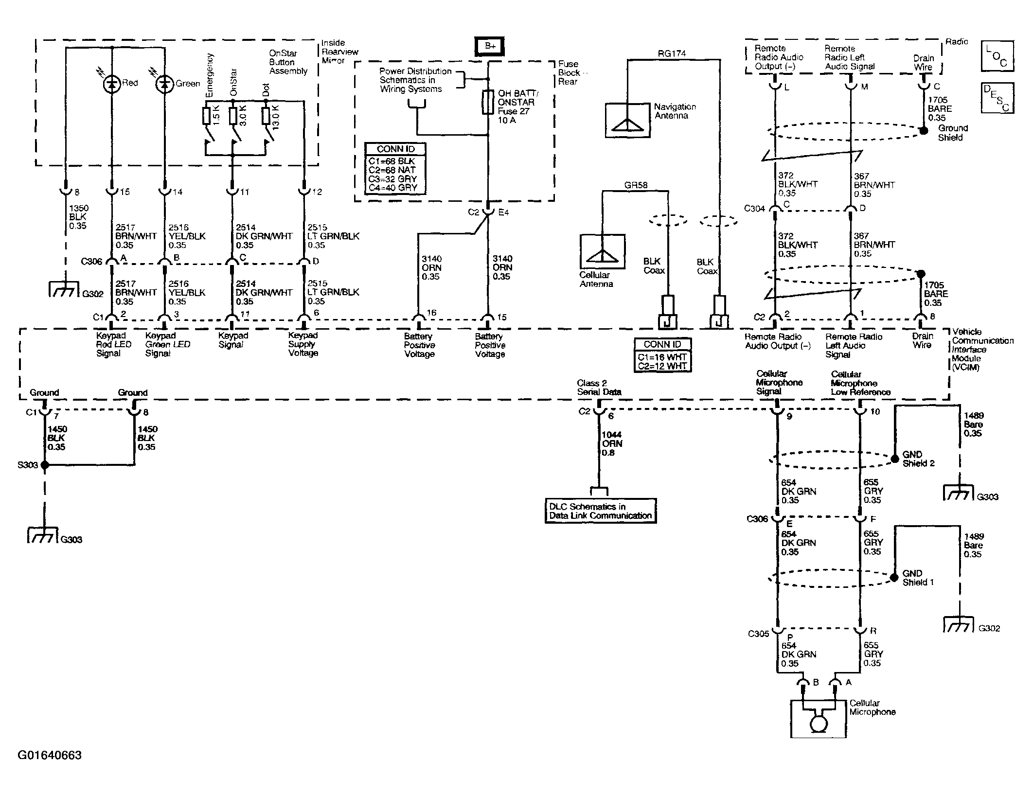
OnStar Schematics

WARNING: This page is about a different car, the 2003 Oldsmobile Bravada, 2003 GMC Envoy XL, 2003 GMC Envoy, and 2003 Chevrolet TrailBlazer. However, it is still accessible from the selected car via links, so may be relevant.
Fig 1: OnStar Schematics Diagram
G01640663Courtesy of GENERAL MOTORS CORP.