LEMON Manuals: Even more car manuals for everyone: 1960-2025
Home >> GMC >> 2002 >> Jimmy 2D Utility, Part Time, Automatic >> Repair and Diagnosis >> External Pages >> Different car >> Section 1632 (Data Link Communication System) >> Schematic and Routing Diagrams >> Data Link Connector (DLC) Schematics
April 5, 2026: LEMON Manuals is launched! Read the announcement.

Data Link Connector (DLC) Schematics

WARNING: This page is about a different car, the 2003 GMC Sierra, 2003 GMC Cab & Chassis Sierra, 2003 Chevrolet Silverado, and 2003 Chevrolet Cab & Chassis Silverado. However, it is still accessible from the selected car via links, so may be relevant.
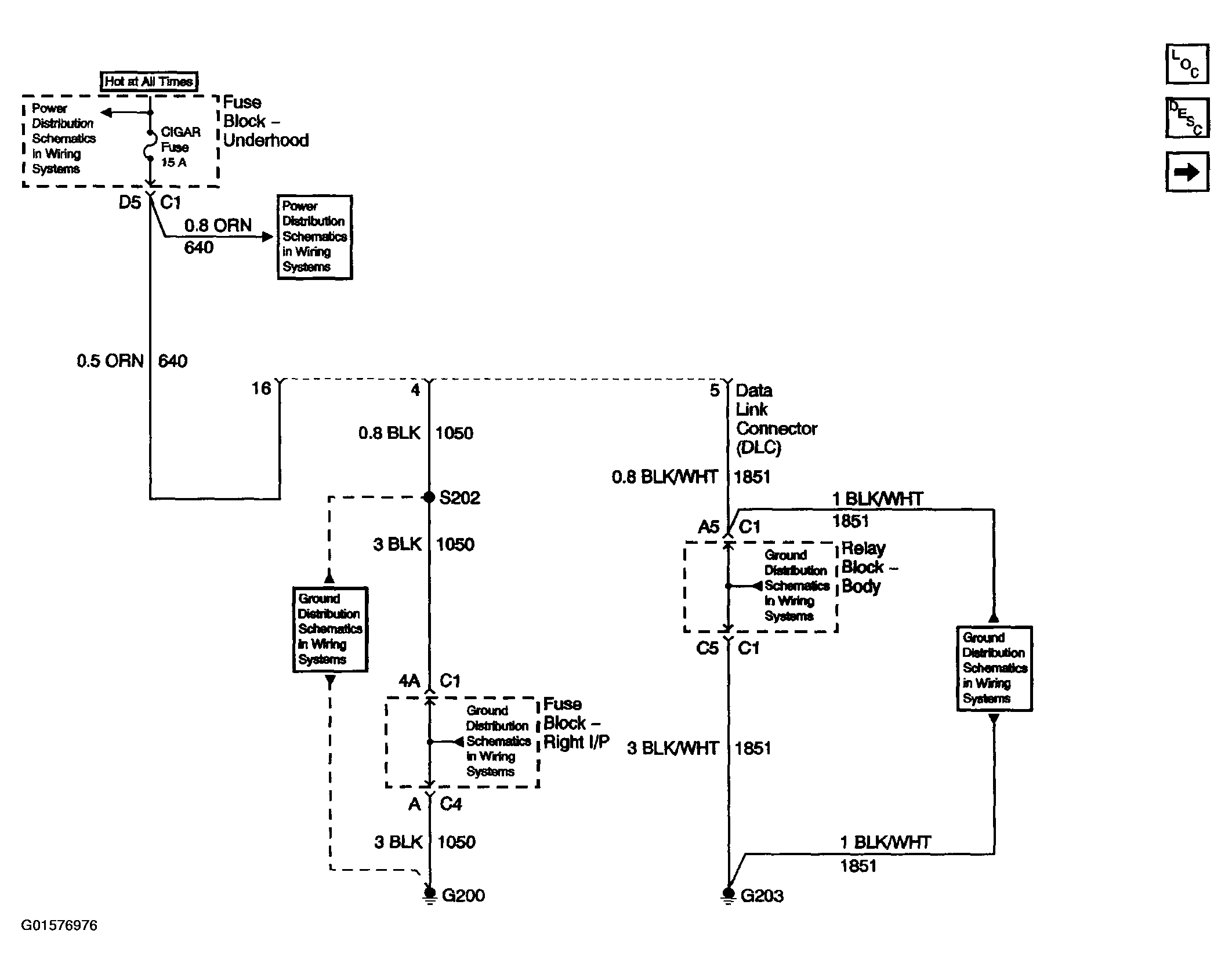
Fig 1: Data Link Connector (DLC) Schematics (Power & Ground)
G01576976Courtesy of GENERAL MOTORS CORP.
Fig 2: Data Link Connector (DLC) Schematics (SP205-1 Of 2)
G01576977Courtesy of GENERAL MOTORS CORP.
Fig 3: Data Link Connector (DLC) Schematics (SP205-2 Of 2)
G01576978Courtesy of GENERAL MOTORS CORP.
Fig 4: Data Link Connector (DLC) Schematics (SP207-Base & Uplevel)
G01576979Courtesy of GENERAL MOTORS CORP.
Fig 5: Data Link Connector (DLC) Schematics (SP207-Luxury)
G01576980Courtesy of GENERAL MOTORS CORP.