LEMON Manuals: Even more car manuals for everyone: 1960-2025
Home >> GMC >> 2002 >> Jimmy 2D Utility, Part Time, Standard >> Repair and Diagnosis >> External Pages >> Different car >> Section 951 (Data Link Communication System) >> Schematic and Routing Diagrams >> Data Link Connector (DLC) Schematics
April 5, 2026: LEMON Manuals is launched! Read the announcement.

Data Link Connector (DLC) Schematics

WARNING: This page is about a different car, the 2004 GMC Sierra, 2004 GMC Cab & Chassis Sierra, 2004 Chevrolet Silverado, and 2004 Chevrolet Cab & Chassis Silverado. However, it is still accessible from the selected car via links, so may be relevant.
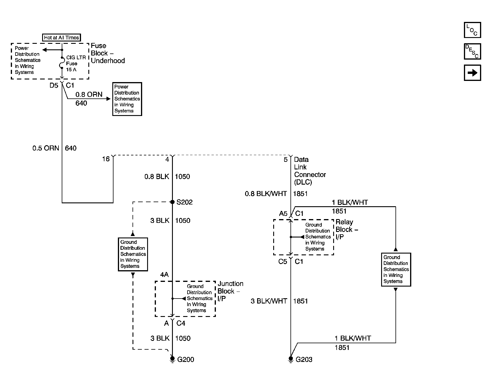
Fig 1: Data Link Connector Power And Ground Schematic
GM1226188Courtesy of GENERAL MOTORS CORP.
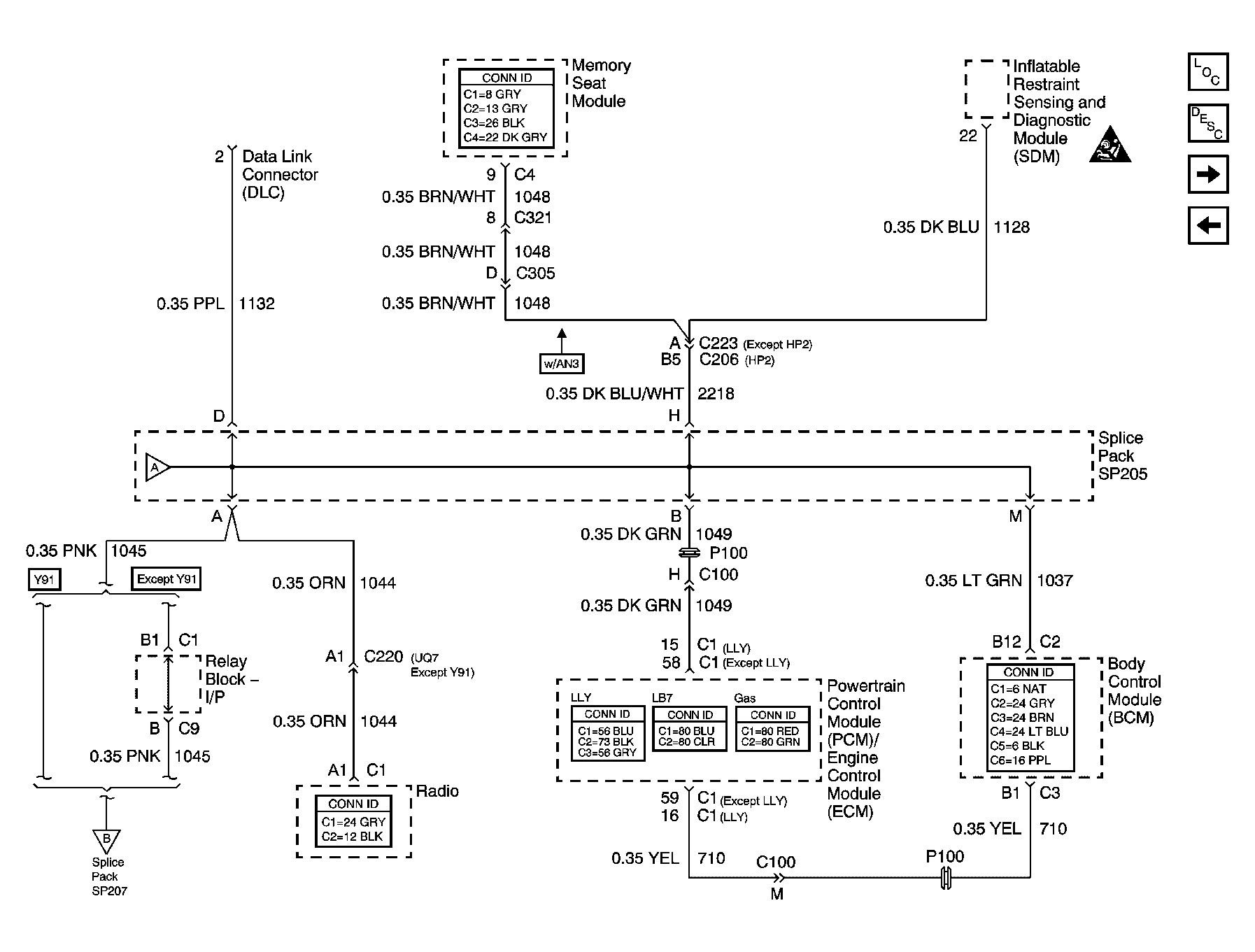
Fig 2: Splice Pack (SP) 205 Schematic - 1 of 2
GM1226191Courtesy of GENERAL MOTORS CORP.
Fig 3: Splice Pack (SP) 205 Schematic - 2 of 2
GM1226192Courtesy of GENERAL MOTORS CORP.
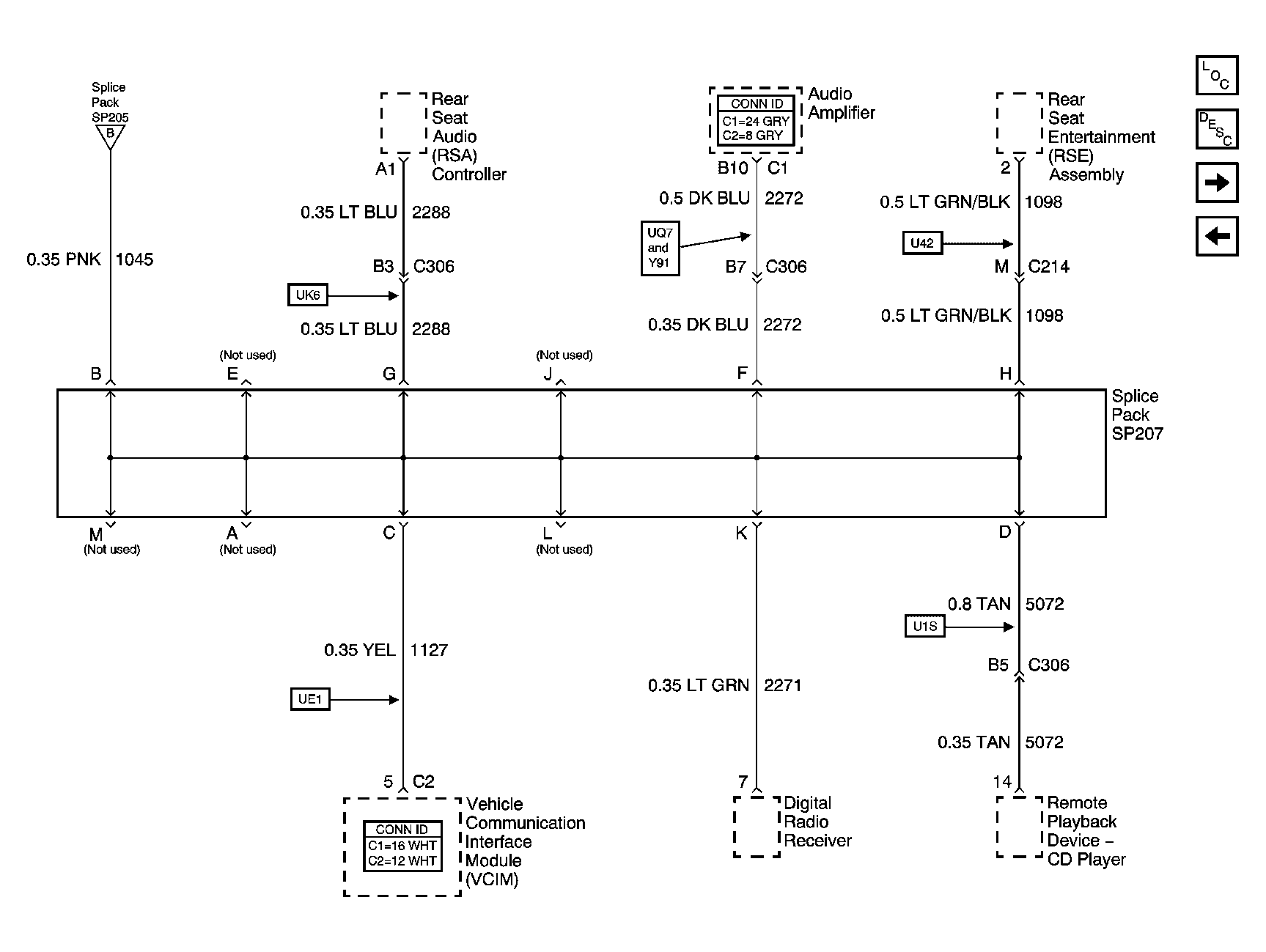
Fig 4: Splice Pack (SP) 207 Schematic
GM1226193Courtesy of GENERAL MOTORS CORP.
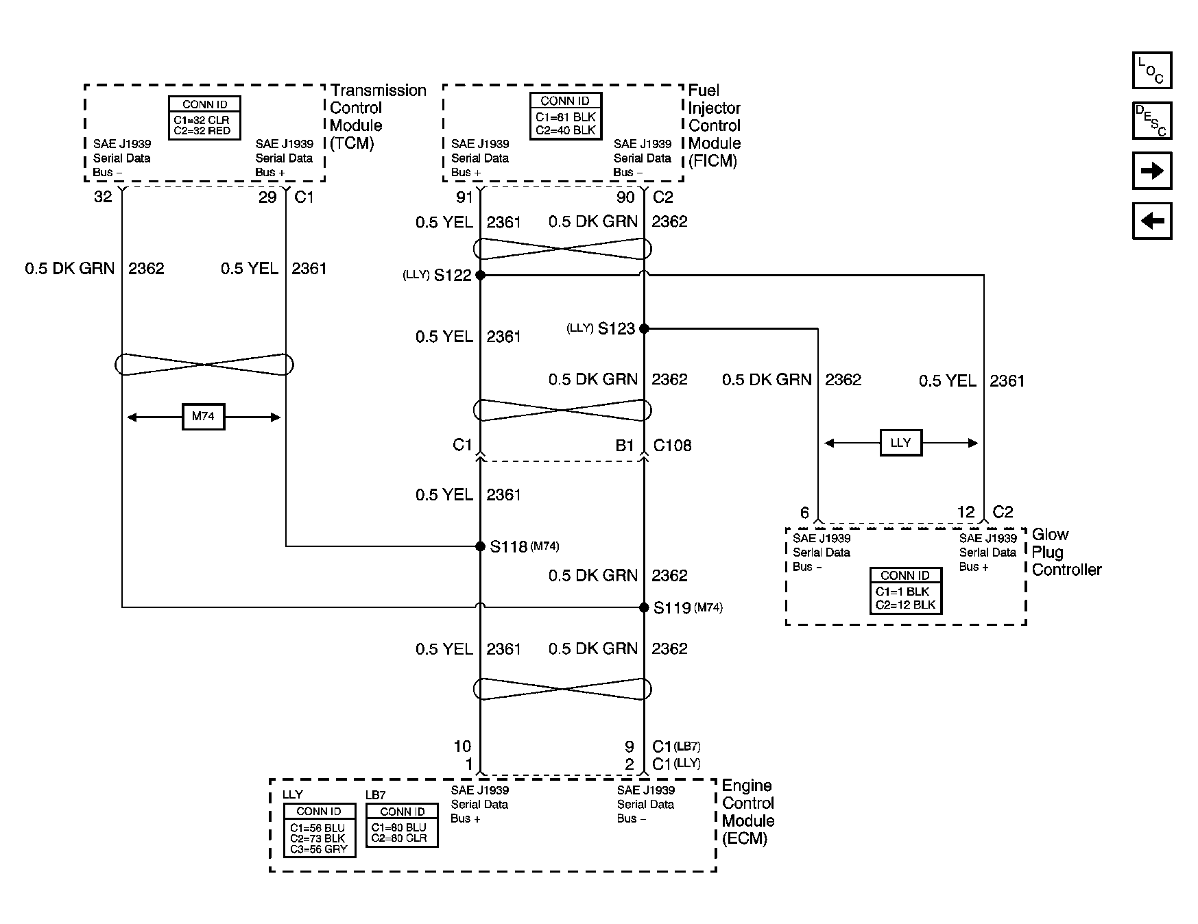
Fig 5: Controller Area Network (CAN) Schematic - Diesel
GM1364203Courtesy of GENERAL MOTORS CORP.
Fig 6: High Speed GMLAN Schematic - Hybrid Only
GM1376926Courtesy of GENERAL MOTORS CORP.