LEMON Manuals: Even more car manuals for everyone: 1960-2025
Home >> GMC >> 2003 >> Jimmy 2D Utility, Automatic, Automatic >> Repair and Diagnosis (Single Page) >> Transmission >> Transfer Case >> Transfer Case - NVG 236/246-NP8 (Two Speed Automatic) >> Schematic and Routing Diagrams >> Transfer Case Control Schematics (Power, Ground and Transfer Case Encoder Motor)
April 5, 2026: LEMON Manuals is launched! Read the announcement.

Transfer Case Control Schematics (Power, Ground and Transfer Case Encoder Motor)

Fig 1: Transfer Case Control Schematics (Power, Ground and Transfer Case Encoder Motor)
G01468312Courtesy of GENERAL MOTORS CORP.
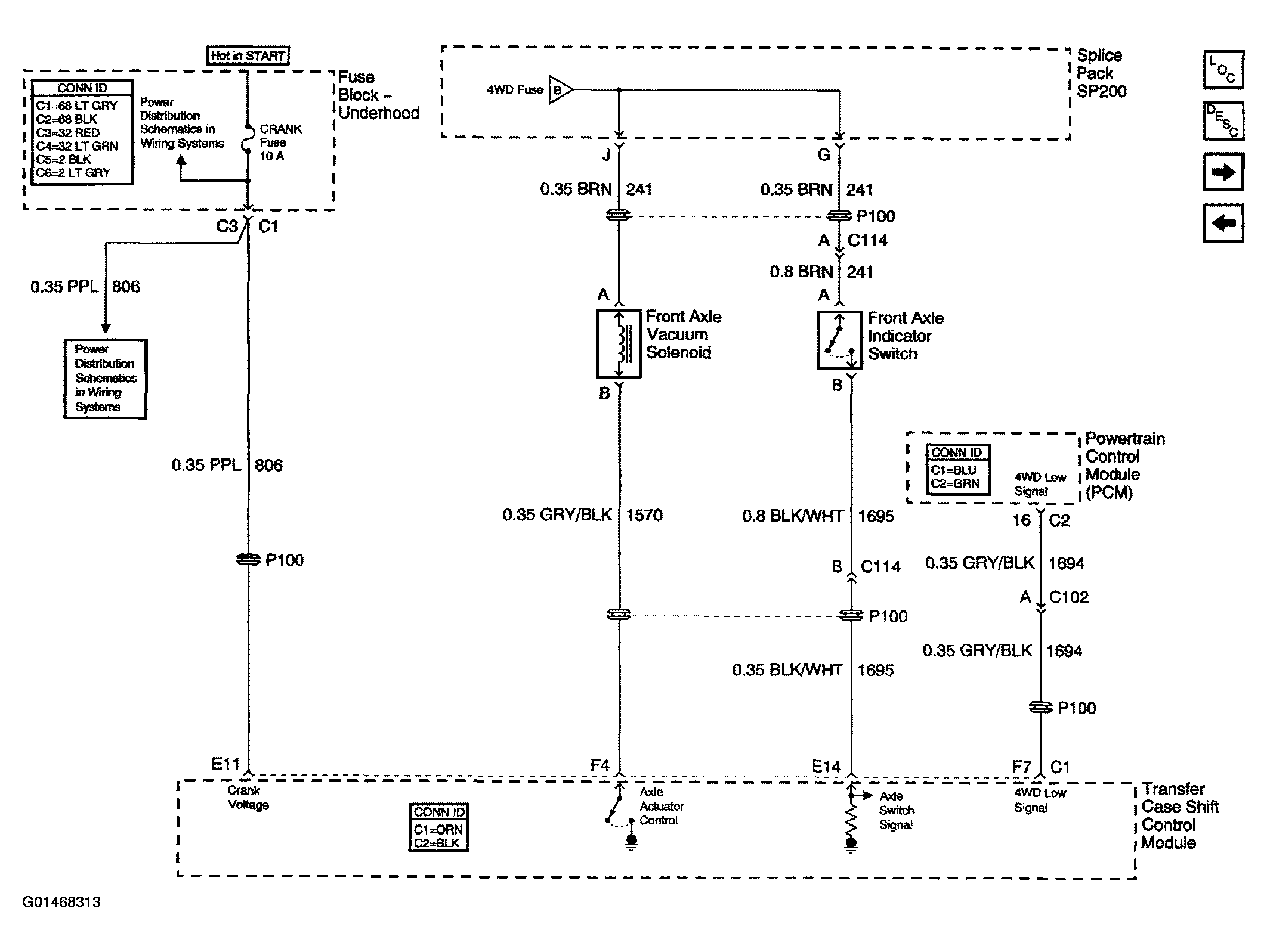
Fig 2: Transfer Case Control Schematics (CRANK Fuse, Front Axle Indicator Switch, and Front Axle Vacuum Solenoid)
G01468313Courtesy of GENERAL MOTORS CORP.
Fig 3: Transfer Case Control Schematics (ILLUM Fuse, Shift Control Switch and Body Control Module (BCM))
G01468314Courtesy of GENERAL MOTORS CORP.
Fig 4: Transfer Case Control Schematics (Transfer Case Encoder Motor and Shift Control Module)
G01468315Courtesy of GENERAL MOTORS CORP.
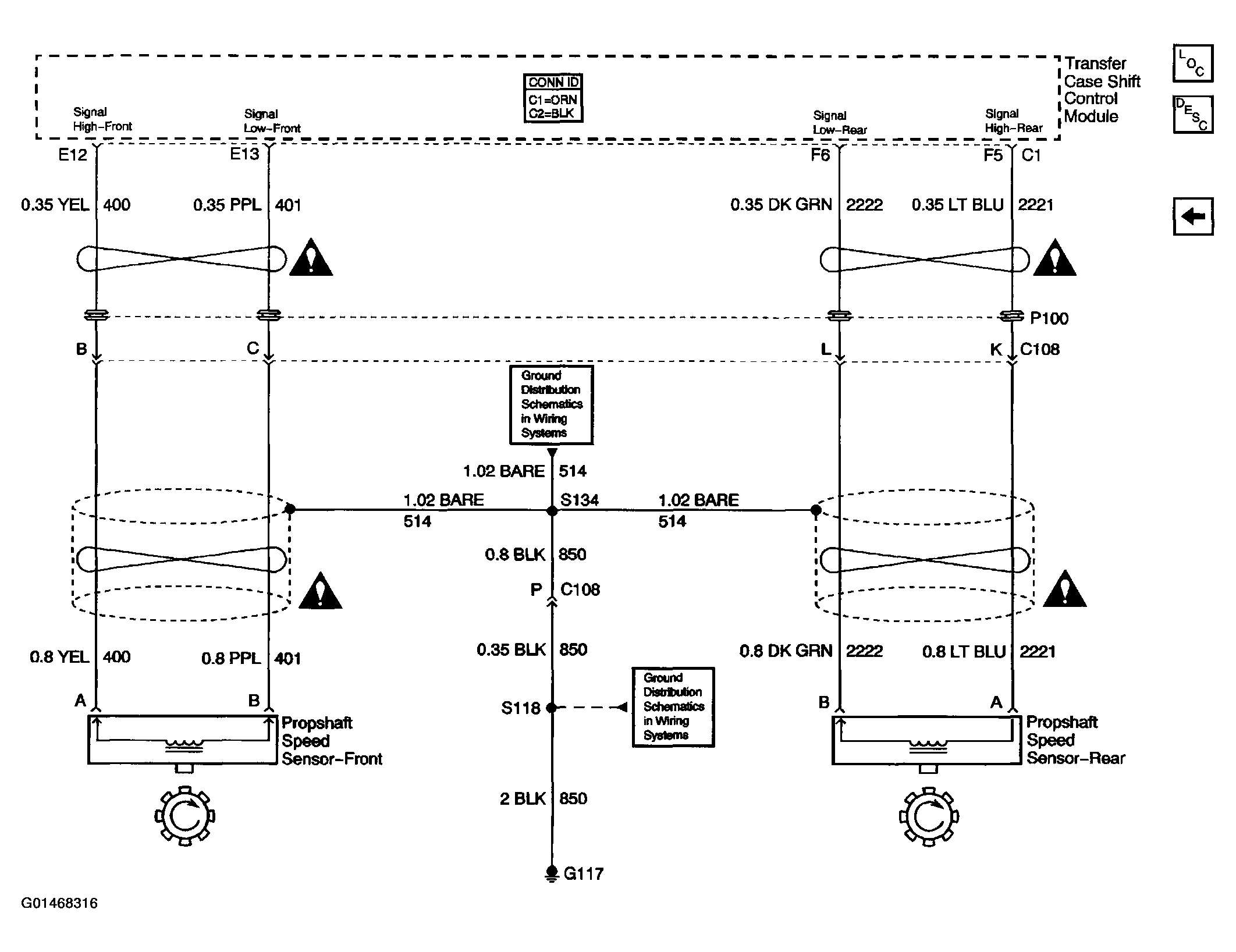
Fig 5: Transfer Case Control Schematics (Speed Sensors)
G01468316Courtesy of GENERAL MOTORS CORP.