LEMON Manuals: Even more car manuals for everyone: 1960-2025
Home >> GMC >> 2007 >> Acadia AWD V6-3.6L >> Repair and Diagnosis >> Body and Frame >> Frame >> Subframe >> Front Subframe >> Service and Repair >> Front Frame Replacement
April 5, 2026: LEMON Manuals is launched! Read the announcement.

Front Frame Replacement



Front Frame Replacement

Tools Required

J 39580 Engine Support Stand

Removal Procedure

1. Install the engine support fixture.
2. Raise and support the vehicle. Refer to Vehicle Lifting.
3. Remove the front tires and wheels.




4. Remove the left engine splash shield.
5. Remove the exhaust flexible pipe.
6. Remove the propeller shaft if the vehicle is equipped with all wheel drive.




7. Remove both lower ball joint retaining nuts.
8. Remove the lower ball joints from the steering knuckles.
9. Disconnect the stabilizer shaft links from the stabilizer shaft.
10. Remove the power steering gear heat shields.






Important: Whenever the steering gear is moved in relation to the body, disconnect the intermediate shaft from the steering gear stub shaft.

11. Disconnect the intermediate shaft from the steering gear stub shaft.
12. Remove the power steering gear bolts.
13. Remove the power steering gear from the frame.
14. Use mechanics wire secure the power steering gear to the exhaust manifold.




15. Remove the power steering cooler inlet pipe from the frame.




16. Remove the engine and transaxle mount lower nuts.
17. Lower the vehicle until the frame contacts the J 39580.




18. Remove the front crossmember brace bolts (3).

Important: When the frame insulator bolts are removed, always discard the bolts and replace with new bolts.

19. Remove the front frame to body bolts (2).
20. Remove the front crossmember brace (1).




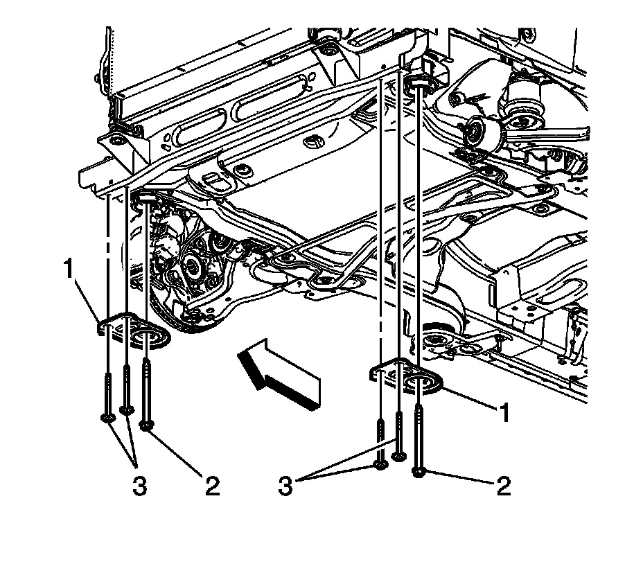
21. Remove the reinforcement bolts (2).
22. Remove the reinforcement studs (3).
23. Remove the frame to body bolts (4).
24. Remove the reinforcements (1).




25. Raise the vehicle in order to separate the frame from the vehicle.




26. Remove the frame brace bolts.
27. Remove the frame brace.




28. Remove the stabilizer shaft.
29. Remove the lower control arms.
30. Remove the frame insulators from the frame.

Installation Procedure

1. Install the frame insulators to the frame.




2. Install the lower control arms.
3. Install the stabilizer shaft.




4. Install the frame brace.

Notice: Refer to Fastener Notice.

5. Install the frame brace bolts.

Tighten the bolts to 60 N.m (44 lb ft).




6. Position the transaxle table with the frame under the vehicle.

Important: Ensure that the power steering cooler line does not become trapped by the engine mount during this step.

7. Lower the vehicle while aligning the powertrain mounts with the frame until the vehicle is close to the frame.

Important: Ensure that the alignment pins remain installed during the frame installation.

8. Inserting two 19 mm (0.75 in) diameter X 203 mm (8.0 in) long guide pins or drill bits into the frame rear alignment holes in order to align the frame.




9. Install the front crossmember brace (1).

Important: If the frame insulator bolt does not screw in smoothly, run a tap through the frame nut in the body in order to remove foreign material. Ensure the tap does not punch through the underbody.

Do not over tighten the insulator. Over tightening may collapse a spacer or strip a bolt.

10. Install the front frame to body bolts (2).

Tighten the bolts to 110 N.m (81 lb ft) plus 90 degrees.

11. Install the front crossmember brace bolts (3).

Tighten the bolt to 50 N.m (37 lb ft).




12. Install the reinforcements (1).
13. Install the rear frame to body bolts (4).

Tighten the bolts to 110 N.m (81 lb ft) plus 90 degrees.

14. Install the reinforcement bolts (2).

Tighten the bolt to 60 N.m (44 lb ft).

15. Install the reinforcement studs (3).

Tighten the stud to 60 N.m (44 lb ft).

16. Remove the alignment pins from the frame.




17. Install the engine and transaxle mount nuts.

Tighten the nuts to 75 N.m (55 lb ft).




18. Install the power steering cooler inlet pipe to the frame.
19. Install the power steering gear to the frame.
20. Install the power steering gear bolts.
21. Install the power steering gear heat shield.






Important: Whenever the steering gear is moved in relation to the body, disconnect the intermediate shaft from the steering gear stub shaft.

22. Disconnect the intermediate shaft from the steering gear stub shaft.
23. Connect the stabilizer shaft links to the stabilizer shaft.




24. Install the lower ball joints to the steering knuckles.
25. Install both lower ball joint retaining nuts.
26. Install the propeller shaft if the vehicle is equipped with all wheel drive.
27. Install the exhaust flexible pipe.




28. Install the left engine splash shield.
29. Install the front tires and wheels.
30. Lower the vehicle.
31. Remove the engine support fixture.
32. Inspect the front wheel alignment and adjust the toe angle if necessary.