LEMON Manuals: Even more car manuals for everyone: 1960-2025
Home >> GMC >> 2007 >> Acadia SLE, AWD >> Repair and Diagnosis >> External Pages >> Different car >> Section 224 (Antilock Brake System, Traction Control System & Stability Control System) >> Schematic and Routing Diagrams >> Antilock Brake System Schematics
April 5, 2026: LEMON Manuals is launched! Read the announcement.

Antilock Brake System Schematics

WARNING: This page is about a different car, the 2007 Cadillac SRX. However, it is still accessible from the selected car via links, so may be relevant.
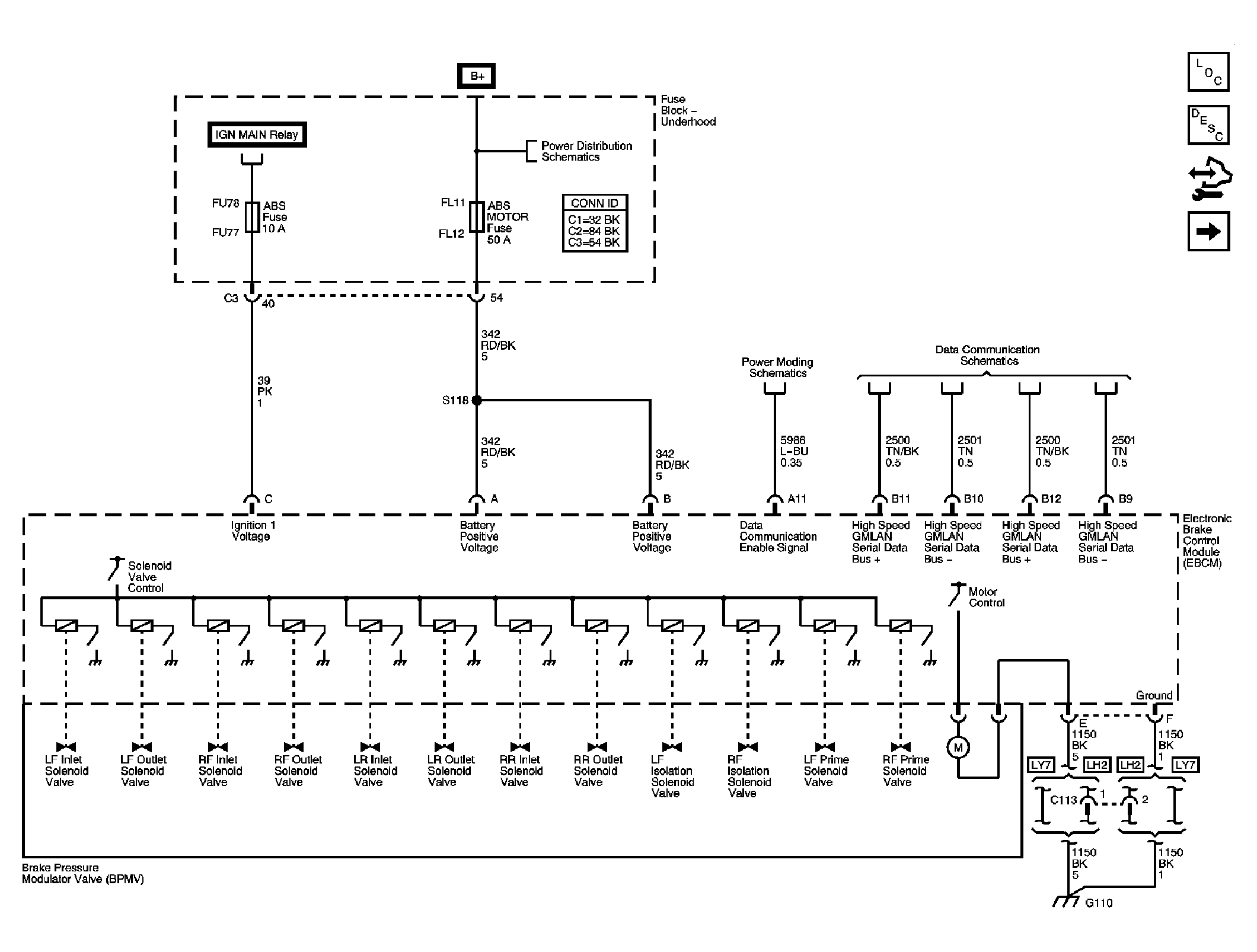
Fig 1: Power, Ground and Serial Data Schematic
GM1749086Courtesy of GENERAL MOTORS CORP.
Fig 2: Wheel Speed Sensors Schematic
GM1749088Courtesy of GENERAL MOTORS CORP.
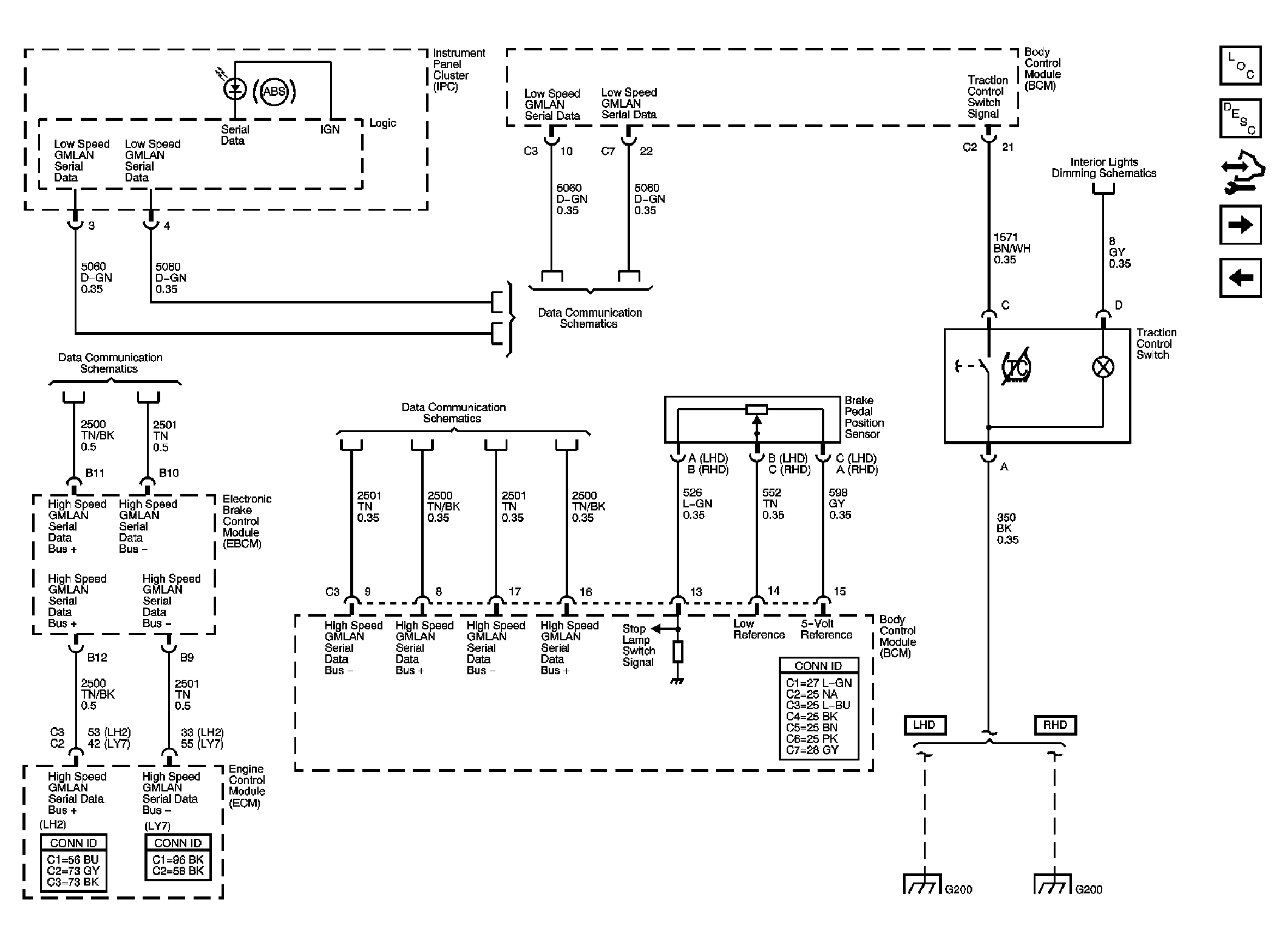
Fig 3: Indicator, Traction Control, and Brake Pedal Position Schematic
GM1749090Courtesy of GENERAL MOTORS CORP.
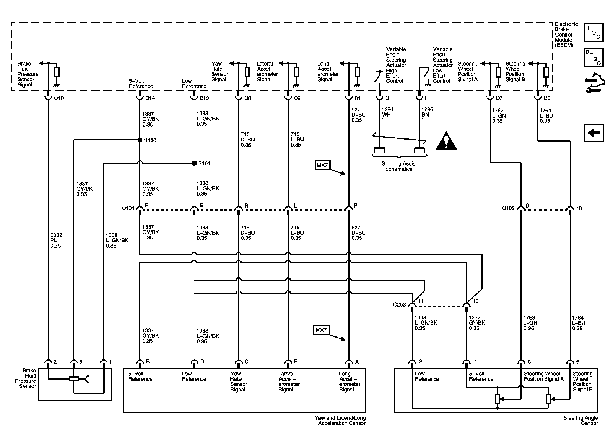
Fig 4: Stability Control System and Brake Fluid Pressure Sensor Schematic
GM1749092Courtesy of GENERAL MOTORS CORP.