LEMON Manuals: Even more car manuals for everyone: 1960-2025
Home >> GMC >> 2007 >> Acadia SLE, AWD >> Repair and Diagnosis >> External Pages >> Different car >> Section 404 (Cellular System, Entertainment System, And Navigation System) >> Schematic and Routing Diagrams >> OnStar Schematics
April 5, 2026: LEMON Manuals is launched! Read the announcement.

OnStar Schematics

WARNING: This page is about a different car, the 2007 Cadillac XLR. However, it is still accessible from the selected car via links, so may be relevant.
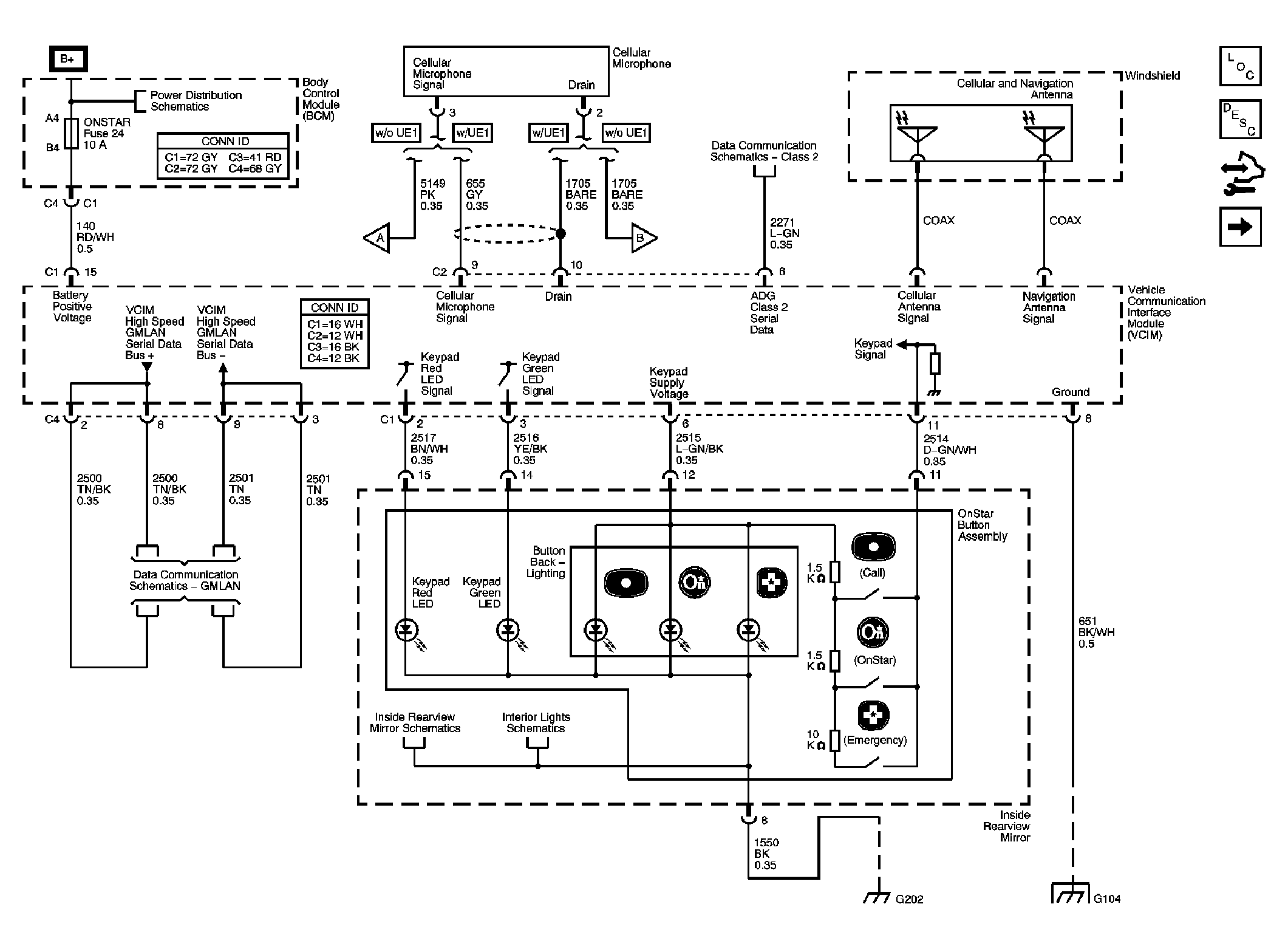
Fig 1: Power, Ground, DLC, Antenna & User Inputs Schematic
GM1757200Courtesy of GENERAL MOTORS CORP.
Fig 2: Audio Output Schematic
GM1757203Courtesy of GENERAL MOTORS CORP.