LEMON Manuals: Even more car manuals for everyone: 1960-2025
Home >> GMC >> 2007 >> Acadia SLE, AWD >> Repair and Diagnosis >> External Pages >> Different car >> Section 749 (Cellular System, Entertainment System, And Navigation System) >> Schematic and Routing Diagrams >> OnStar Schematics
April 5, 2026: LEMON Manuals is launched! Read the announcement.

OnStar Schematics

WARNING: This page is about a different car, the 2009 Cadillac STS. However, it is still accessible from the selected car via links, so may be relevant.
Fig 1: UE1
GM2063478Courtesy of GENERAL MOTORS CORP.
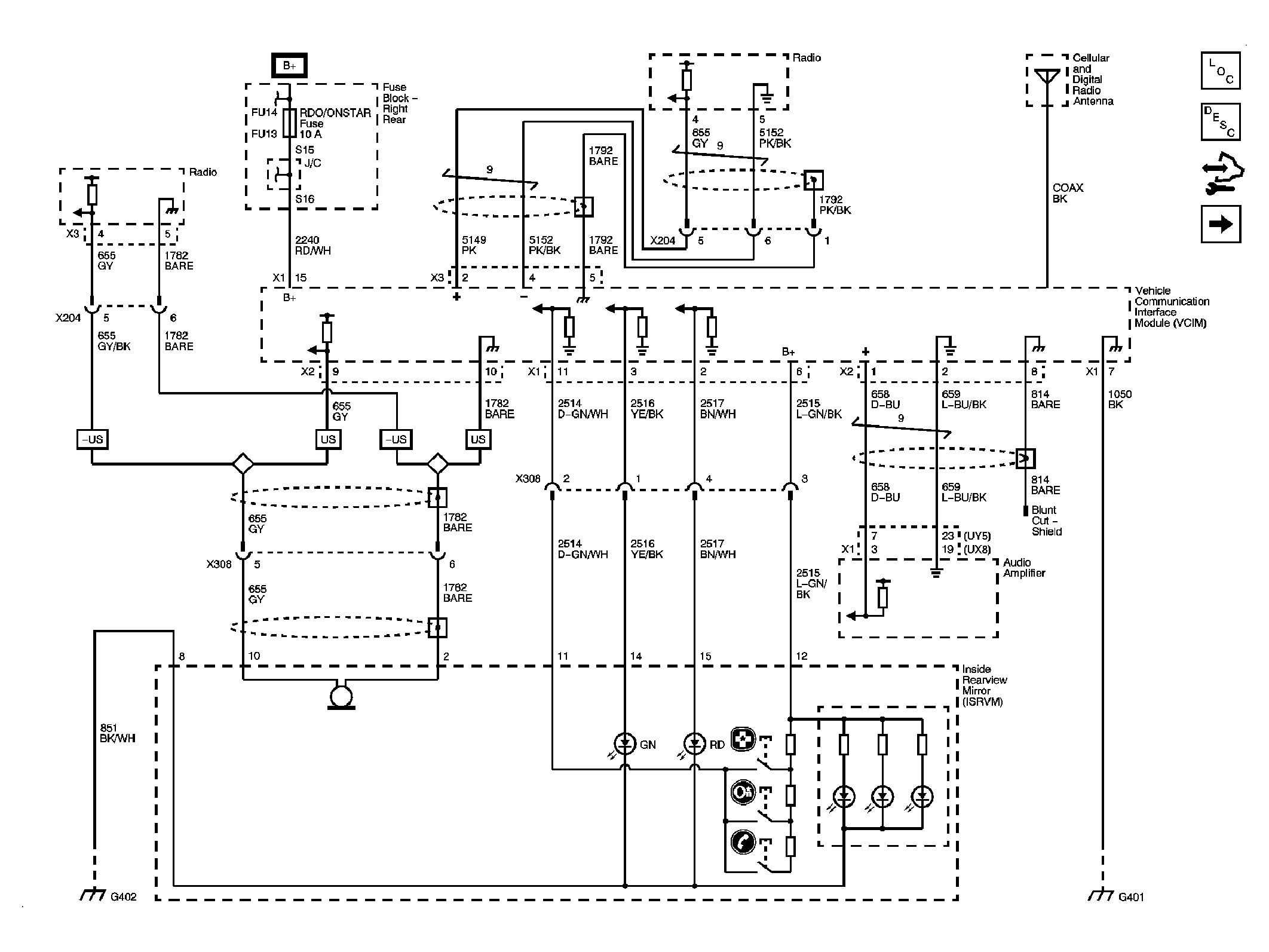
Fig 2: VCIM, DLC
GM2063483Courtesy of GENERAL MOTORS CORP.