LEMON Manuals: Even more car manuals for everyone: 1960-2025
Home >> GMC >> 2007 >> Acadia SLT, AWD >> Repair and Diagnosis >> External Pages >> Different car >> Section 1189 (Cellular System, Entertainment System, And Navigation System) >> Schematic Wiring Diagrams >> Radio/Navigation System Wiring Schematics >> Secondary Controls
April 5, 2026: LEMON Manuals is launched! Read the announcement.

Secondary Controls

WARNING: This page is about a different car, the 2013 Cadillac CTS. However, it is still accessible from the selected car via links, so may be relevant.
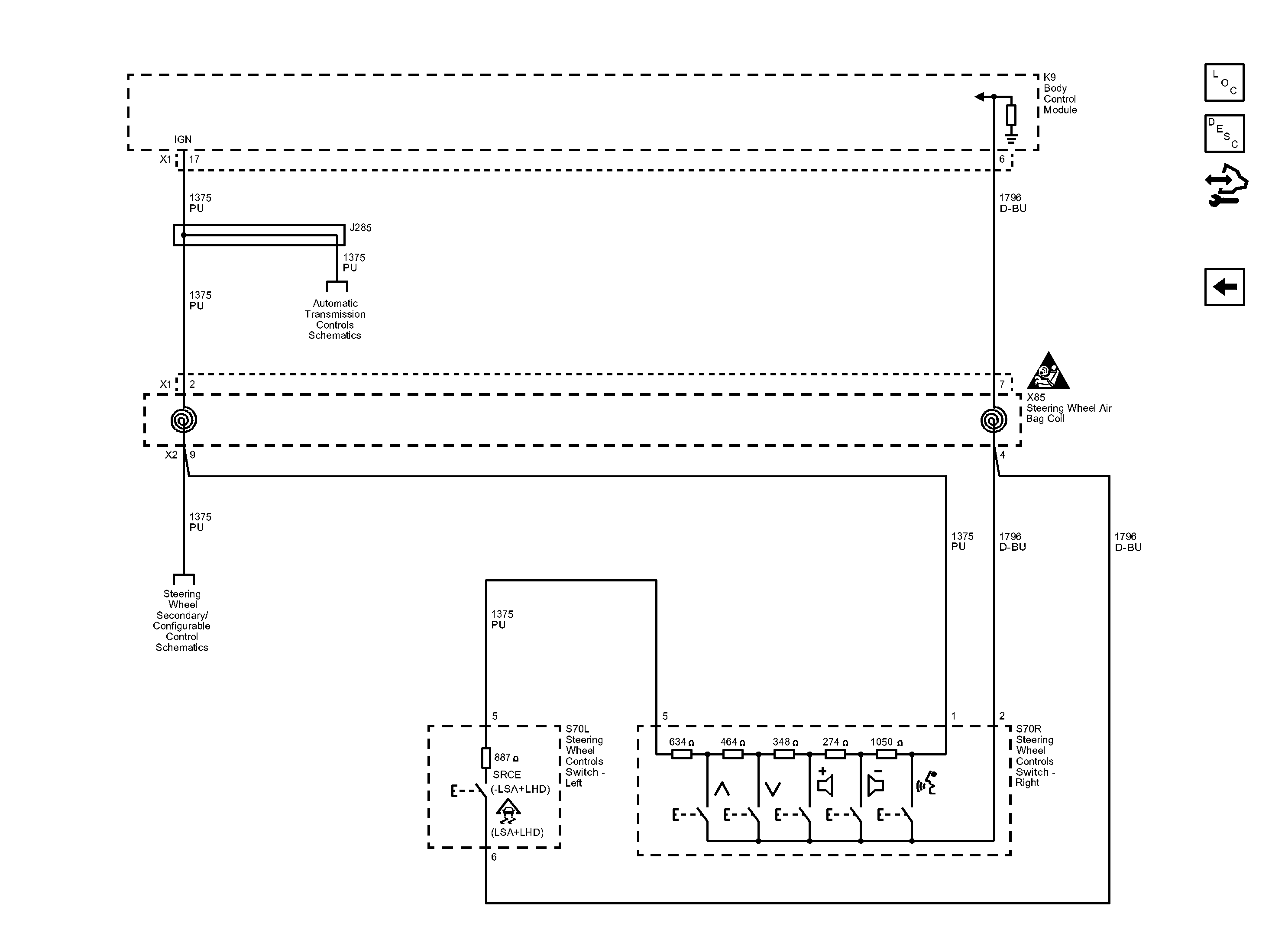
Fig 1: Secondary Controls Wiring Schematic
GM2779018Courtesy of GENERAL MOTORS COMPANY