LEMON Manuals: Even more car manuals for everyone: 1960-2025
Home >> GMC >> 2007 >> Sierra Denali AWD V8-6.2L >> Repair and Diagnosis >> Powertrain Management >> Computers and Control Systems >> Air Flow Meter/Sensor >> Service and Repair
April 5, 2026: LEMON Manuals is launched! Read the announcement.

Air Flow Meter/Sensor: Service and Repair



Mass Airflow Sensor/Intake Air Temperature Sensor Replacement

Removal Procedure

Important: Use care when handling the mass air flow (MAF)/intake air temperature (IAT) sensor. Do not dent, puncture, or otherwise damage the honeycell located at the air inlet end of the MAF/IAT. Do not touch the sensing elements or allow anything including cleaning solvents and lubricants to come in contact with them. Use a small amount of a non-silicone based lubricant, on the air duct only, to aid in installation.




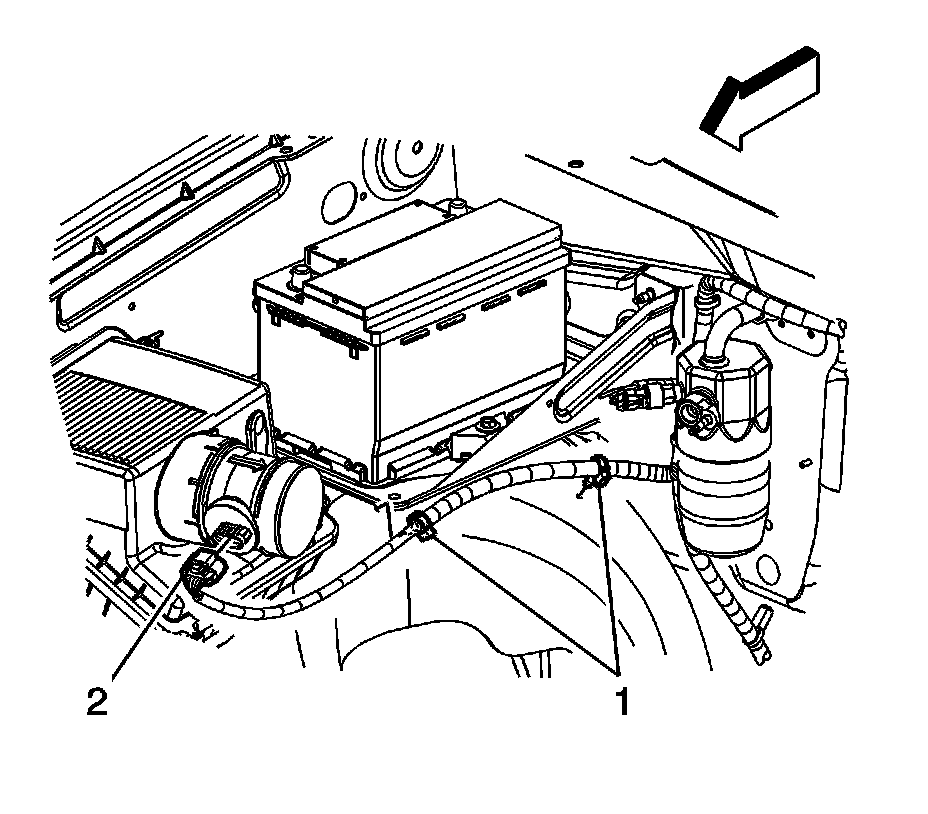
1. Remove the air cleaner outlet resonator.
2. Disconnect the engine wiring harness electrical connector (2) from the MAF/IAT sensor.




3. Loosen the MAF/IAT sensor adapter clamp.
4. Remove the MAF/IAT sensor from the air cleaner assembly.

Installation Procedure

Important: The embossed arrow on the MAF/IAT sensor indicates the proper air flow direction. The arrow must point toward the engine.




1. Install the MAF/IAT sensor to the air cleaner assembly.

Notice: Refer to Fastener Notice.

2. Tighten the MAF/IAT sensor adapter clamp.

Tighten the clamp to 4 N.m (35 lb in).




3. Connect the engine wiring harness electrical connector (2) to the MAF/IAT sensor.
4. Install the air cleaner outlet resonator.