LEMON Manuals: Even more car manuals for everyone: 1960-2025
Home >> GMC >> 2008 >> Acadia SLE, AWD >> Repair and Diagnosis >> External Pages >> Different car >> Section 129 (Antilock Brake System With Traction Control System & Stability Control System) >> Schematic and Routing Diagrams >> Antilock Brake System Schematics
April 5, 2026: LEMON Manuals is launched! Read the announcement.

Antilock Brake System Schematics

WARNING: This page is about a different car, the 2010 Saturn Outlook, 2010 GMC Acadia, 2010 Chevrolet Traverse, and 2010 Buick Enclave. However, it is still accessible from the selected car via links, so may be relevant.
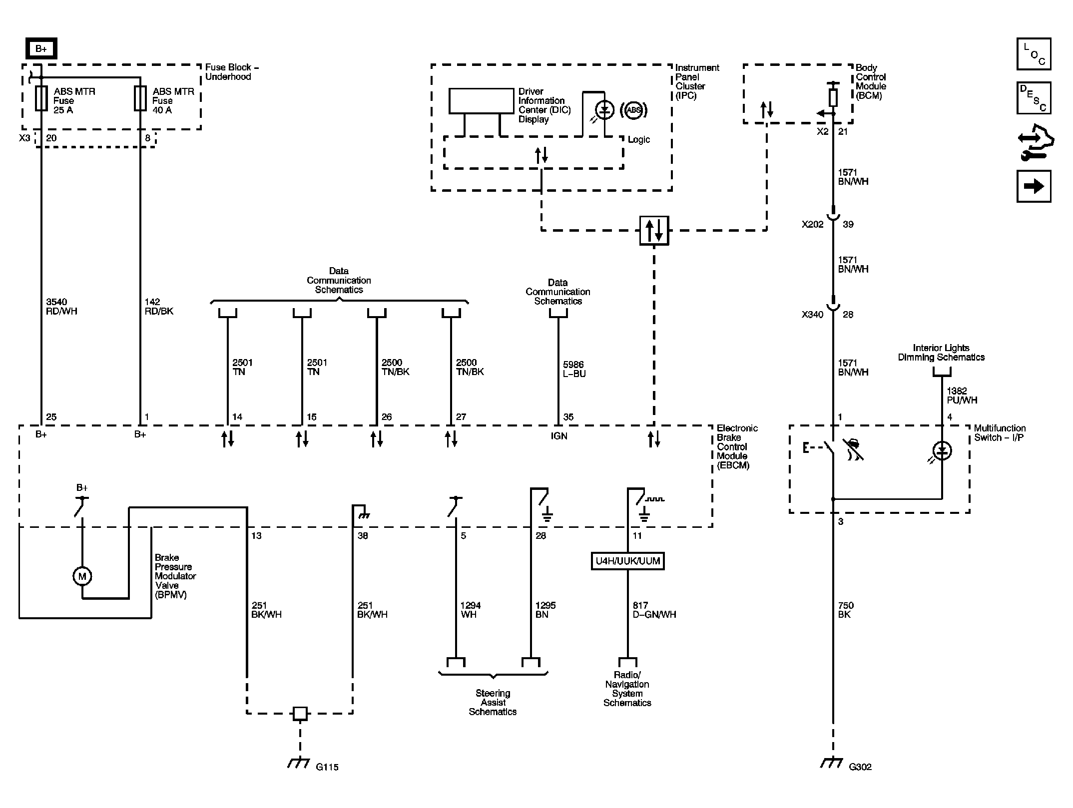
Fig 1: Module Power and Ground, Indicators, TCS Control & Subsystem References Circuit Schematic
GM2248035Courtesy of GENERAL MOTORS CORP.
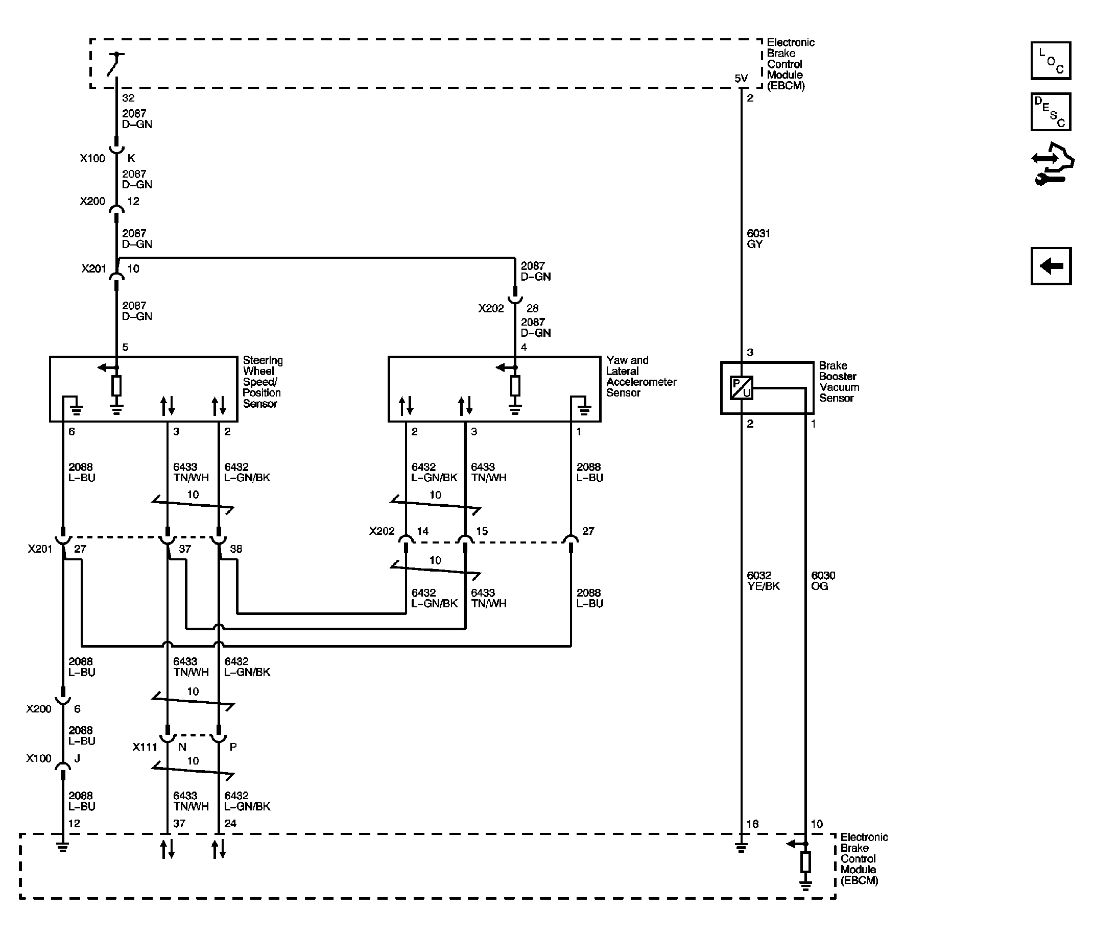
Fig 2: Wheel Speed Sensors Circuit Schematic
GM2248037Courtesy of GENERAL MOTORS CORP.
Fig 3: Stability Control Circuit Schematic
GM2248039Courtesy of GENERAL MOTORS CORP.