LEMON Manuals: Even more car manuals for everyone: 1960-2025
Home >> GMC >> 2011 >> Terrain SLE, 2.4 C, AWD >> Repair and Diagnosis >> Accessories & Equipment >> Infotainment >> Cellular System, Entertainment System, And Navigation System >> Wiring Schematics >> Radio/Navigation System Wiring Schematics
April 5, 2026: LEMON Manuals is launched! Read the announcement.

Radio/Navigation System Wiring Schematics

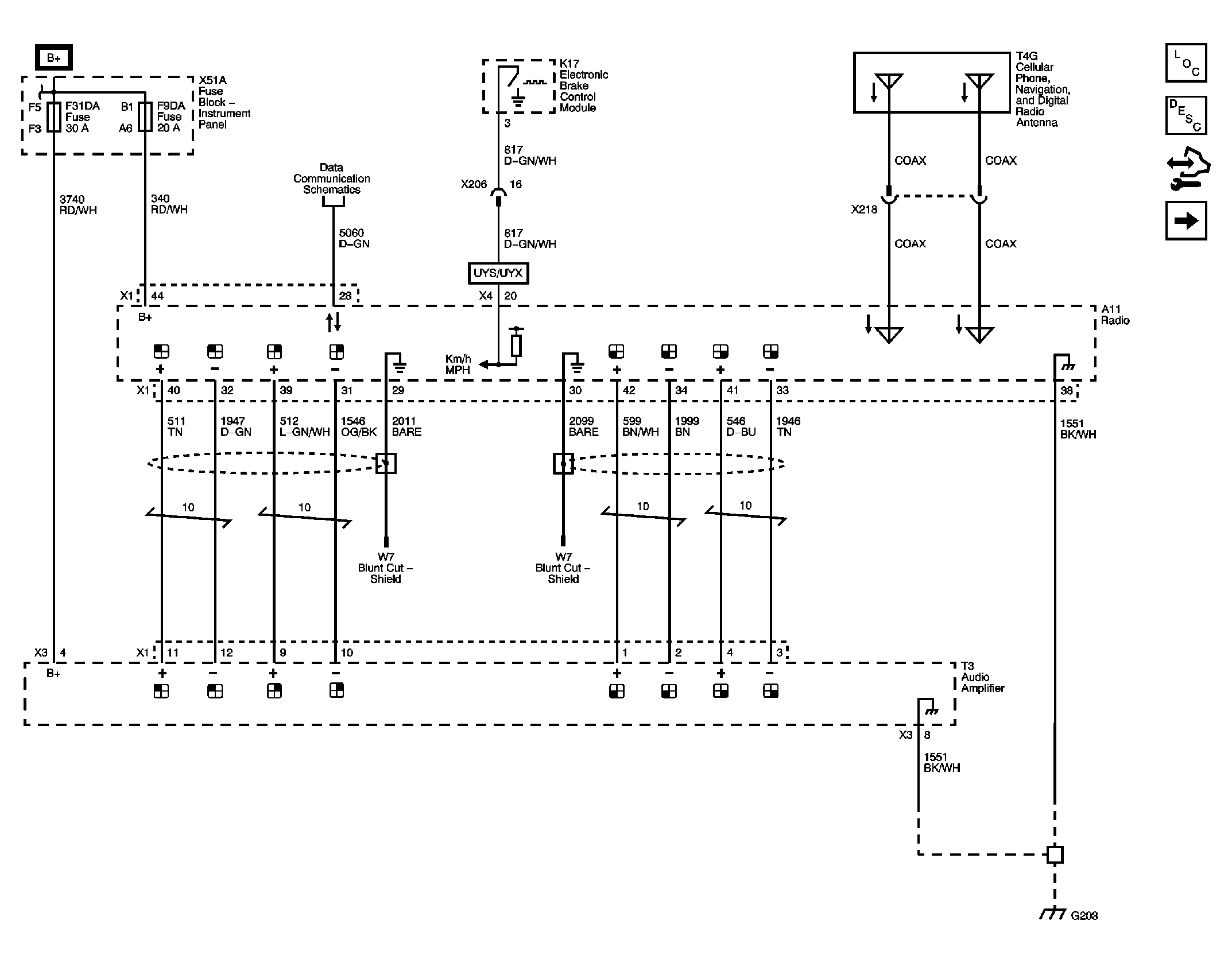
Fig 1: Power, Ground, and Antennas Wiring Schematic
GM2409395Courtesy of GENERAL MOTORS CORP.
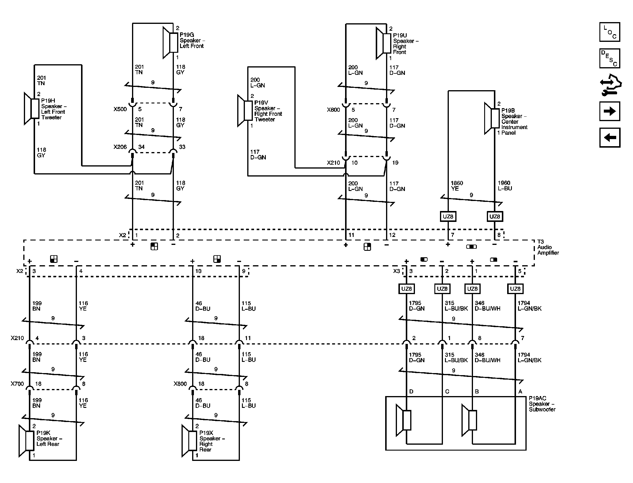
Fig 2: Amplifier and Speakers Wiring Schematic
GM2409399Courtesy of GENERAL MOTORS CORP.
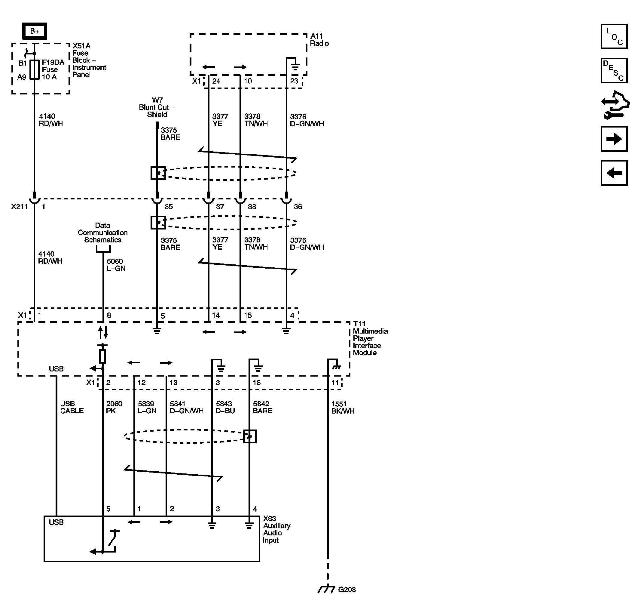
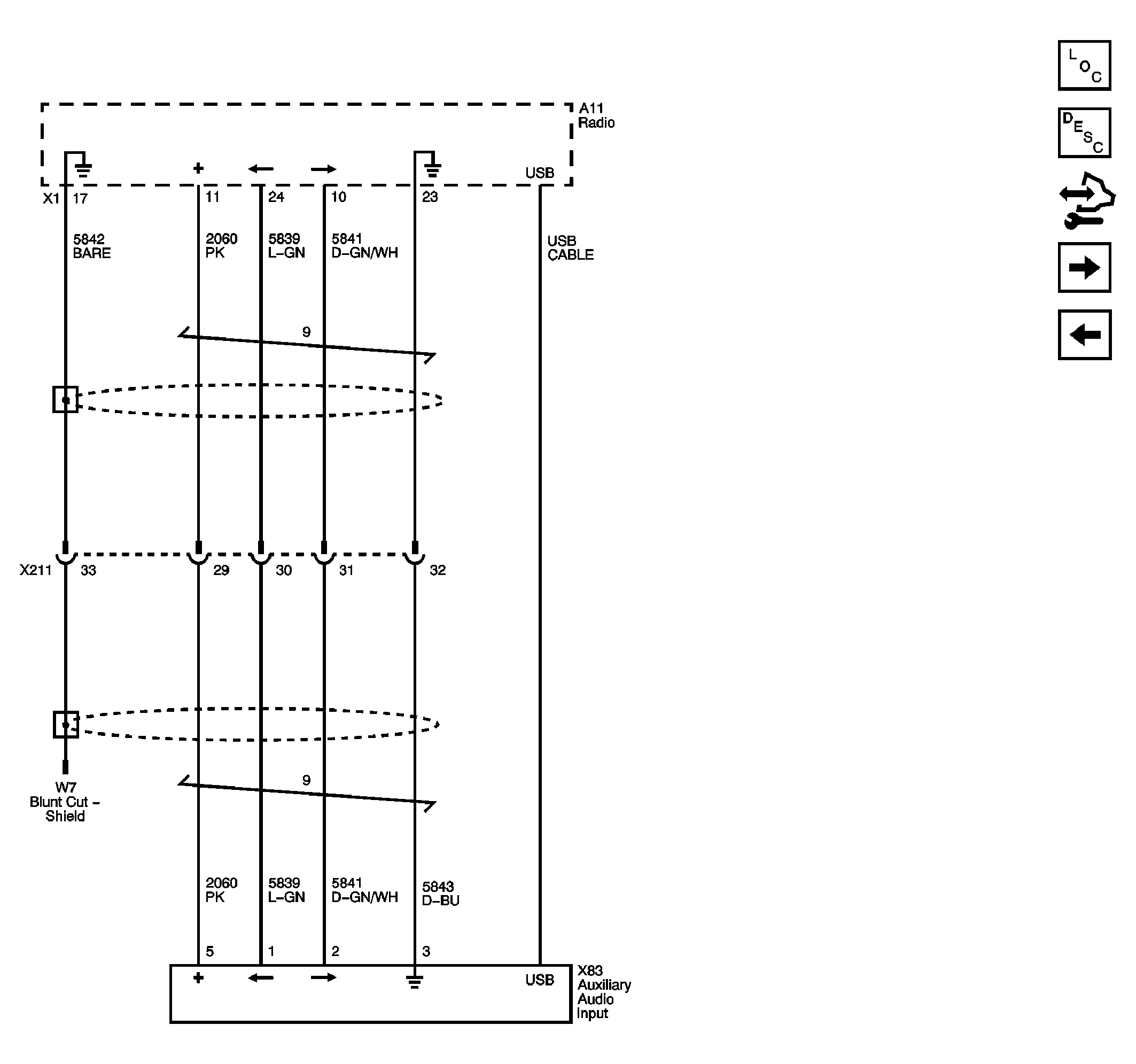
Fig 3: Multimedia Player Interface and Audio Jacks (KTA) Wiring Schematic
GM2409402Courtesy of GENERAL MOTORS CORP.
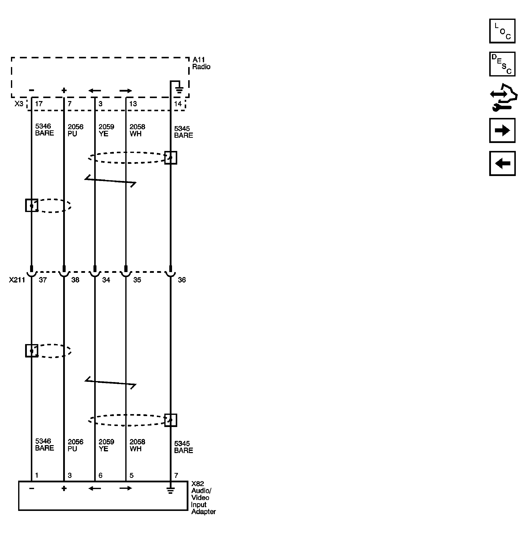
Fig 4: Audio Jacks (without KTA) Wiring Schematic
GM2409405Courtesy of GENERAL MOTORS CORP.
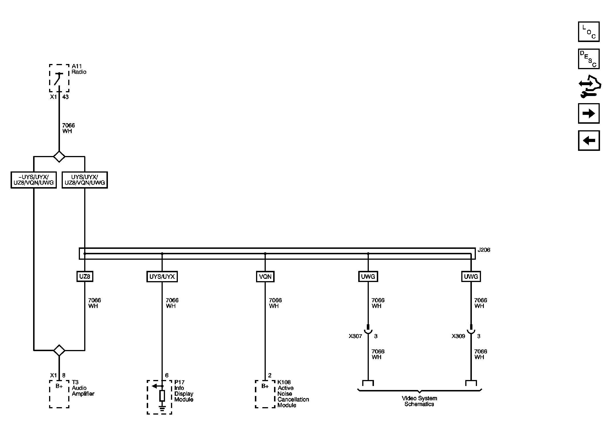
Fig 5: Video and Audio Jacks (UWG) Wiring Schematic
GM2409410Courtesy of GENERAL MOTORS CORP.
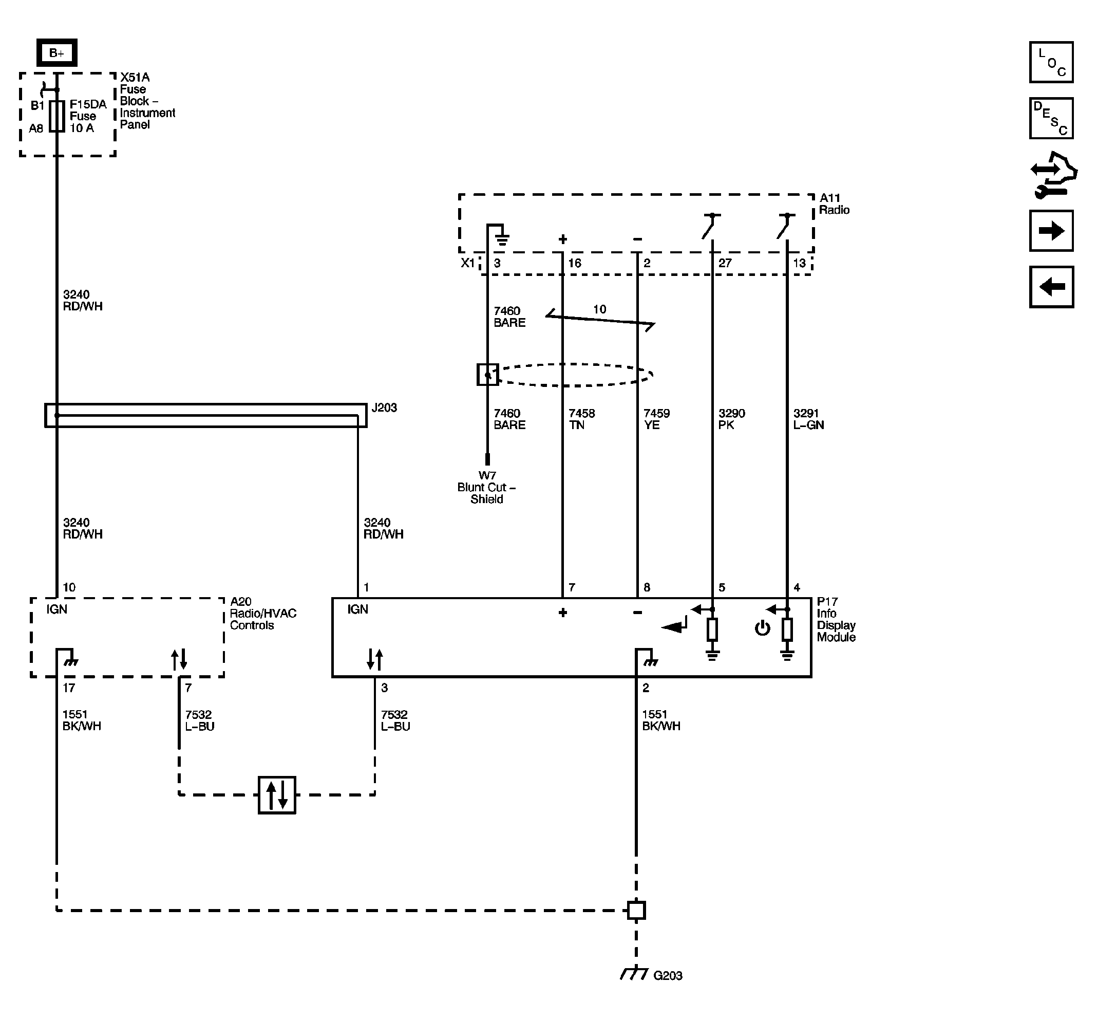
Fig 6: Radio Display (UYS or UYX) Wiring Schematic
GM2409413Courtesy of GENERAL MOTORS CORP.
Fig 7: Radio Display (without UYS or UYX) Wiring Schematic
GM2409416Courtesy of GENERAL MOTORS CORP.
Fig 8: Remote Device Enable Wiring Schematic
GM2409419Courtesy of GENERAL MOTORS CORP.
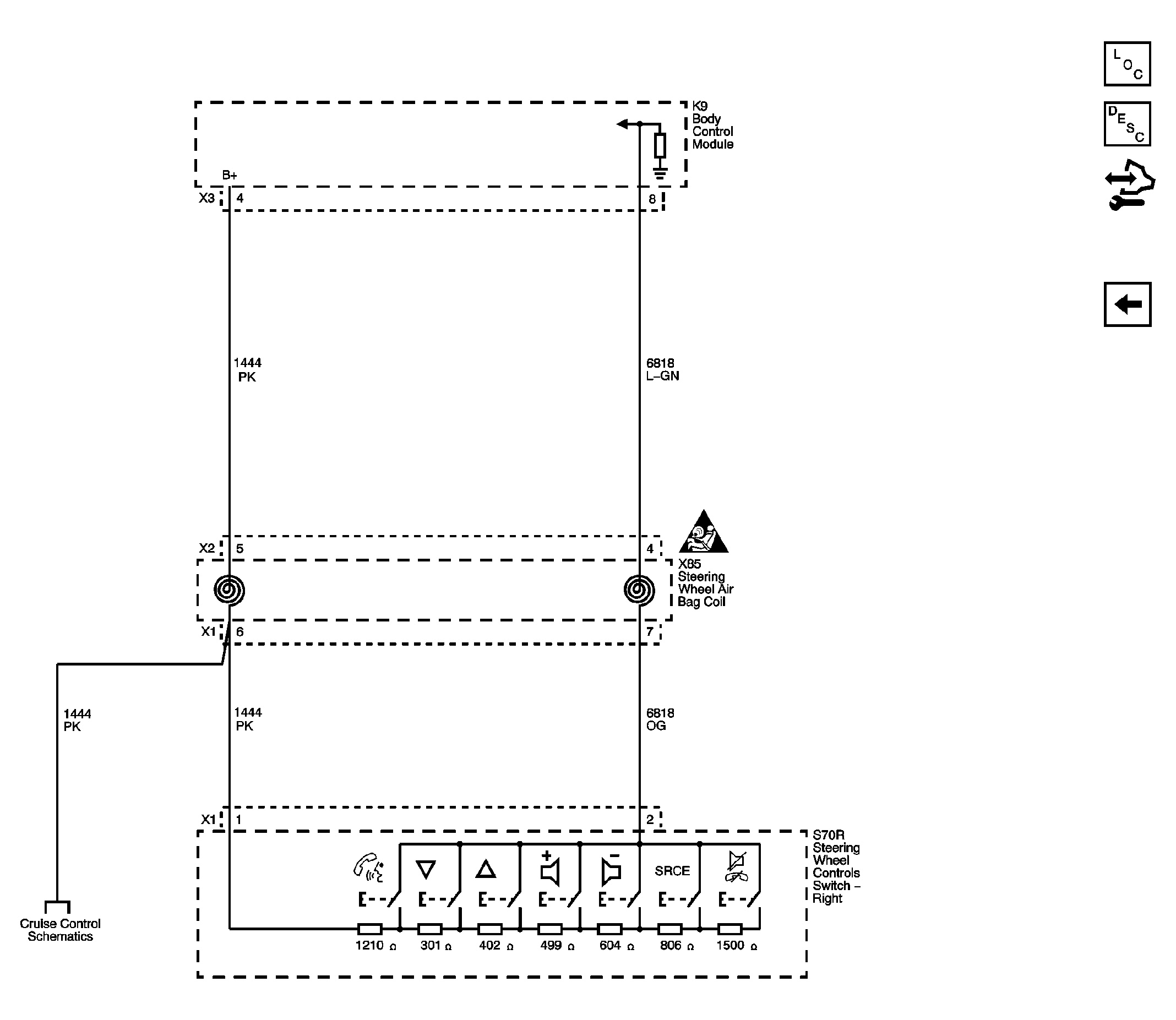
Fig 9: Steering Wheel Controls Wiring Schematic
GM2409421Courtesy of GENERAL MOTORS CORP.