LEMON Manuals: Even more car manuals for everyone: 1960-2025
Home >> GMC >> 2013 >> Acadia SL >> Repair and Diagnosis (Single Page) >> Accessories & Equipment >> Drivers Assistance Systems - ADAS >> Object Detection System - Park Assist System >> Schematic and Routing Diagrams >> Object Detection Schematics >> Rear Vision Camera (UVC)
April 5, 2026: LEMON Manuals is launched! Read the announcement.

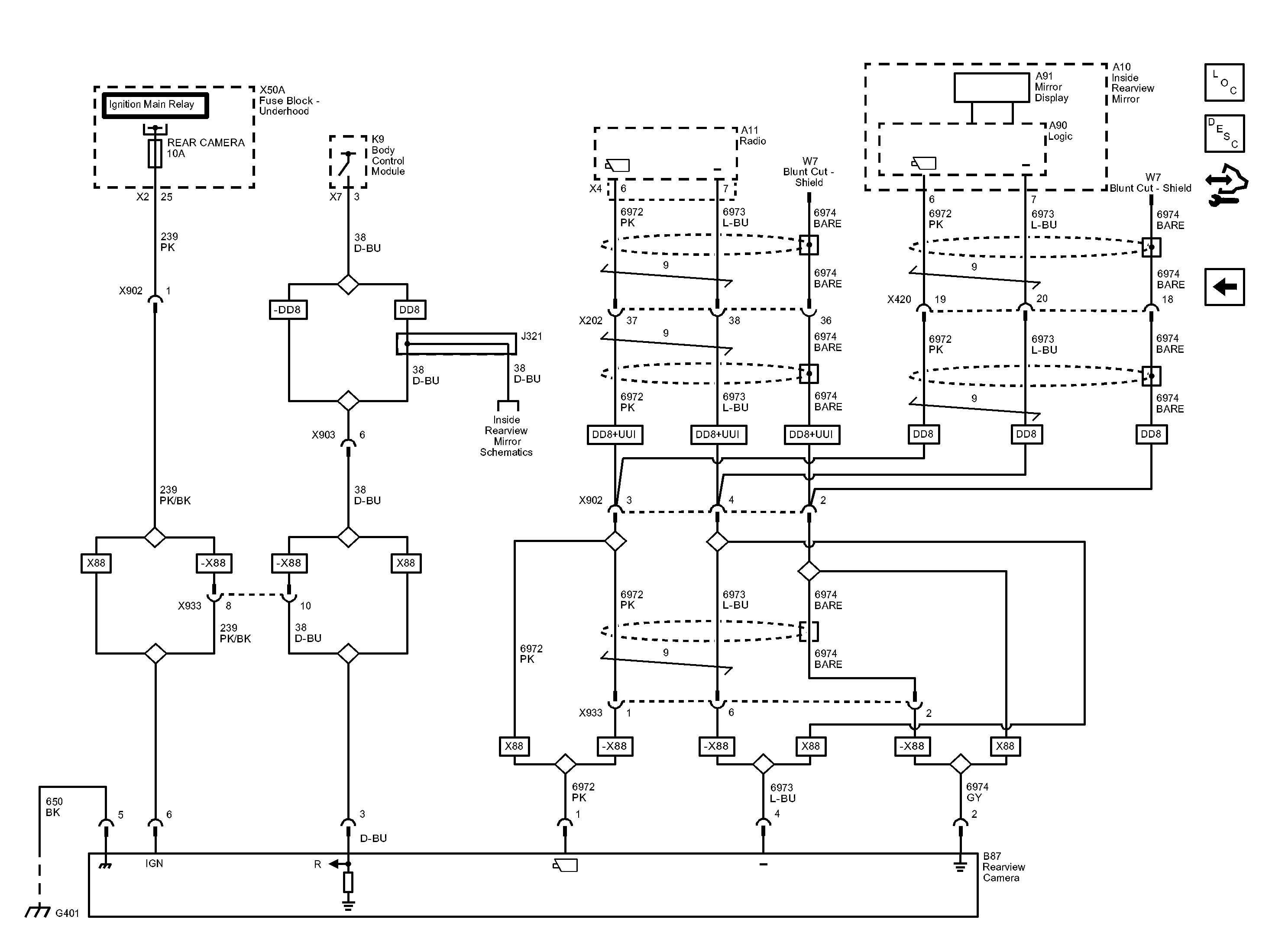
Rear Vision Camera (UVC)

Fig 1: Rear Vision Camera (UVC) Wiring Schematic
GM2868134Courtesy of GENERAL MOTORS COMPANY