LEMON Manuals: Even more car manuals for everyone: 1960-2025
Home >> GMC >> 2013 >> Acadia SL >> Repair and Diagnosis (Single Page) >> Accessories & Equipment >> Entertainment Systems >> Cellular System, Entertainment System, And Navigation System >> Schematic and Routing Diagrams >> Radio/Navigation System Schematics >> Power, Ground, Serial Data, Antennas, Lighting, And Vehicle Speed Signal
April 5, 2026: LEMON Manuals is launched! Read the announcement.

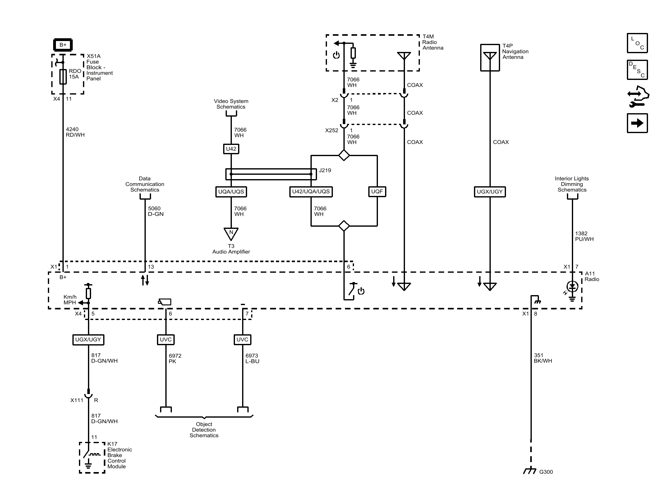
Power, Ground, Serial Data, Antennas, Lighting, And Vehicle Speed Signal

Fig 1: Power, Ground, Serial Data, Antennas, Lighting And Vehicle Speed Signal Wiring Schematic
GM2867216Courtesy of GENERAL MOTORS COMPANY