LEMON Manuals: Even more car manuals for everyone: 1960-2025
Home >> GMC >> 2013 >> Acadia SLE, AWD >> Repair and Diagnosis >> External Pages >> Different car >> Section 34 (Antilock Brake System With Traction Control System & Stability Control System) >> Schematic and Routing Diagrams >> Antilock Brake System Schematics
April 5, 2026: LEMON Manuals is launched! Read the announcement.

Antilock Brake System Schematics

WARNING: This page is about a different car, the 2010 Cadillac SRX. However, it is still accessible from the selected car via links, so may be relevant.
Fig 1: Power, Ground & Brake Pressure Modulator Valves Circuit Schematic
GM2239820Courtesy of GENERAL MOTORS CORP.
Fig 2: Wheel Speed Sensors Circuit Schematic
GM2239824Courtesy of GENERAL MOTORS CORP.
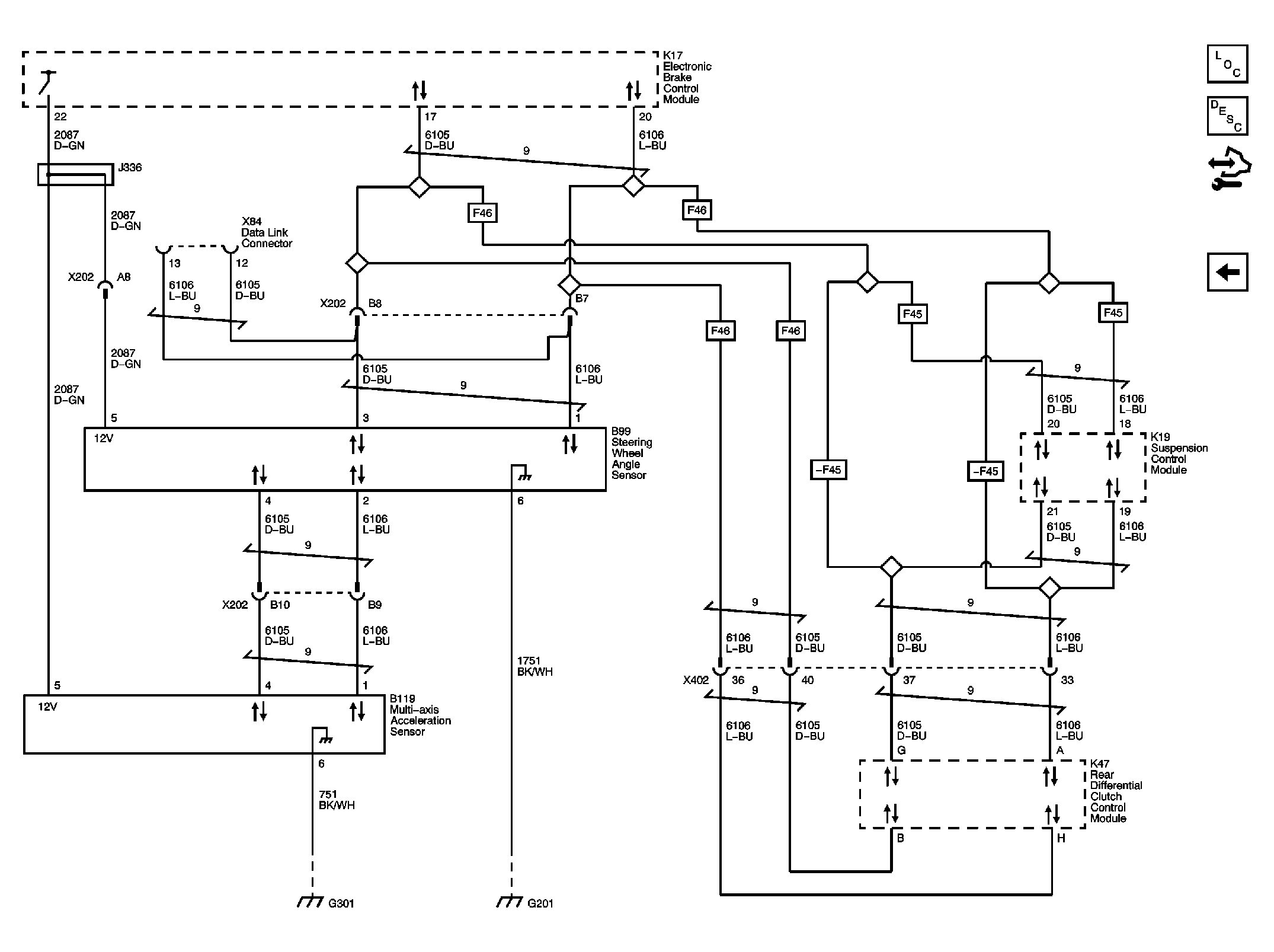
Fig 3: Steering Angle Sensor, Yaw & Lateral Accelerometer Sensor Circuit Schematic
GM2239825Courtesy of GENERAL MOTORS CORP.