LEMON Manuals: Even more car manuals for everyone: 1960-2025
Home >> GMC >> 2014 >> Terrain Denali, 4D Utility >> Repair and Diagnosis >> Engine Performance >> Testing & Diagnosis >> Data Communication System >> Schematic Wiring Diagrams >> Data Communication System Wiring Schematics >> Radio/HVAC Linear Interconnect Network (LIN) Bus and CAN Graphical Interface Wiring Schematics
April 5, 2026: LEMON Manuals is launched! Read the announcement.

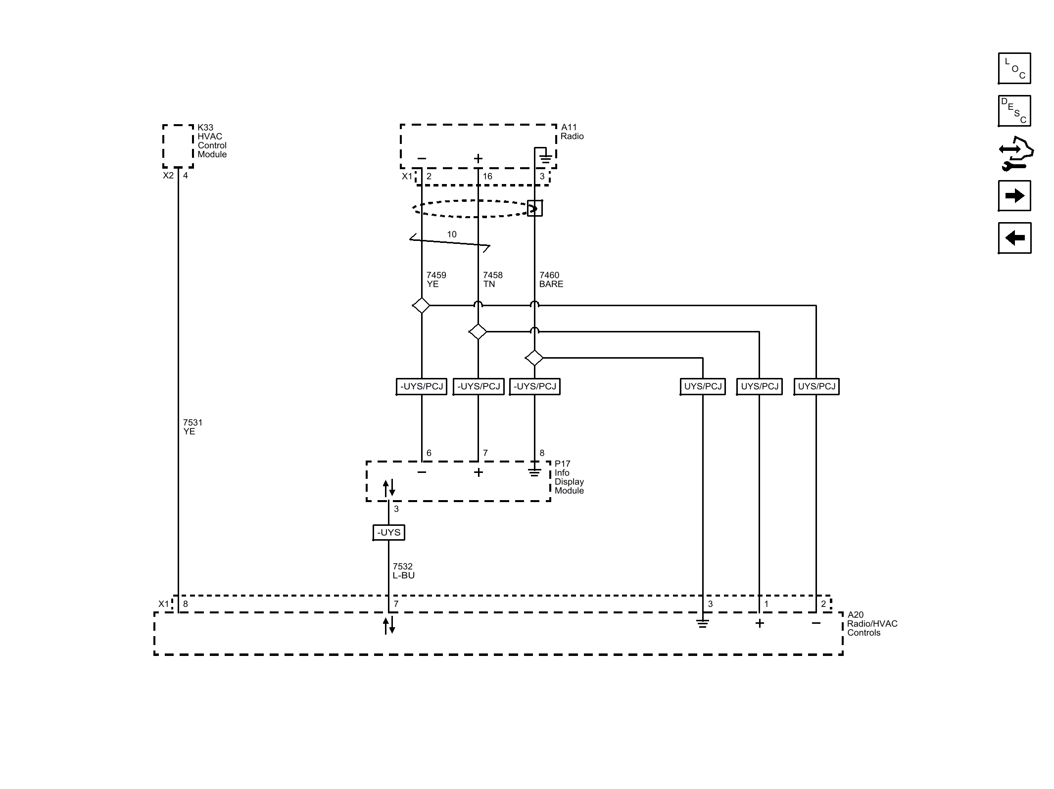
Radio/HVAC Linear Interconnect Network (LIN) Bus and CAN Graphical Interface Wiring Schematics

Fig 1: Radio/HVAC Linear Interconnect Network (LIN) Bus and CAN Graphical Interface Wiring Schematics
GM3423771Courtesy of GENERAL MOTORS COMPANY