LEMON Manuals: Even more car manuals for everyone: 1960-2025
Home >> GMC >> 2014 >> Terrain SLE, 4D Utility >> Repair and Diagnosis >> Accessories & Equipment >> Collision/Avoidance >> Object Detection System And Pedestrian Protection System >> Schematic Wiring Diagrams >> Object Detection System Wiring Schematics >> Forward Collision and Lane Departure Wiring Schematics
April 5, 2026: LEMON Manuals is launched! Read the announcement.

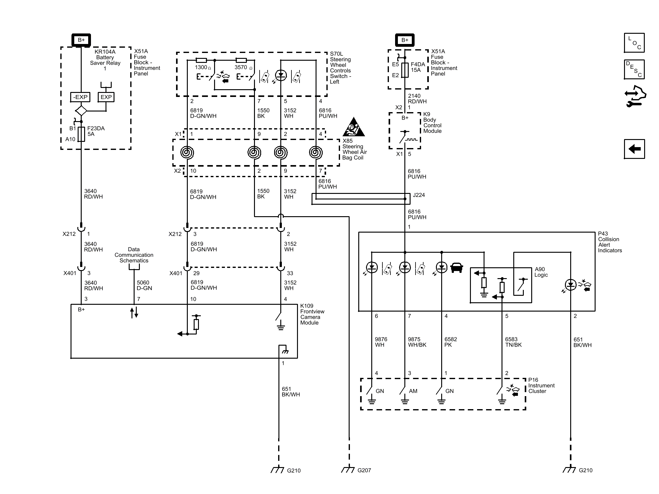
Forward Collision and Lane Departure Wiring Schematics

Fig 1: Forward Collision and Lane Departure Wiring Schematics
GM3424485Courtesy of GENERAL MOTORS COMPANY