LEMON Manuals: Even more car manuals for everyone: 1960-2025
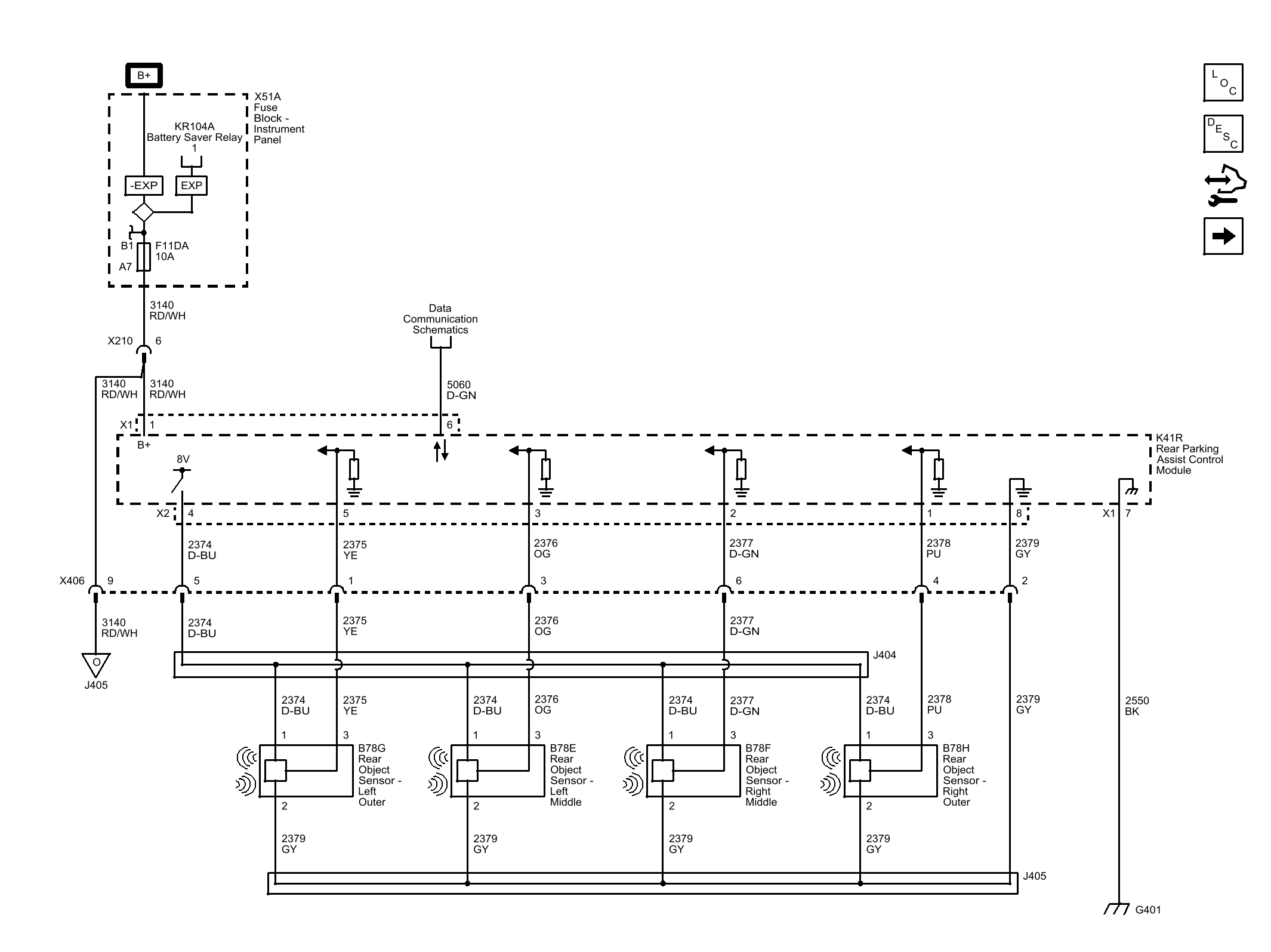
Home >> GMC >> 2014 >> Terrain SLT, 4D Utility >> Repair and Diagnosis >> Accessories & Equipment >> Drivers Assistance Systems - ADAS >> Object Detection System And Pedestrian Protection System >> Schematic Wiring Diagrams >> Object Detection System Wiring Schematics >> Rear Parking Assist (UD7) Wiring Schematics
April 5, 2026: LEMON Manuals is launched! Read the announcement.

Rear Parking Assist (UD7) Wiring Schematics

Fig 1: Rear Parking Assist (UD7) Wiring Schematics
GM3424631Courtesy of GENERAL MOTORS COMPANY