LEMON Manuals: Even more car manuals for everyone: 1960-2025
Home >> GMC >> 2015 >> Canyon SL >> Repair and Diagnosis (Single Page) >> Accessories & Equipment >> Infotainment >> Cellular System, Entertainment System, And Navigation System >> Schematic Wiring Diagrams >> Radio/Navigation System Wiring Schematics (IO4, IO5, IO6) >> Human Machine Interface, Display, Cellular Microphone, Power, Ground and Serial Data
April 5, 2026: LEMON Manuals is launched! Read the announcement.

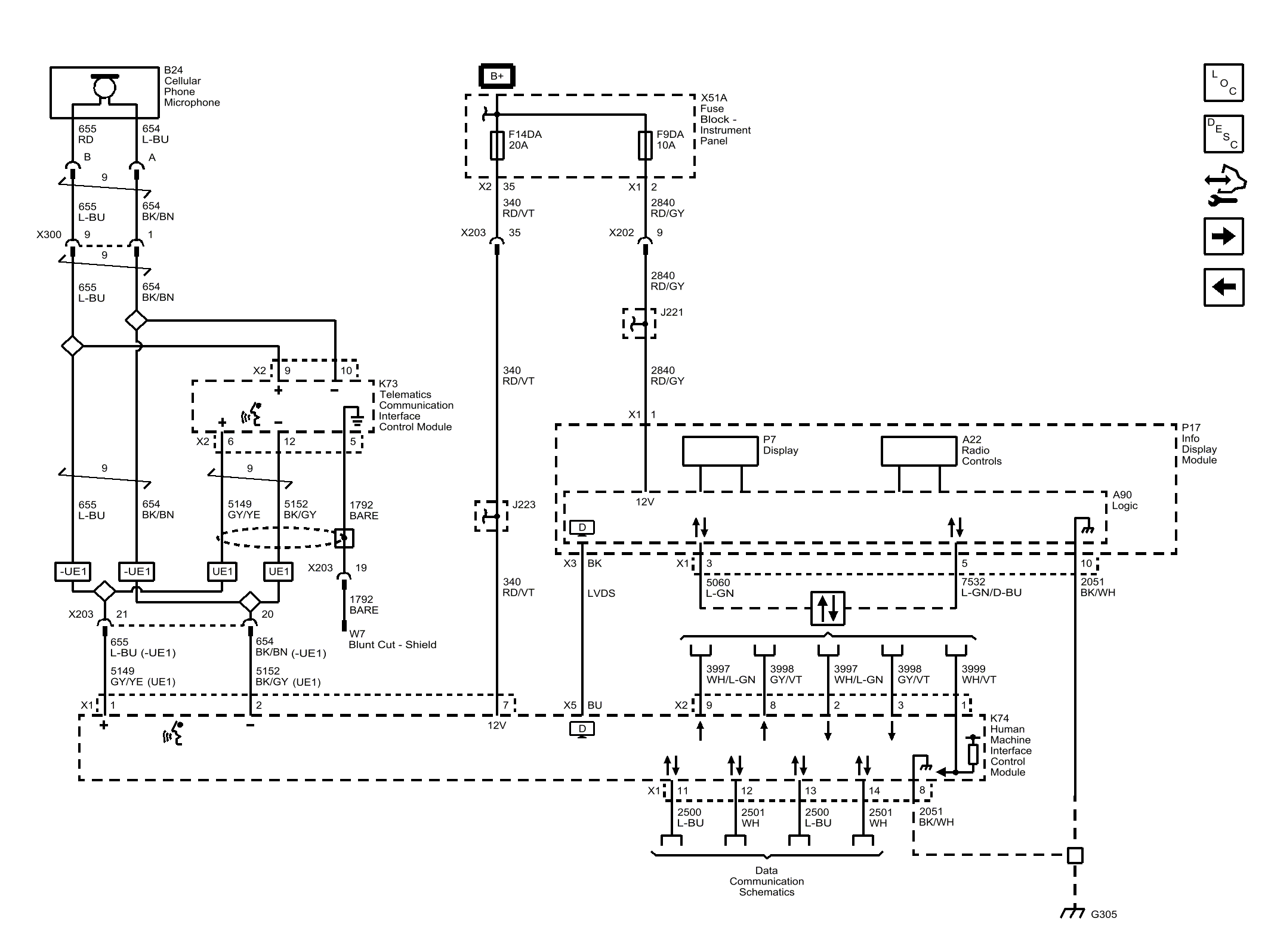
Human Machine Interface, Display, Cellular Microphone, Power, Ground and Serial Data

Fig 1: Human Machine Interface, Display, Cellular Microphone, Power, Ground and Serial Data
GM3826805Courtesy of GENERAL MOTORS COMPANY