LEMON Manuals: Even more car manuals for everyone: 1960-2025
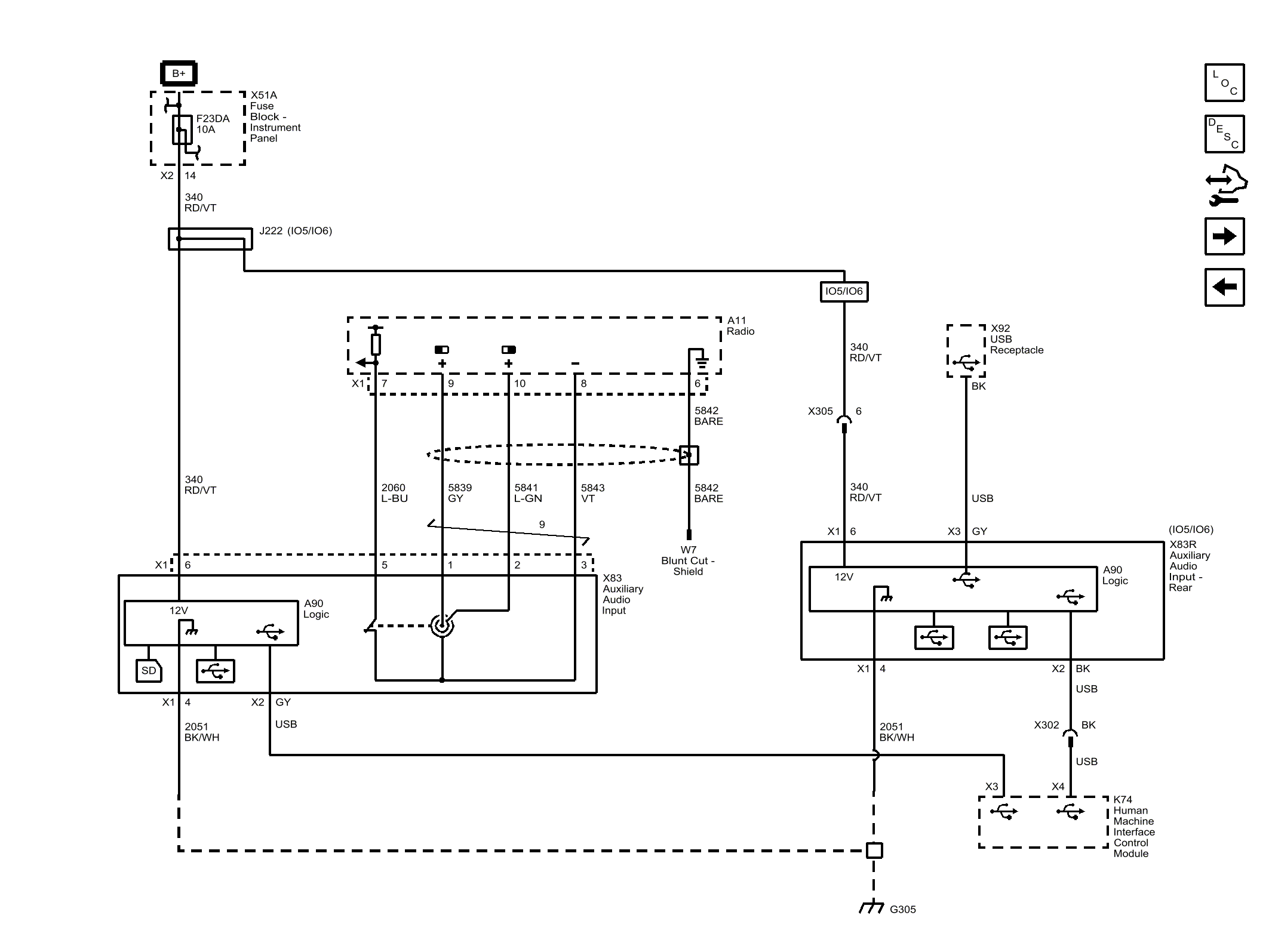
Home >> GMC >> 2015 >> Canyon SL >> Repair and Diagnosis >> Accessories & Equipment >> Entertainment Systems >> Cellular System, Entertainment System, And Navigation System >> Schematic Wiring Diagrams >> Radio/Navigation System Wiring Schematics (IO4, IO5, IO6) >> Auxiliary Inputs - Front (MYB)
April 5, 2026: LEMON Manuals is launched! Read the announcement.

Auxiliary Inputs - Front (MYB)

Fig 1: Auxiliary Inputs - Front (MYB)
GM3826817Courtesy of GENERAL MOTORS COMPANY