LEMON Manuals: Even more car manuals for everyone: 1960-2025
Home >> GMC >> 2015 >> Canyon SL >> Repair and Diagnosis >> Accessories & Equipment >> Entertainment Systems >> Cellular System, Entertainment System, And Navigation System >> Schematic Wiring Diagrams >> Radio/Navigation System Wiring Schematics (IO4, IO5, IO6) >> Media Disc Player Power, Ground and Serial Data
April 5, 2026: LEMON Manuals is launched! Read the announcement.

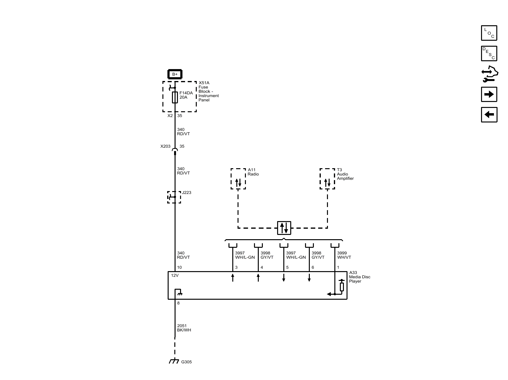
Media Disc Player Power, Ground and Serial Data

Fig 1: Media Disc Player Power, Ground and Serial Data
GM3826802Courtesy of GENERAL MOTORS COMPANY