LEMON Manuals: Even more car manuals for everyone: 1960-2025
Home >> GMC >> 2015 >> Terrain SL, Gas/Ethanol >> Repair and Diagnosis >> Engine Performance >> Testing & Diagnosis >> Data Communication System >> Schematic Wiring Diagrams >> Data Communication Wiring Schematics >> Radio/HVAC Linear Interconnect Network (LIN) Bus and CAN Graphical Interface
April 5, 2026: LEMON Manuals is launched! Read the announcement.

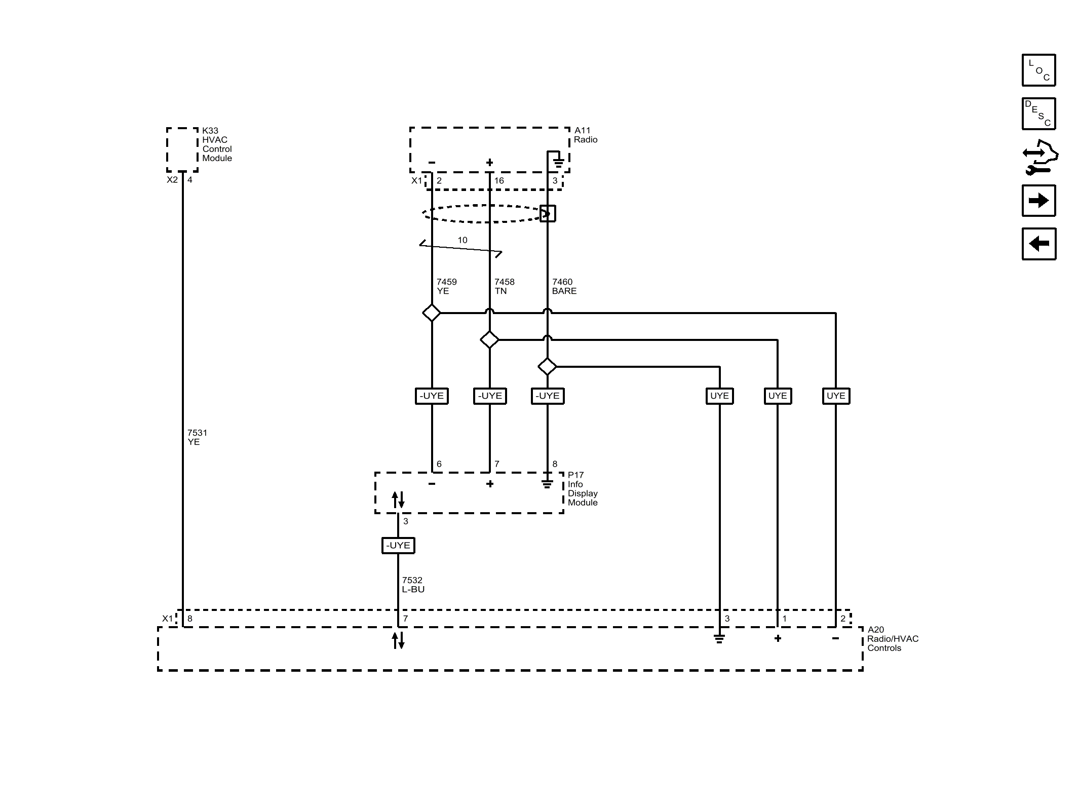
Radio/HVAC Linear Interconnect Network (LIN) Bus and CAN Graphical Interface

Fig 1: Radio/HVAC Linear Interconnect Network (LIN) Bus and CAN Graphical Interface
GM3804485Courtesy of GENERAL MOTORS COMPANY