LEMON Manuals: Even more car manuals for everyone: 1960-2025
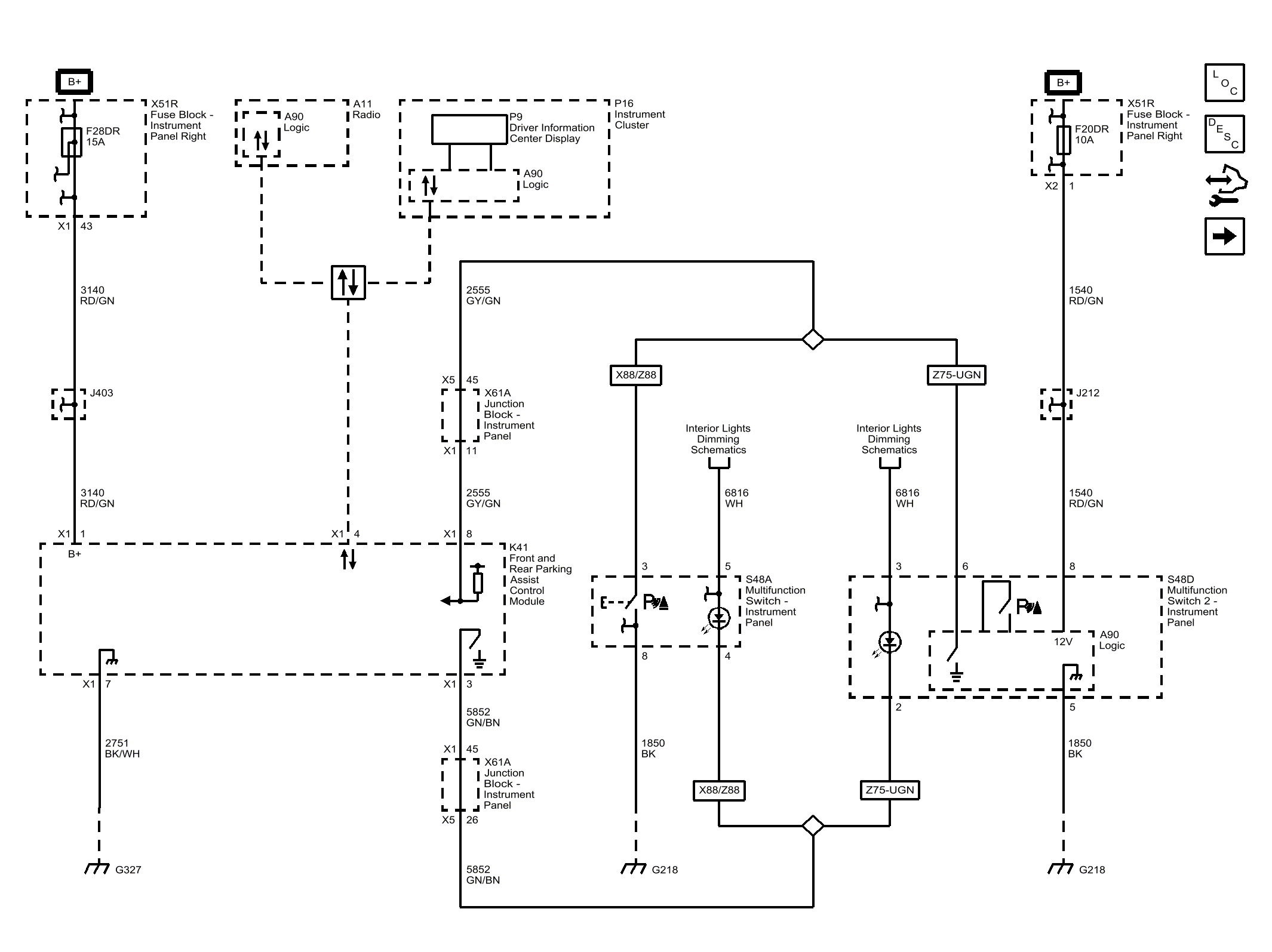
Home >> GMC >> 2015 >> Yukon SLE, 4WD >> Repair and Diagnosis >> Accessories & Equipment >> Drivers Assistance Systems - ADAS >> Object Detection System And Pedestrian Protection System >> Schematic Wiring Diagrams >> Object Detection Wiring Schematics >> Park Assist - Power, Ground, and Serial Data (UD5 or UD7)
April 5, 2026: LEMON Manuals is launched! Read the announcement.

Park Assist - Power, Ground, and Serial Data (UD5 or UD7)

Fig 1: Park Assist - Power, Ground, and Serial Data (UD5 or UD7)
GM3636962Courtesy of GENERAL MOTORS COMPANY