LEMON Manuals: Even more car manuals for everyone: 1960-2025
Home >> GMC >> 2015 >> Yukon SLE, 4WD >> Repair and Diagnosis >> Accessories & Equipment >> Drivers Assistance Systems - ADAS >> Object Detection System And Pedestrian Protection System >> Schematic Wiring Diagrams >> Object Detection Wiring Schematics >> Side Blind Zone Alert (UKC)
April 5, 2026: LEMON Manuals is launched! Read the announcement.

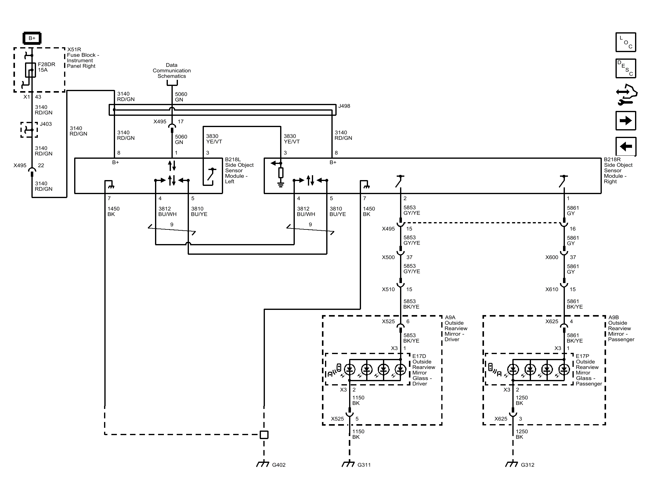
Side Blind Zone Alert (UKC)

Fig 1: Side Blind Zone Alert (UKC)
GM3636967Courtesy of GENERAL MOTORS COMPANY