LEMON Manuals: Even more car manuals for everyone: 1960-2025
Home >> GMC >> 2016 >> Terrain SL, Gas/Ethanol >> Repair and Diagnosis >> External Pages >> Different car >> Section 94 (Object Detection And Pedestrian Protection System) >> Schematic Wiring Diagrams >> Object Detection Wiring Schematics >> Forward Collision and Lane Departure
April 5, 2026: LEMON Manuals is launched! Read the announcement.

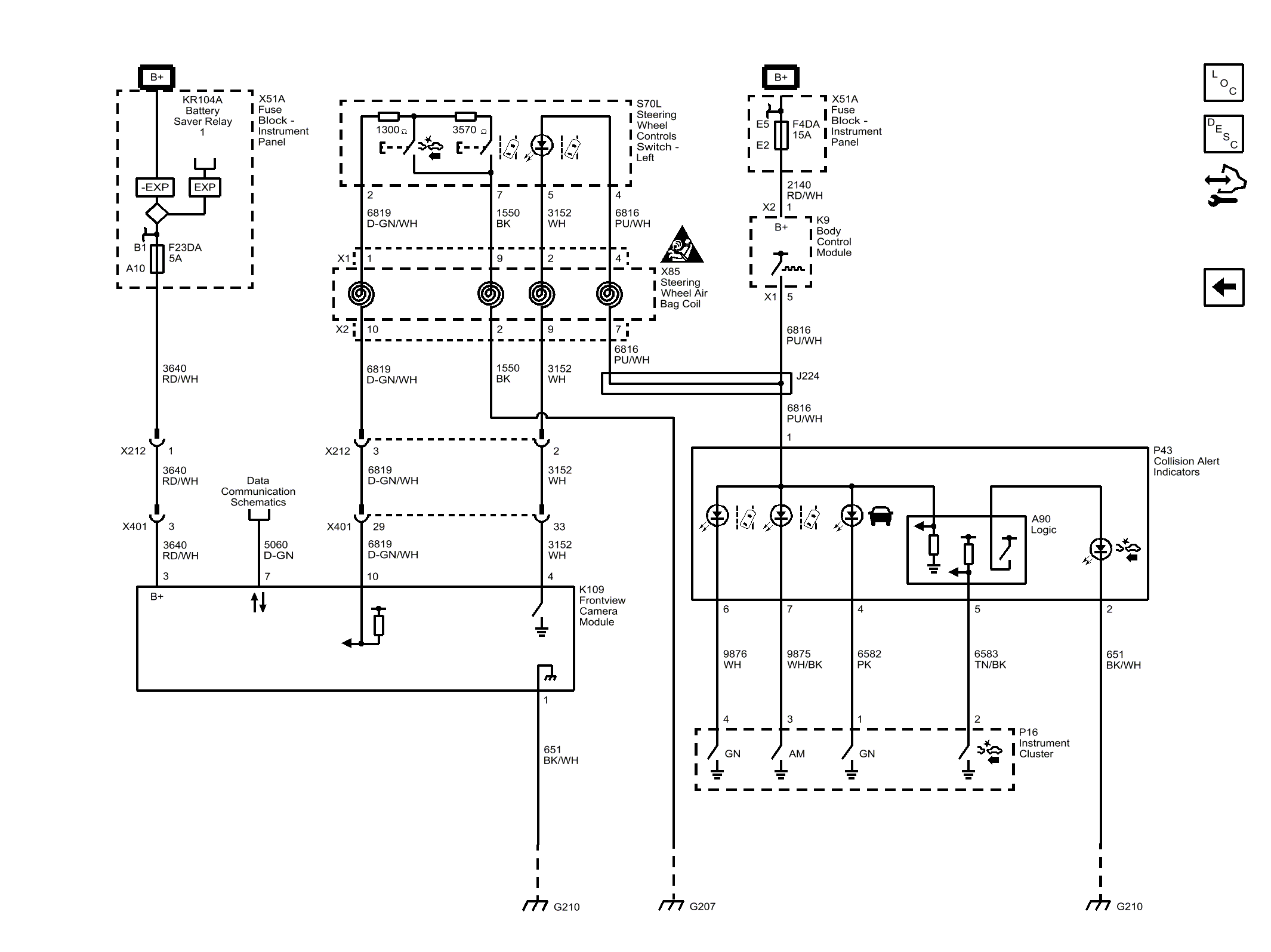
Forward Collision and Lane Departure

WARNING: This page is about a different car, the 2015 GMC Terrain and 2015 Chevrolet Equinox. However, it is still accessible from the selected car via links, so may be relevant.
Fig 1: Forward Collision and Lane Departure
GM3805160Courtesy of GENERAL MOTORS COMPANY