LEMON Manuals: Even more car manuals for everyone: 1960-2025
Home >> GMC >> 2016 >> Terrain SL, Gas >> Repair and Diagnosis >> Accessories & Equipment >> Drivers Assistance Systems - ADAS >> Object Detection System And Pedestrian Protection System >> Schematic Wiring Diagrams >> Object Detection Wiring Schematics >> Forward Collision and Lane Departure
April 5, 2026: LEMON Manuals is launched! Read the announcement.

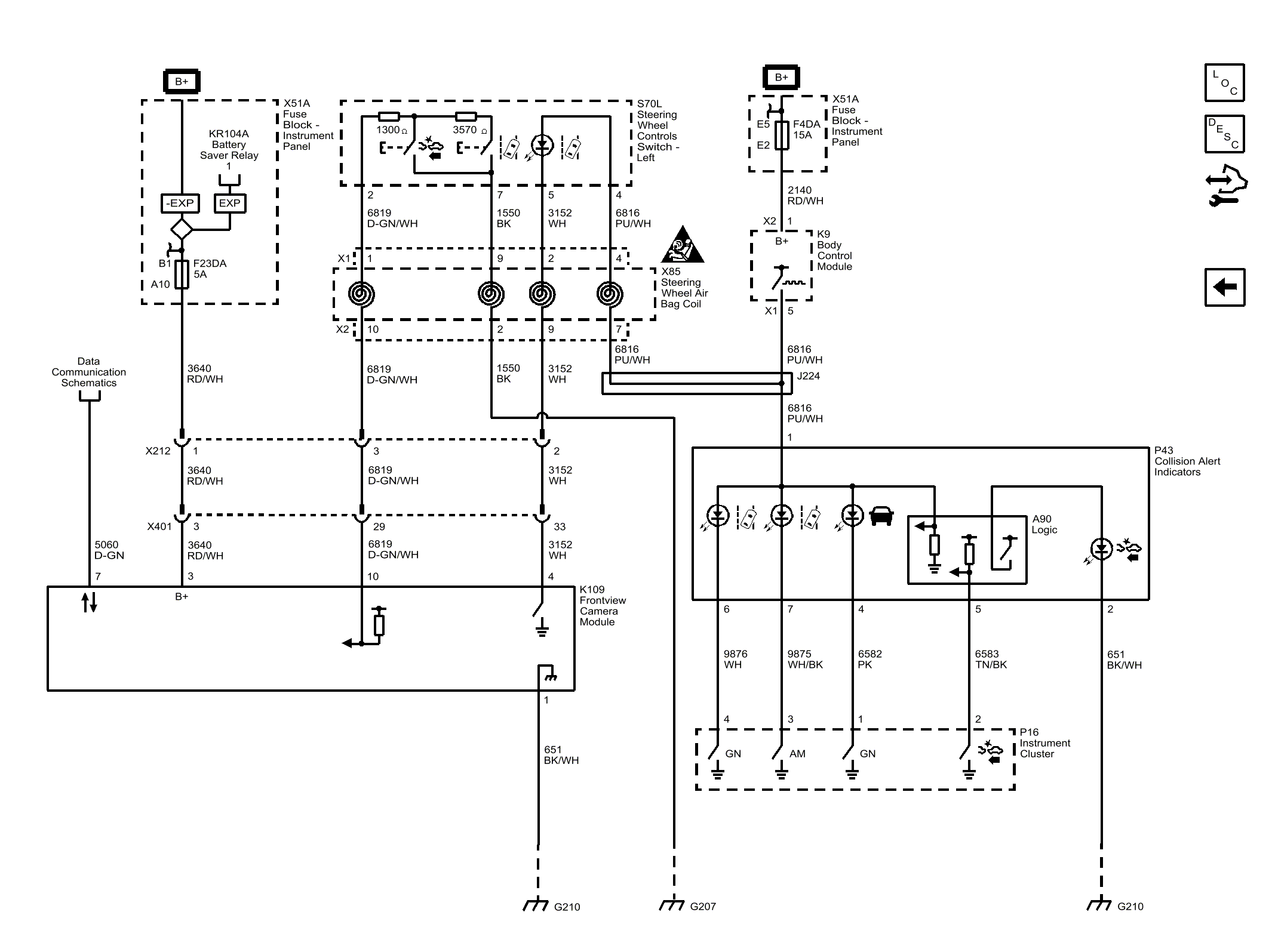
Forward Collision and Lane Departure

Fig 1: Forward Collision and Lane Departure
GM4069879Courtesy of GENERAL MOTORS COMPANY