LEMON Manuals: Even more car manuals for everyone: 1960-2025
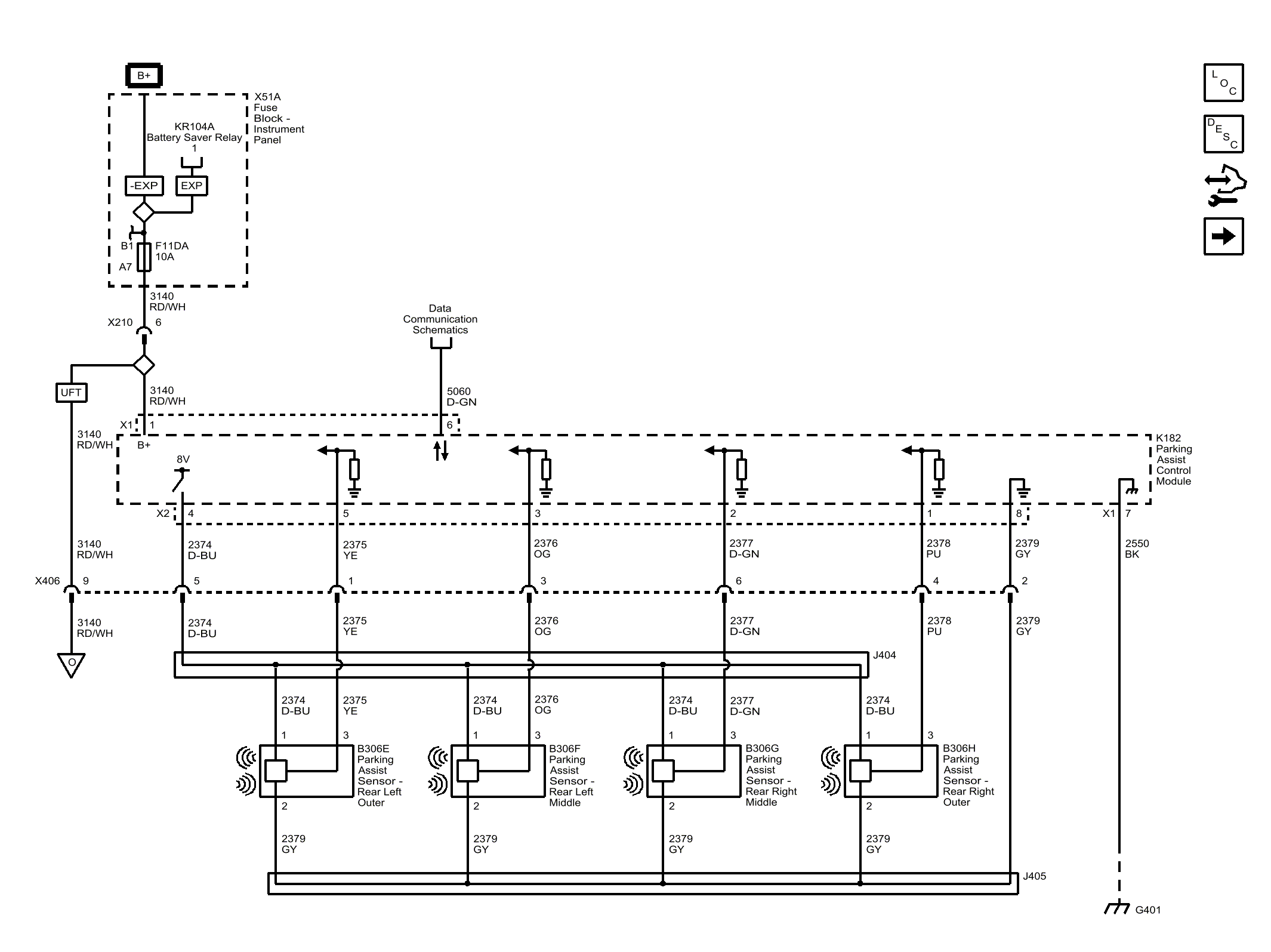
Home >> GMC >> 2017 >> Terrain SL, Gas/Ethanol >> Repair and Diagnosis >> Accessories & Equipment >> Drivers Assistance Systems - ADAS >> Object Detection System And Pedestrian Protection System >> Schematic Wiring Diagrams >> Object Detection Wiring Schematics >> Rear Parking Assist (UD7)
April 5, 2026: LEMON Manuals is launched! Read the announcement.

Rear Parking Assist (UD7)

Fig 1: Rear Parking Assist (UD7)
GM4404468Courtesy of GENERAL MOTORS COMPANY