LEMON Manuals: Even more car manuals for everyone: 1960-2025
Home >> GMC >> 2018 >> Acadia Denali, 4WD >> Repair and Diagnosis >> External Pages >> Different car >> Section 1 (Object Detection System And Pedestrian Protection System) >> Schematic Wiringing Diagrams >> Object Detection Wiring Schematics >> Park Assist - Power, Ground, Serial Data and Control (UD7 or UD5)
April 5, 2026: LEMON Manuals is launched! Read the announcement.

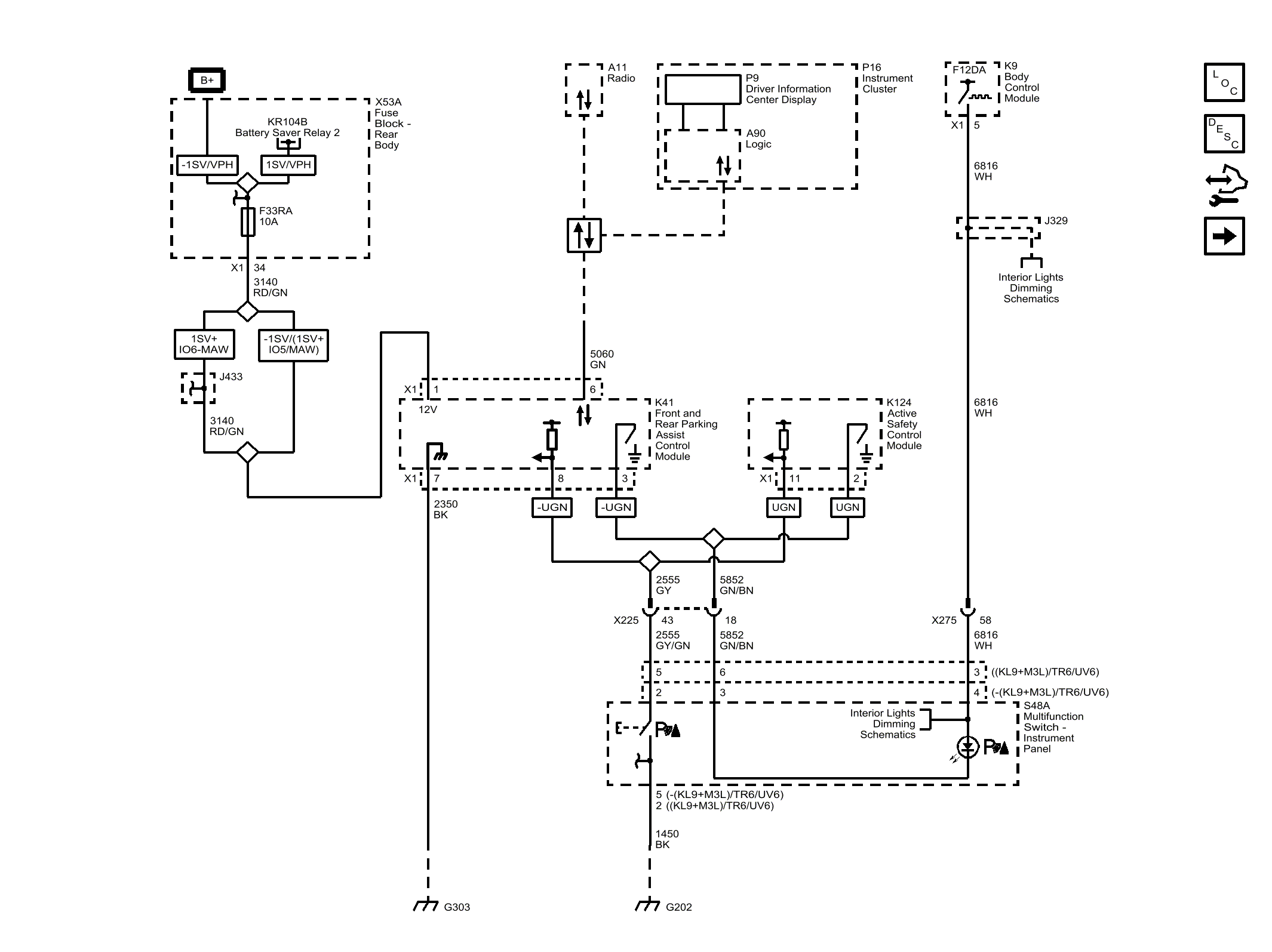
Park Assist - Power, Ground, Serial Data and Control (UD7 or UD5)

WARNING: This page is about a different car, the 2016 Cadillac ATS. However, it is still accessible from the selected car via links, so may be relevant.
Fig 1: Park Assist - Power, Ground, Serial Data and Control (UD7 or UD5)
GM4054950Courtesy of GENERAL MOTORS COMPANY