LEMON Manuals: Even more car manuals for everyone: 1960-2025
Home >> GMC >> 2018 >> Canyon SL >> Repair and Diagnosis >> External Pages >> Different car >> Section 42 (Cellular System, Entertainment System, And Navigation System) >> Schematic Wiring Diagrams >> Radio/Navigation System Wiring Schematics (IOB, IO5, IO6) >> Auxiliary Inputs
April 5, 2026: LEMON Manuals is launched! Read the announcement.

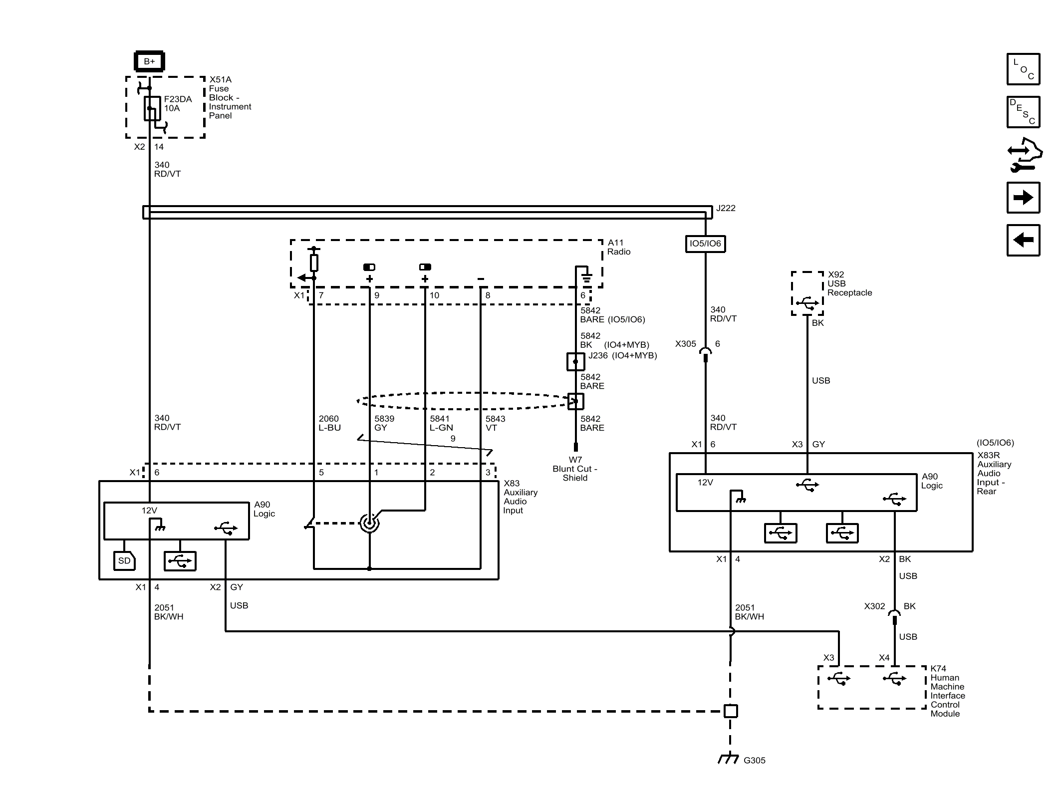
Auxiliary Inputs

WARNING: This page is about a different car, the 2017 GMC Canyon and 2017 Chevrolet Colorado. However, it is still accessible from the selected car via links, so may be relevant.
Fig 1: Auxiliary Inputs
GM4507496Courtesy of GENERAL MOTORS COMPANY