LEMON Manuals: Even more car manuals for everyone: 1960-2025
Home >> GMC >> 2021 >> Acadia AT4 >> Repair and Diagnosis >> External Pages >> Different car >> Section 108 (Driver Assistance Systems) >> Schematic Wiring Diagrams >> Driver Assistance Systems Wiring Schematics >> 360 Degree Vision - Module Power, Ground, Serial Data, and Camera Signals (UVH)
April 5, 2026: LEMON Manuals is launched! Read the announcement.

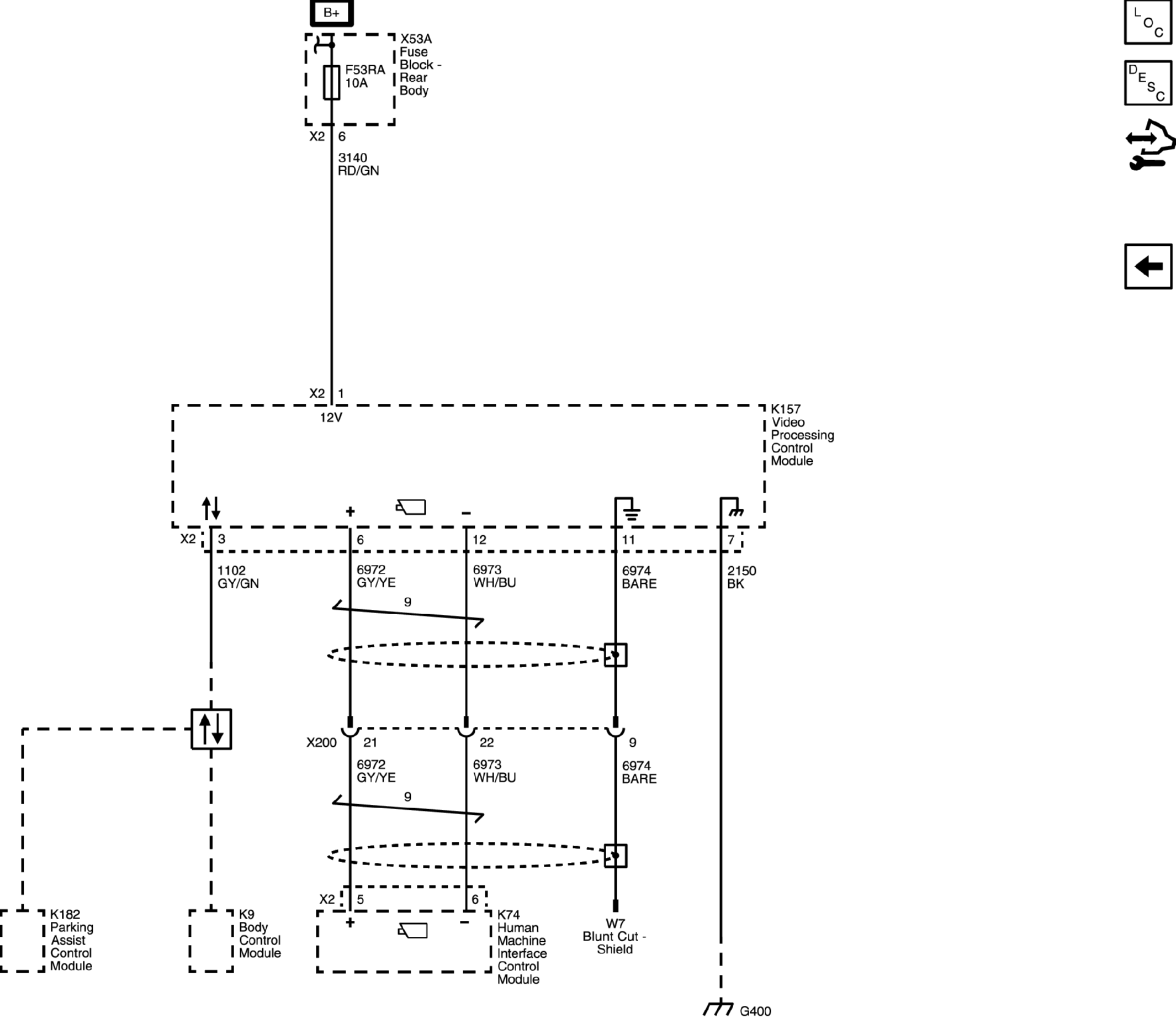
360 Degree Vision - Module Power, Ground, Serial Data, and Camera Signals (UVH)

WARNING: This page is about a different car, the 2019 GMC Acadia. However, it is still accessible from the selected car via links, so may be relevant.
GM4894555Courtesy of GENERAL MOTORS COMPANY