LEMON Manuals: Even more car manuals for everyone: 1960-2025
Home >> Genesis >> 2021 >> G80 2.5T Advanced, AWD >> Repair and Diagnosis >> Body & Frame >> Seats >> Integrated Memory System (IMS) >> Memory Power Seat Unit >> Schematic Diagrams >> Circuit Diagram >> Assist memory Power Seat Module (APSM)
April 5, 2026: LEMON Manuals is launched! Read the announcement.

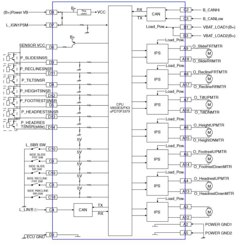
Assist memory Power Seat Module (APSM)

G15550117Courtesy of HYUNDAI MOTOR AMERICA