LEMON Manuals: Even more car manuals for everyone: 1960-2025
Home >> Genesis >> 2021 >> G90 5.0 Ultimate, RWD >> Repair and Diagnosis >> Body & Frame >> Windows >> Power Windows >> Power Window Motor >> Components And Components Location >> Components
April 5, 2026: LEMON Manuals is launched! Read the announcement.

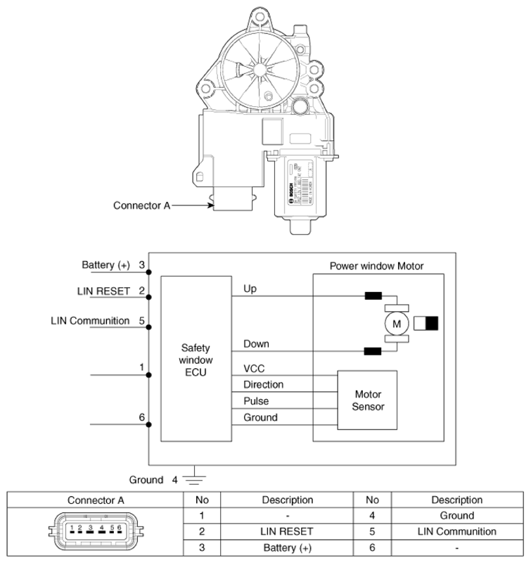
Components And Components Location: Components

G14236182Courtesy of HYUNDAI MOTOR AMERICA