LEMON Manuals: Even more car manuals for everyone: 1960-2025
Home >> Geo >> 1993 >> Metro L3-61 1.0L >> Repair and Diagnosis >> Powertrain Management >> Diagrams >> Electrical Diagrams >> Electronic/Powertrain Control Module (ECM/PCM)
April 5, 2026: LEMON Manuals is launched! Read the announcement.

Electronic/Powertrain Control Module (ECM/PCM)

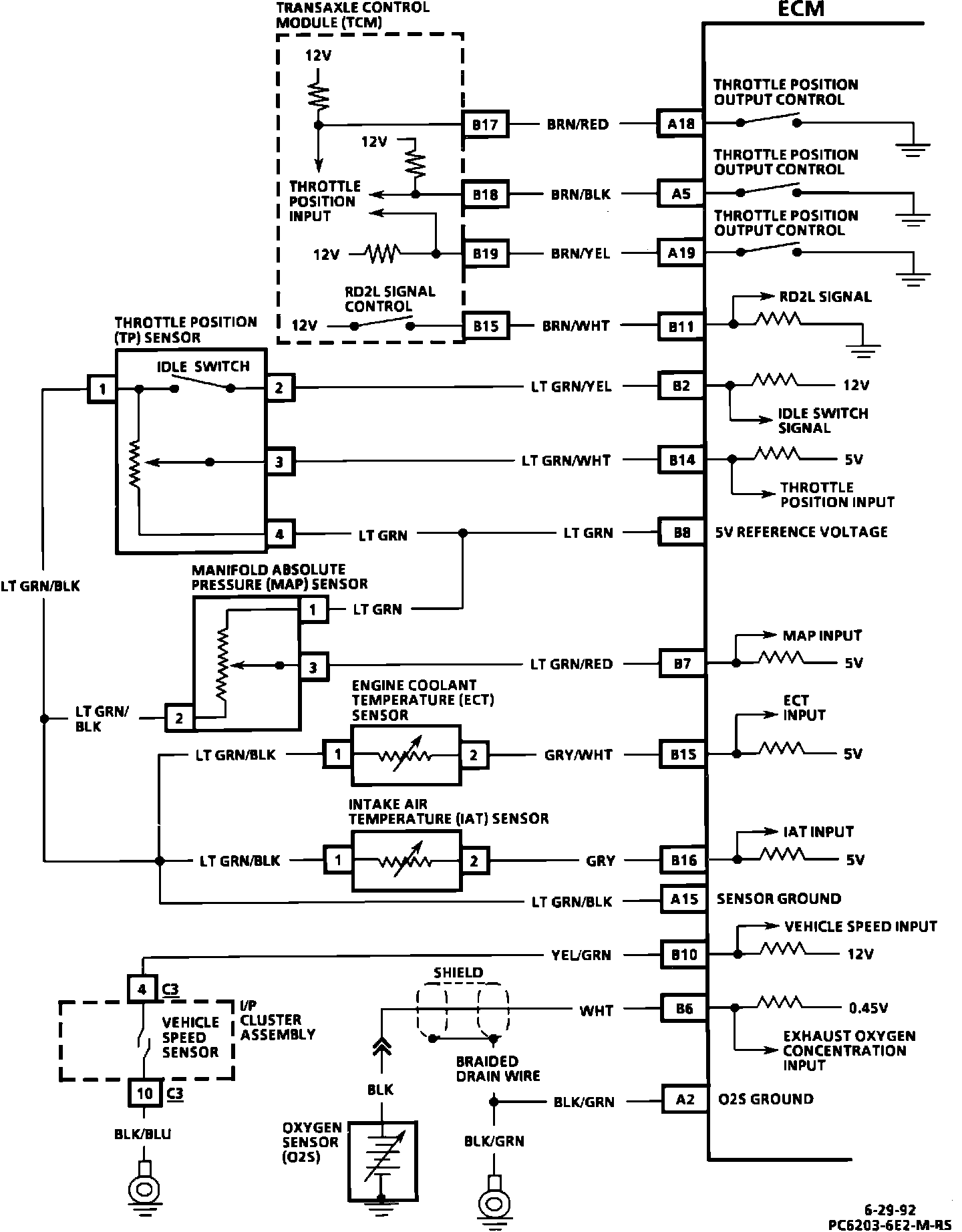
ECM Wiring 93 Metro:



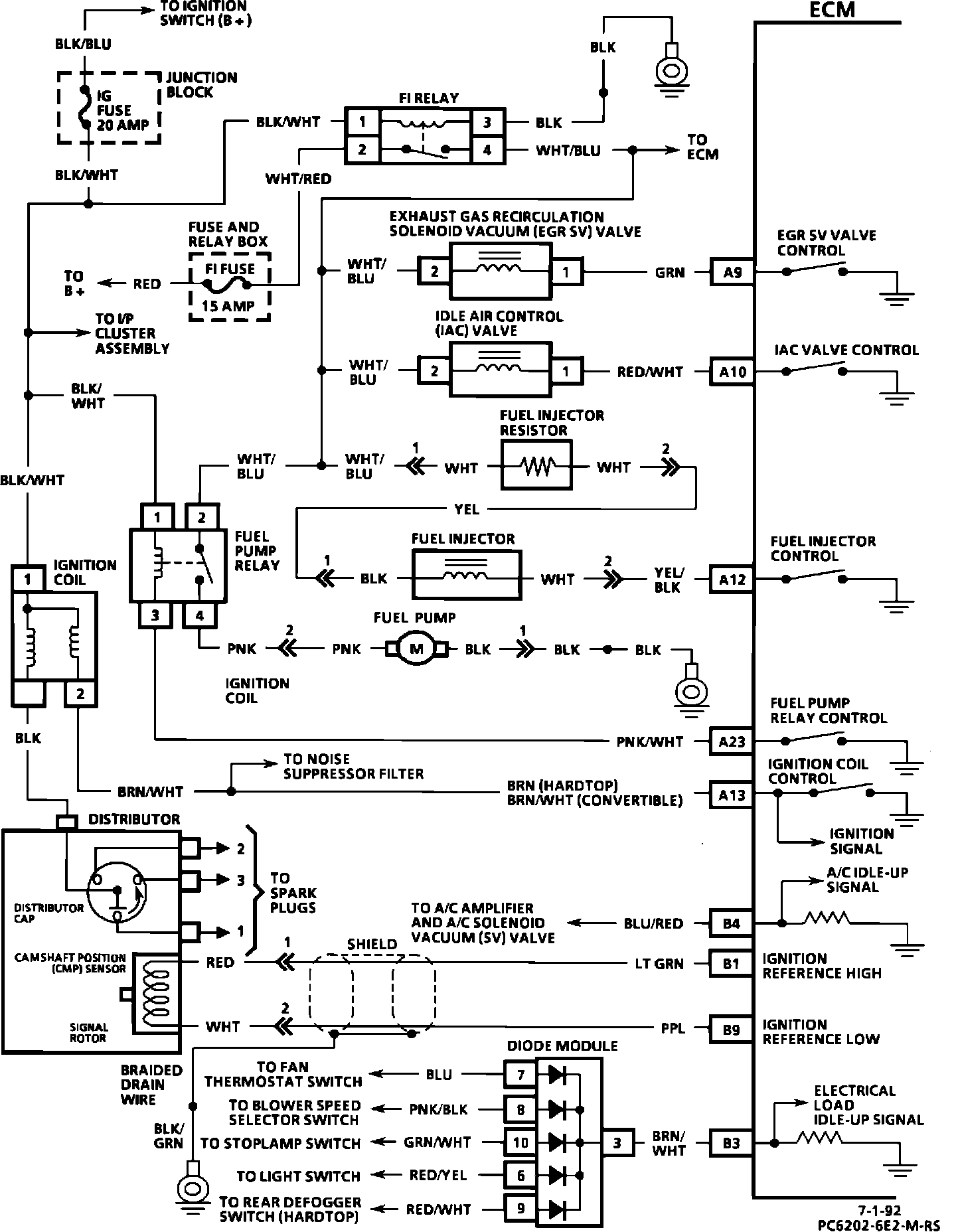
ECM Wiring 93 Metro:



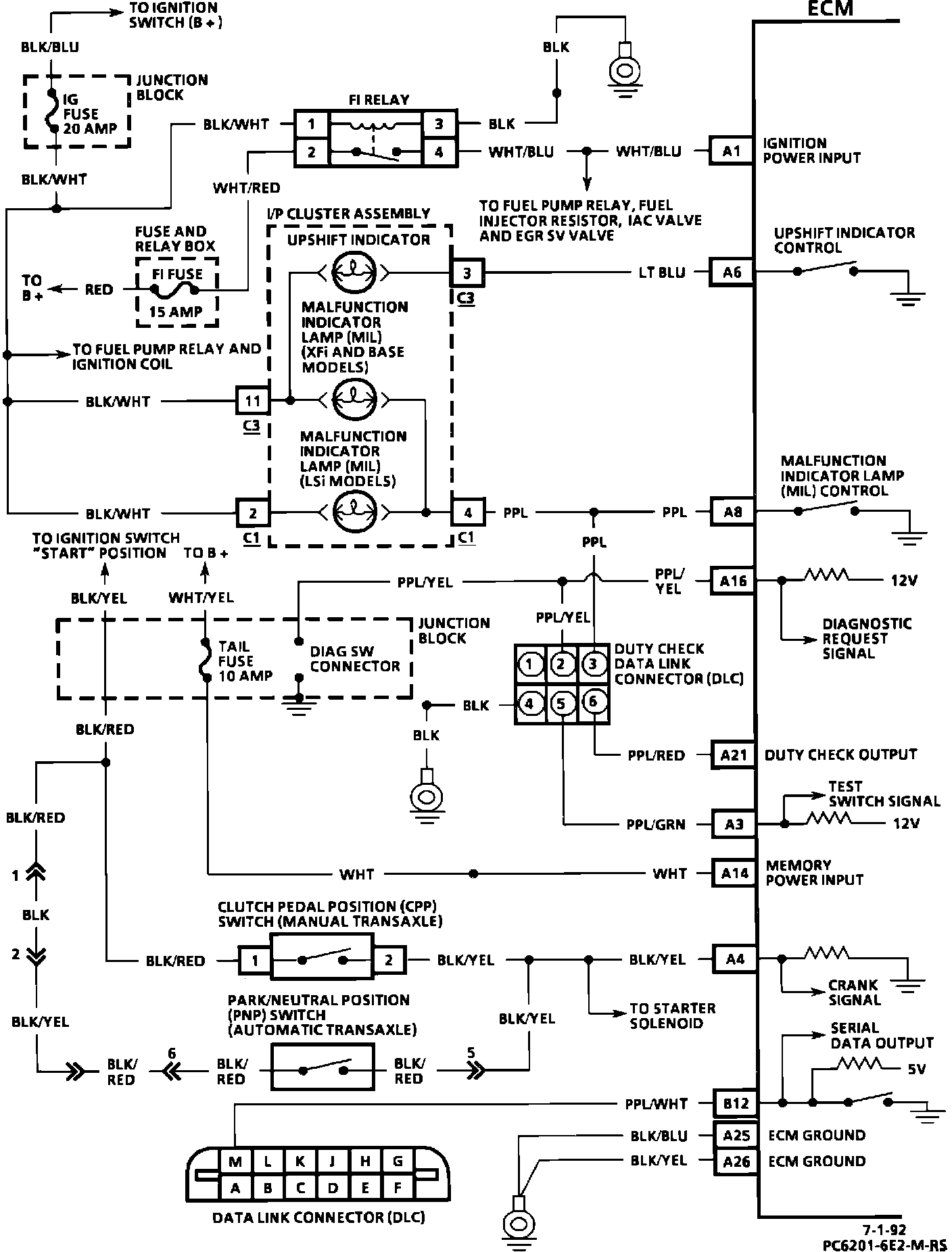
ECM Wiring 93 Metro: