LEMON Manuals: Even more car manuals for everyone: 1960-2025
Home >> Geo >> 1994 >> Prizm Base, Automatic >> Repair and Diagnosis (Single Page) >> Engine Performance >> System >> Engine Controls - Basic Testing >> DIAGNOSTIC CHARTS - LSi >> Chart A2-7A, Fuel System Diagnosis (Circuit Opening Relay Check) >> Diagnostic Aids
April 5, 2026: LEMON Manuals is launched! Read the announcement.

Diagnostic Aids

A restricted or leaking fuel feed pipe or hose will cause an "engine cranks but will not run" condition. Check fuel sender assembly connections inside fuel tank for poor connection. See CHART A2-7B  for fuel system pressure test.

An intermittent may be caused by a poor connection, rubbed-through wire insulation, or a wire broken inside insulation. Inspect harness connectors for backed-out terminals, improper mating, broken locks, improperly formed or damaged terminals, and poor terminal-to-wire connections before replacing components.

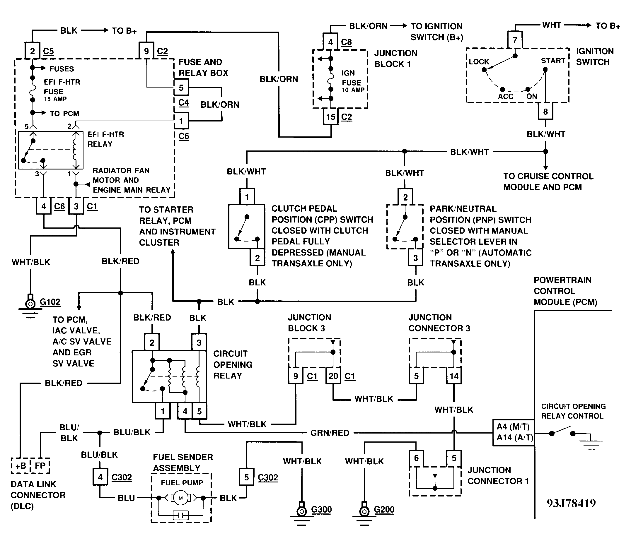
Fig 1: Chart A2-7A Schematic - LSi Fuel System Diagnosis - Circuit Opening Relay Check
G93J78419
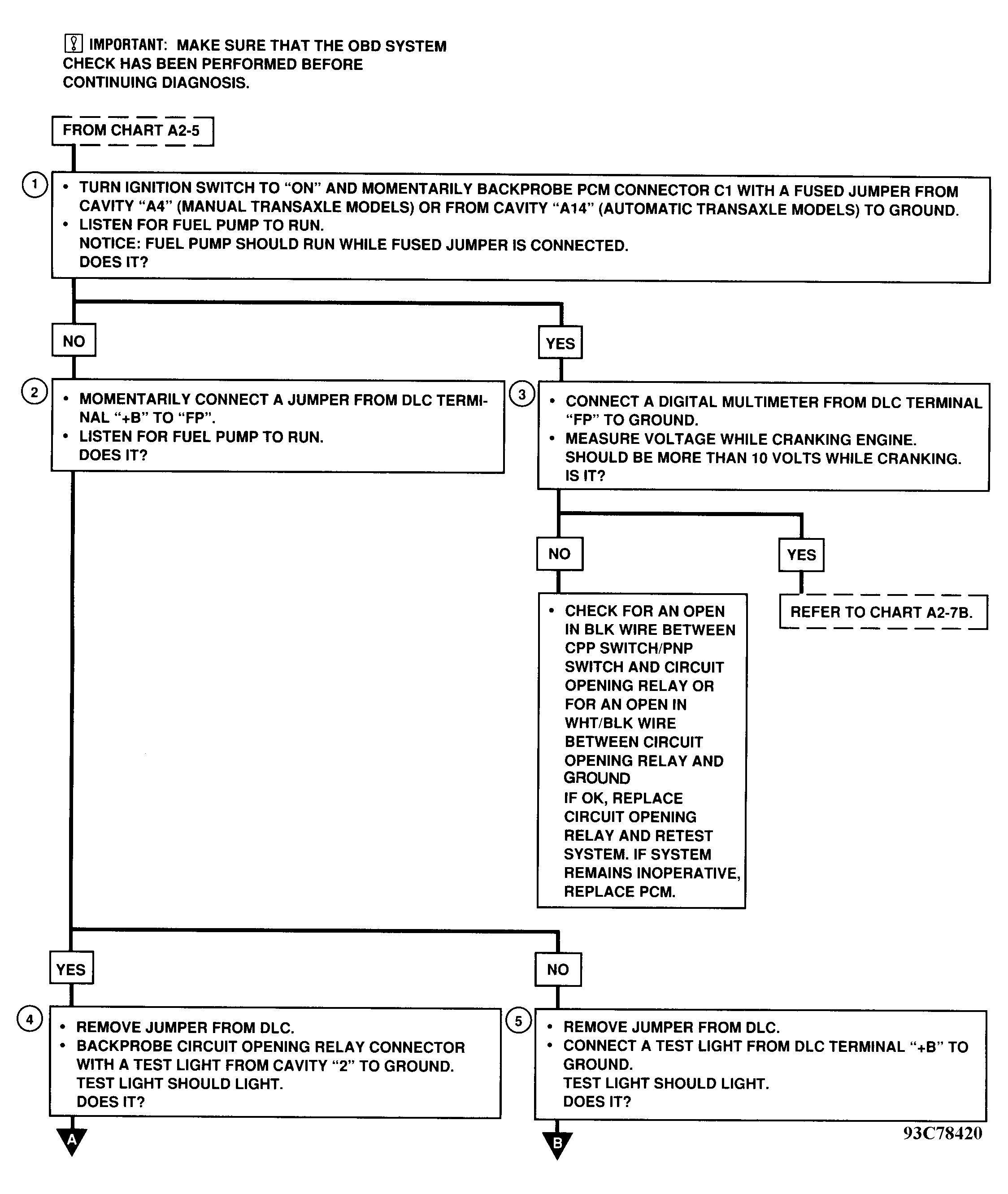
Fig 2: Chart A2-7A Flow Chart - LSi Fuel System Diagnosis - Circuit Opening Relay Check - 1 of 2
G93C78420
Fig 3: Chart A2-7A Flow Chart - LSi Fuel System Diagnosis - Circuit Opening Relay Check - 2 of 2
G93B78478