LEMON Manuals: Even more car manuals for everyone: 1960-2025
Home >> Honda >> 2003 >> CR-V EX, Standard >> Repair and Diagnosis >> Accessories & Equipment >> Memory Modules >> Multiplex Control System >> Circuit Diagram
April 5, 2026: LEMON Manuals is launched! Read the announcement.

Circuit Diagram

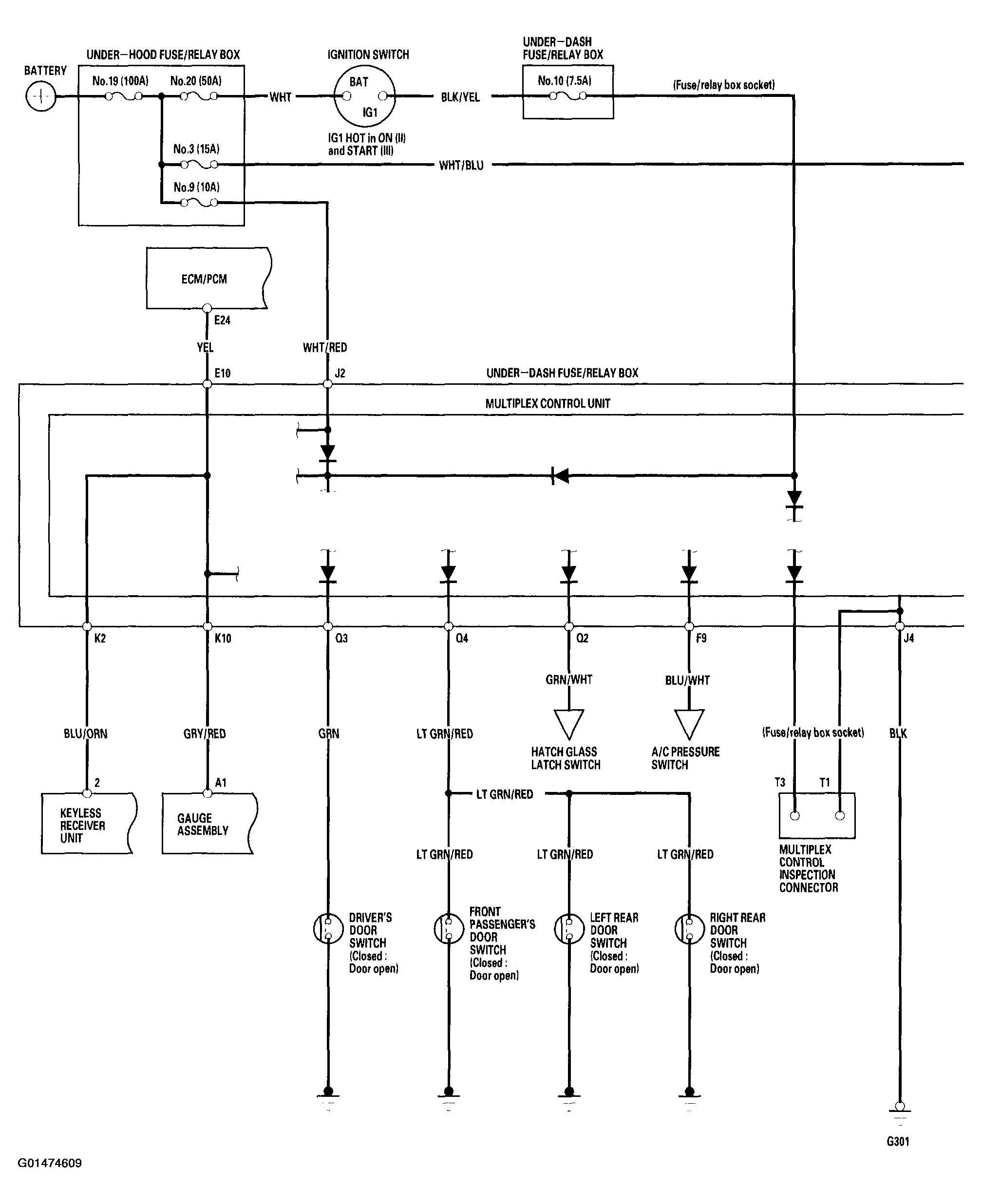
Fig 1: Multiplex Control System Circuit Diagram (1 of 2)
G01474609Courtesy of AMERICAN HONDA MOTOR CO., INC.
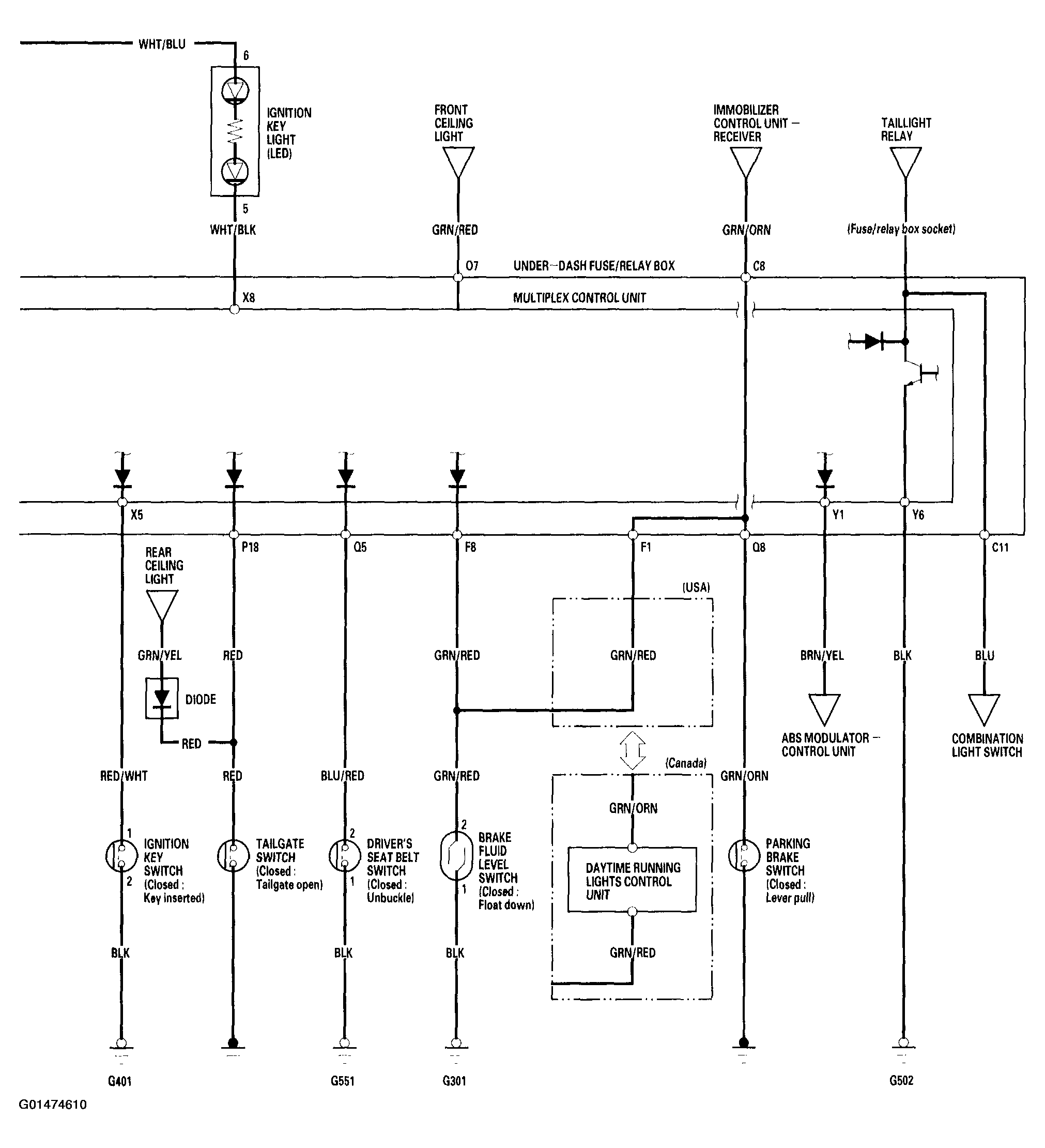
Fig 2: Multiplex Control System Circuit Diagram (2 of 2)
G01474610Courtesy of AMERICAN HONDA MOTOR CO., INC.