LEMON Manuals: Even more car manuals for everyone: 1960-2025
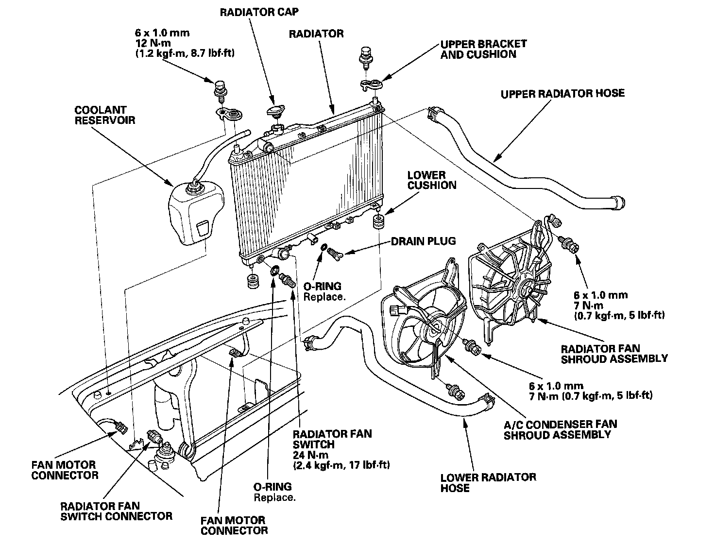
Home >> Honda >> 2004 >> S2000 L4-2.2L >> Repair and Diagnosis >> Diagrams >> Exploded Views >> Cooling System >> Radiator
April 5, 2026: LEMON Manuals is launched! Read the announcement.

Radiator