LEMON Manuals: Even more car manuals for everyone: 1960-2025
Home >> Honda >> 2007 >> Accord L4-2.4L >> Repair and Diagnosis >> Diagrams >> Electrical Diagrams >> Powertrain Management >> System Diagram >> Control Module Circuit Diagrams >> ECM/PCM Circuit Diagrams
April 5, 2026: LEMON Manuals is launched! Read the announcement.

ECM/PCM Circuit Diagrams

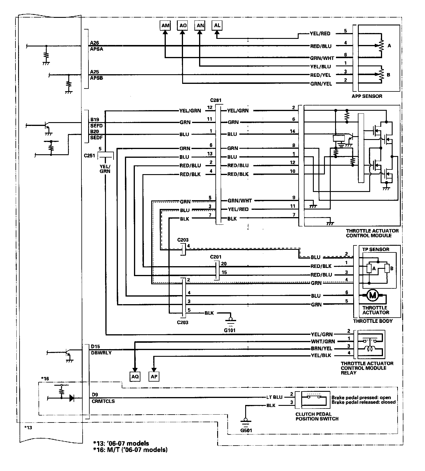
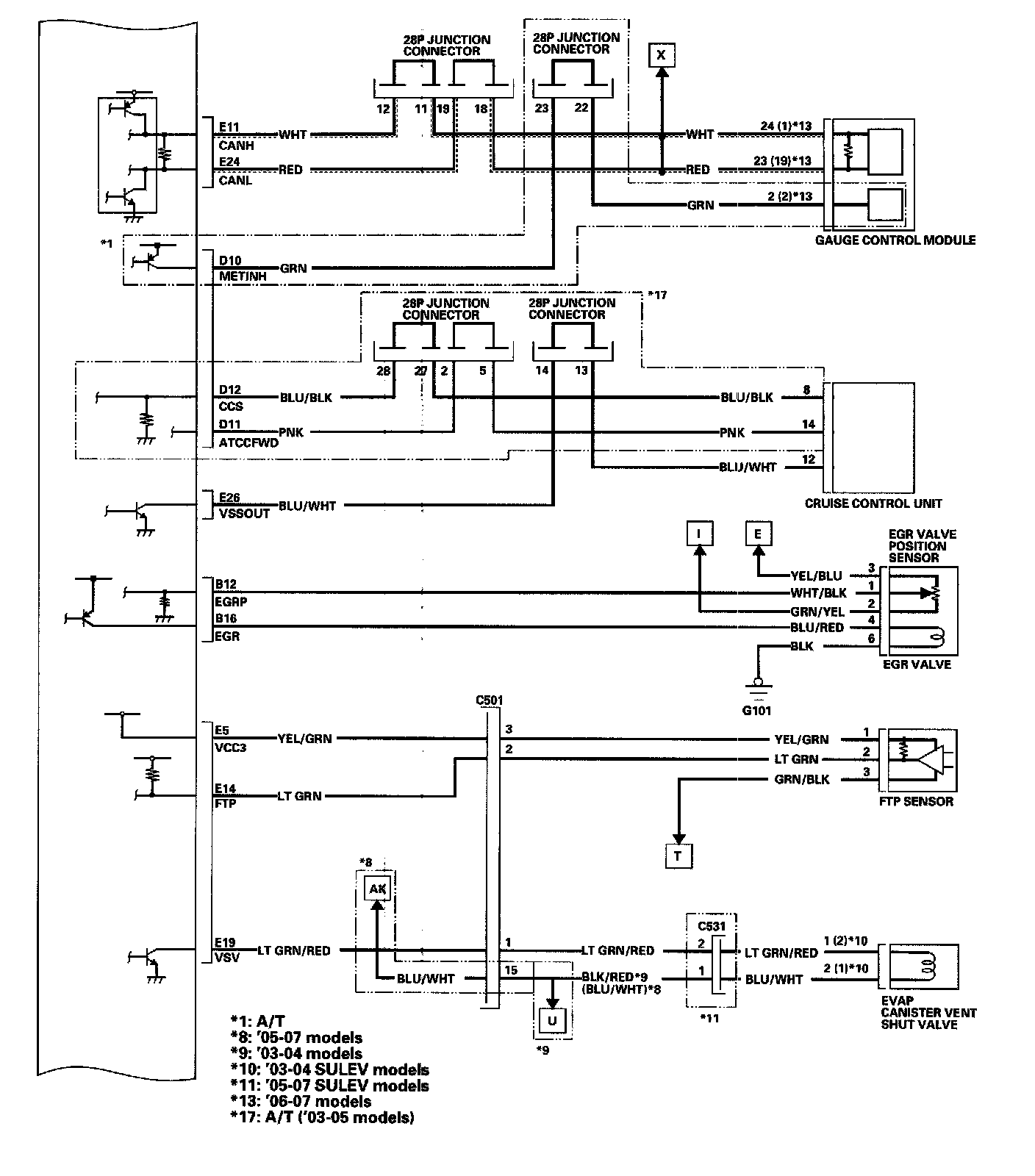
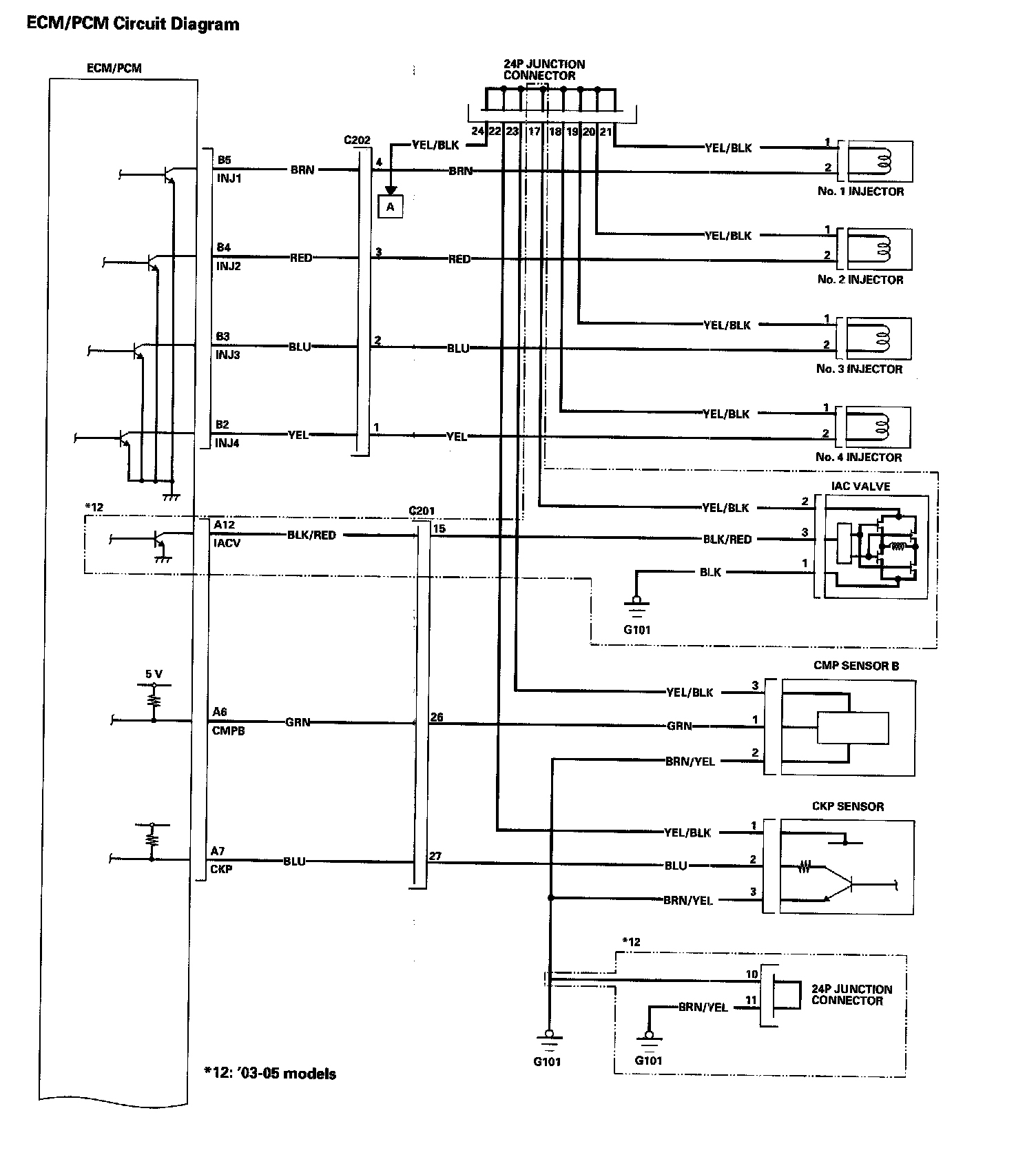
ECM/PCM Circuit Diagram Part 1:



ECM/PCM Circuit Diagram Part 2:



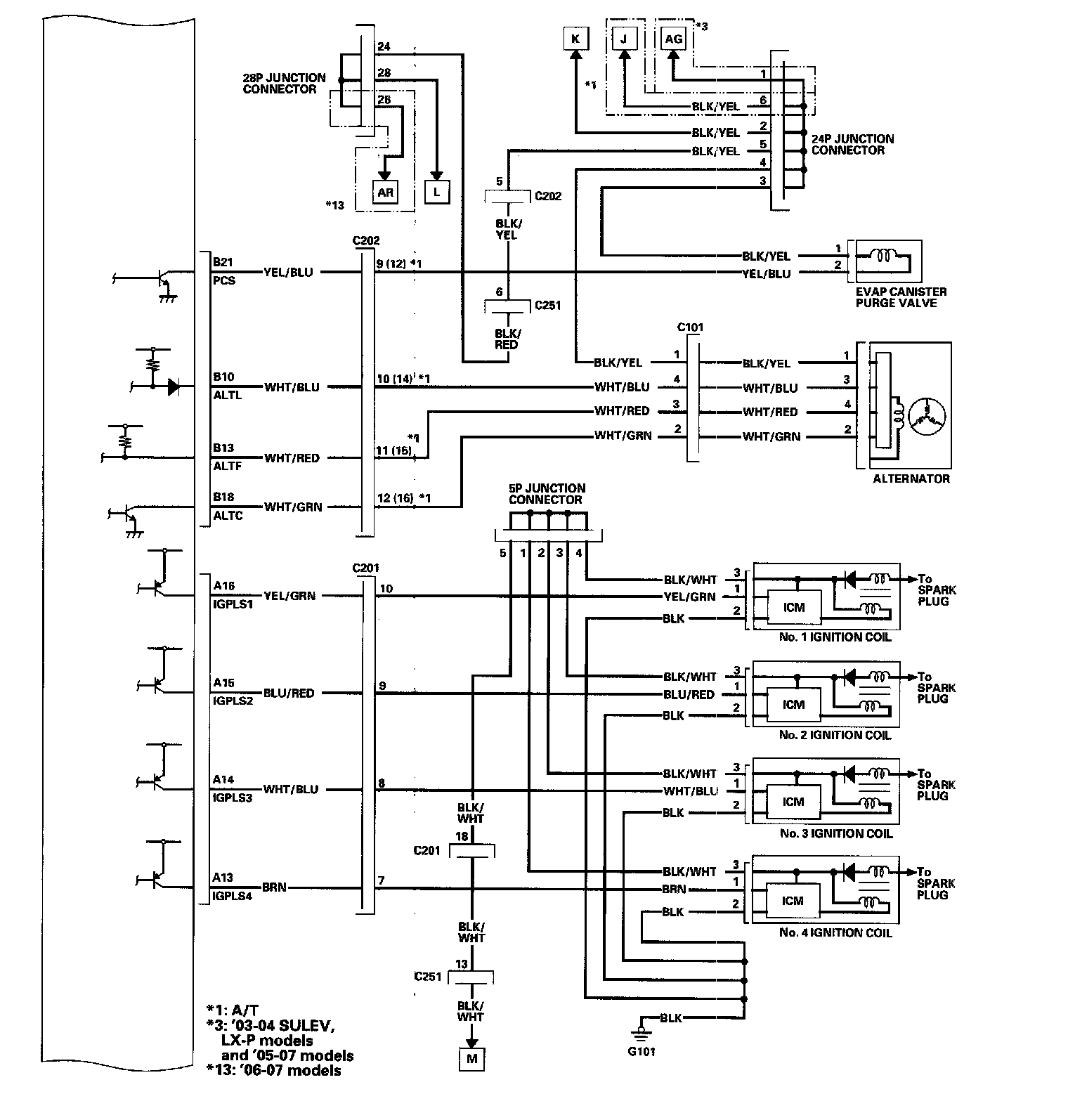
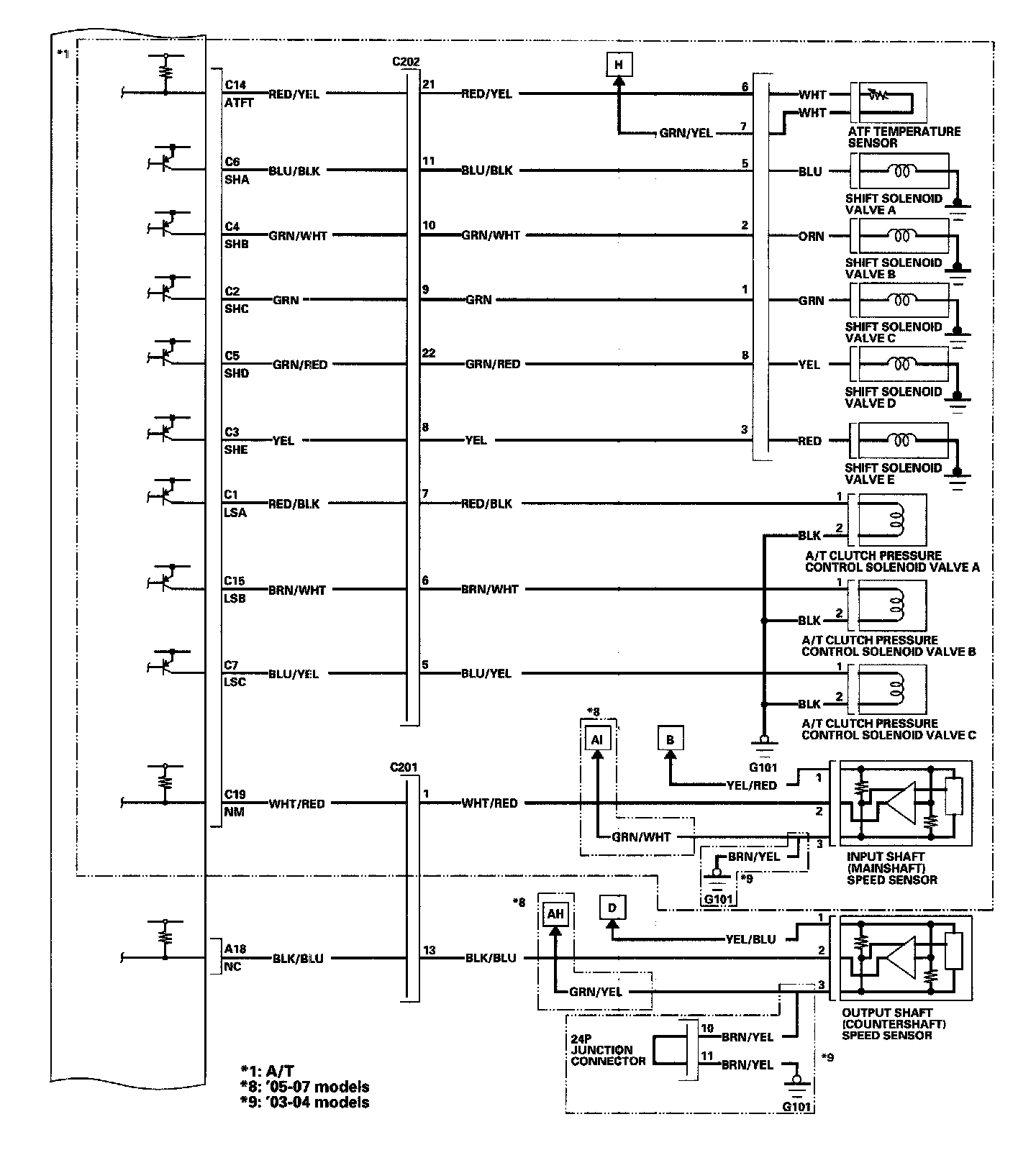
ECM/PCM Circuit Diagram Part 3:



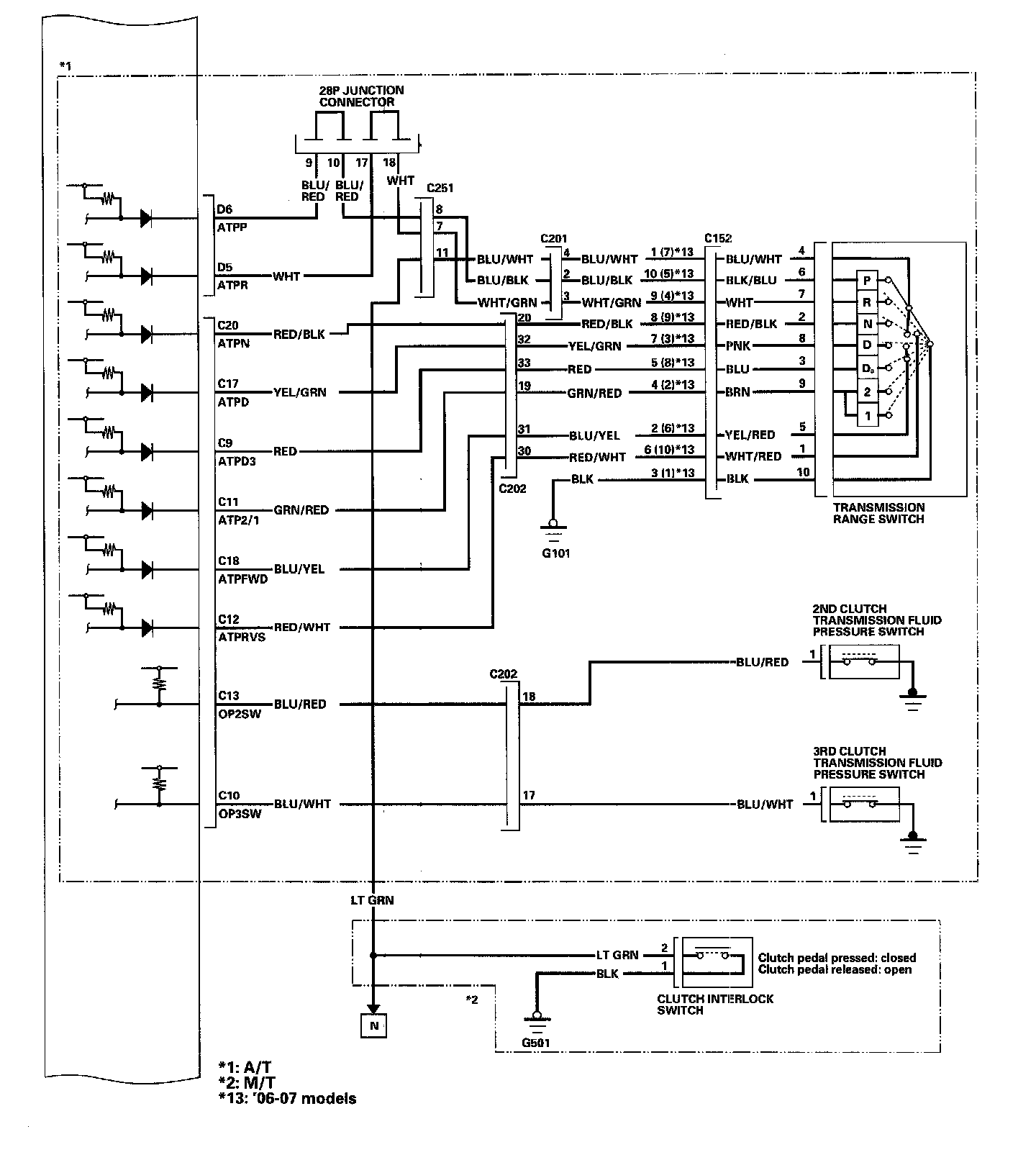
ECM/PCM Circuit Diagram Part 4:



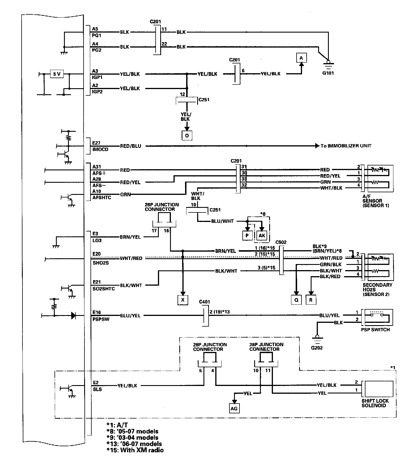
ECM/PCM Circuit Diagram Part 5:



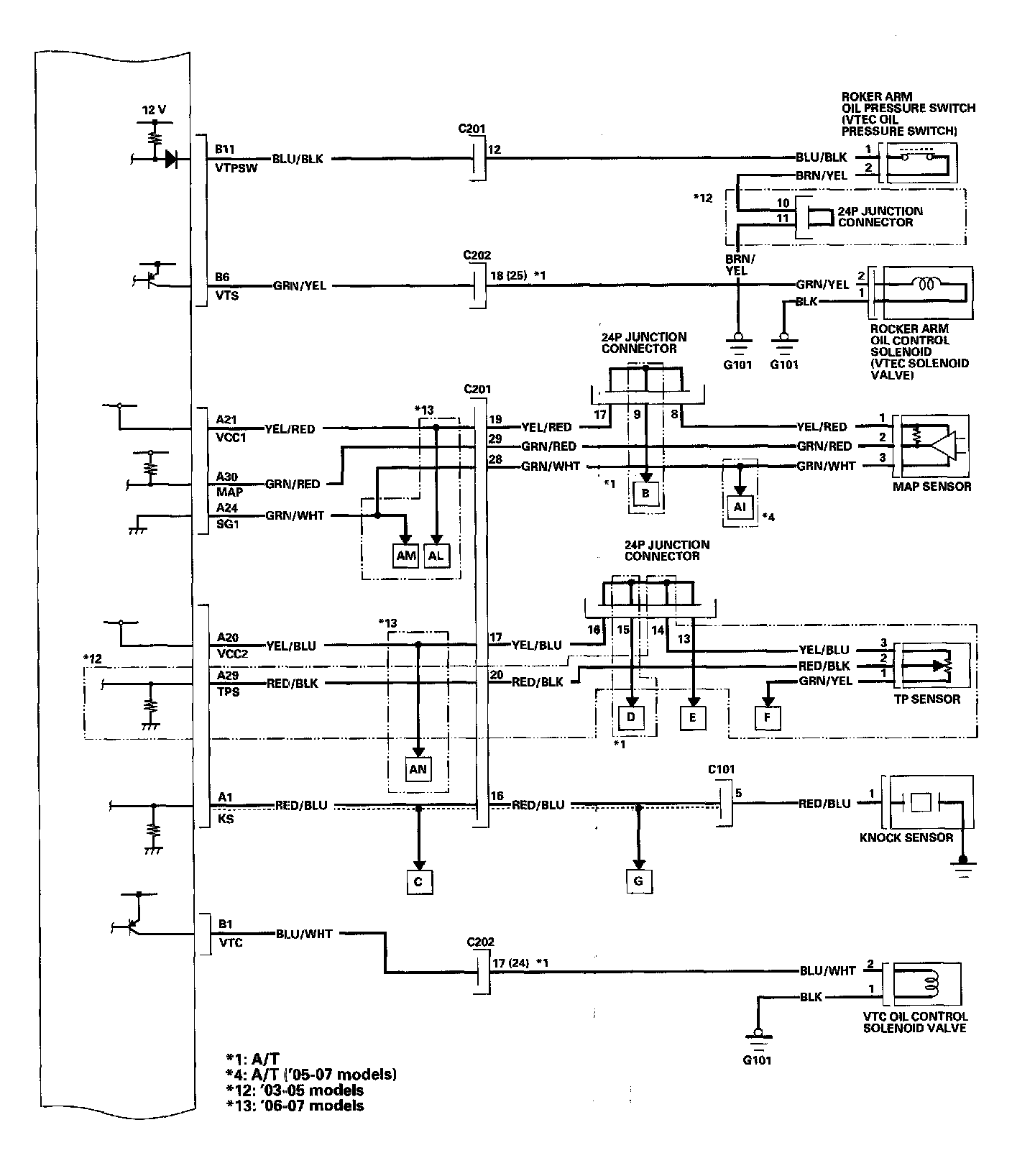
ECM/PCM Circuit Diagram Part 6:



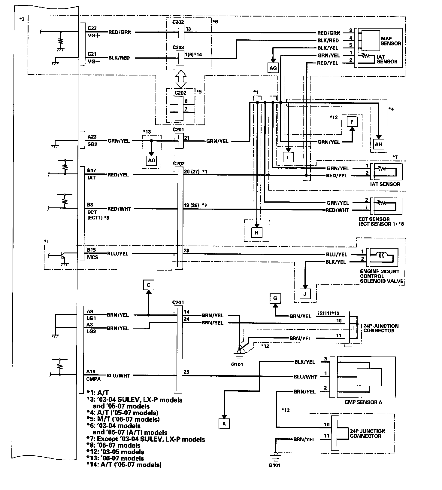
ECM/PCM Circuit Diagram Part 7:



ECM/PCM Circuit Diagram Part 8:



ECM/PCM Circuit Diagram Part 9:



ECM/PCM Circuit Diagram Part 10:



ECM/PCM Circuit Diagram Part 11: