LEMON Manuals: Even more car manuals for everyone: 1960-2025
Home >> Honda >> 2007 >> Ridgeline RT >> Repair and Diagnosis >> Transmission >> Automatic Trans >> Automatic Transmission >> System Description >> Lock-up System >> Circuit Diagram - PCM A/T Control System
April 5, 2026: LEMON Manuals is launched! Read the announcement.

Circuit Diagram - PCM A/T Control System

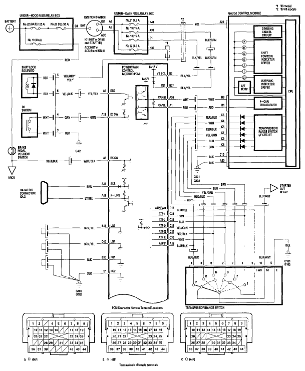
Fig 1: Circuit Diagram - PCM A/T Control System (1 Of 2)
G05592273Courtesy of AMERICAN HONDA MOTOR CO., INC.
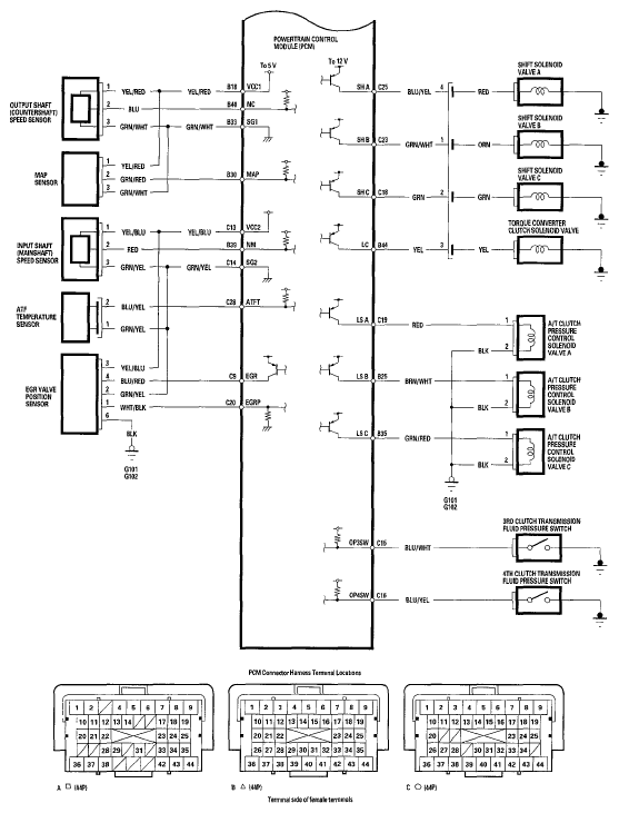
Fig 2: Circuit Diagram - PCM A/T Control System (2 Of 2)
G05592274Courtesy of AMERICAN HONDA MOTOR CO., INC.