LEMON Manuals: Even more car manuals for everyone: 1960-2025
Home >> Honda >> 2008 >> Fit Base, Standard >> Repair and Diagnosis >> External Pages >> Different car >> Section 35 (Audio System & Visual System) >> Audio And Visual System >> Stereo Component Amplifier Power Source Circuit >> Wiring Diagram
April 5, 2026: LEMON Manuals is launched! Read the announcement.

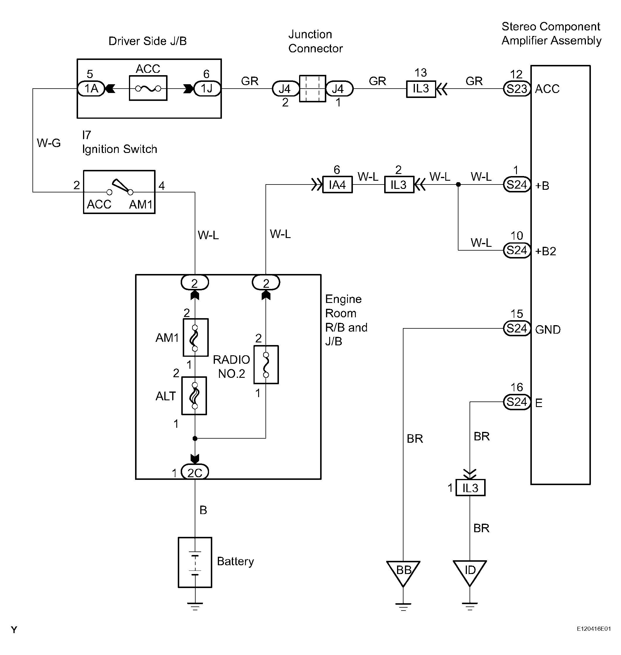
Stereo Component Amplifier Power Source Circuit: Wiring Diagram

WARNING: This page is about a different car, the 2007 Toyota Tacoma. However, it is still accessible from the selected car via links, so may be relevant.
Fig 1: Stereo Component Amplifier Power Source Circuit Diagram
G04412745Courtesy of © TOYOTA, LICENSE AGREEMENT TMS1002