LEMON Manuals: Even more car manuals for everyone: 1960-2025
Home >> Honda >> 2008 >> S2000 Base >> Repair and Diagnosis >> Engine Performance >> Fuel Delivery >> Fuel And Emissions Systems >> System Description >> Electronic Control System >> ECM Electrical Connections
April 5, 2026: LEMON Manuals is launched! Read the announcement.

ECM Electrical Connections

Fig 1: ECM Electrical Connections Diagram (1 Of 4)
G03692918Courtesy of AMERICAN HONDA MOTOR CO., INC.
Fig 2: ECM Electrical Connections Diagram (2 Of 4)
G03692919Courtesy of AMERICAN HONDA MOTOR CO., INC.
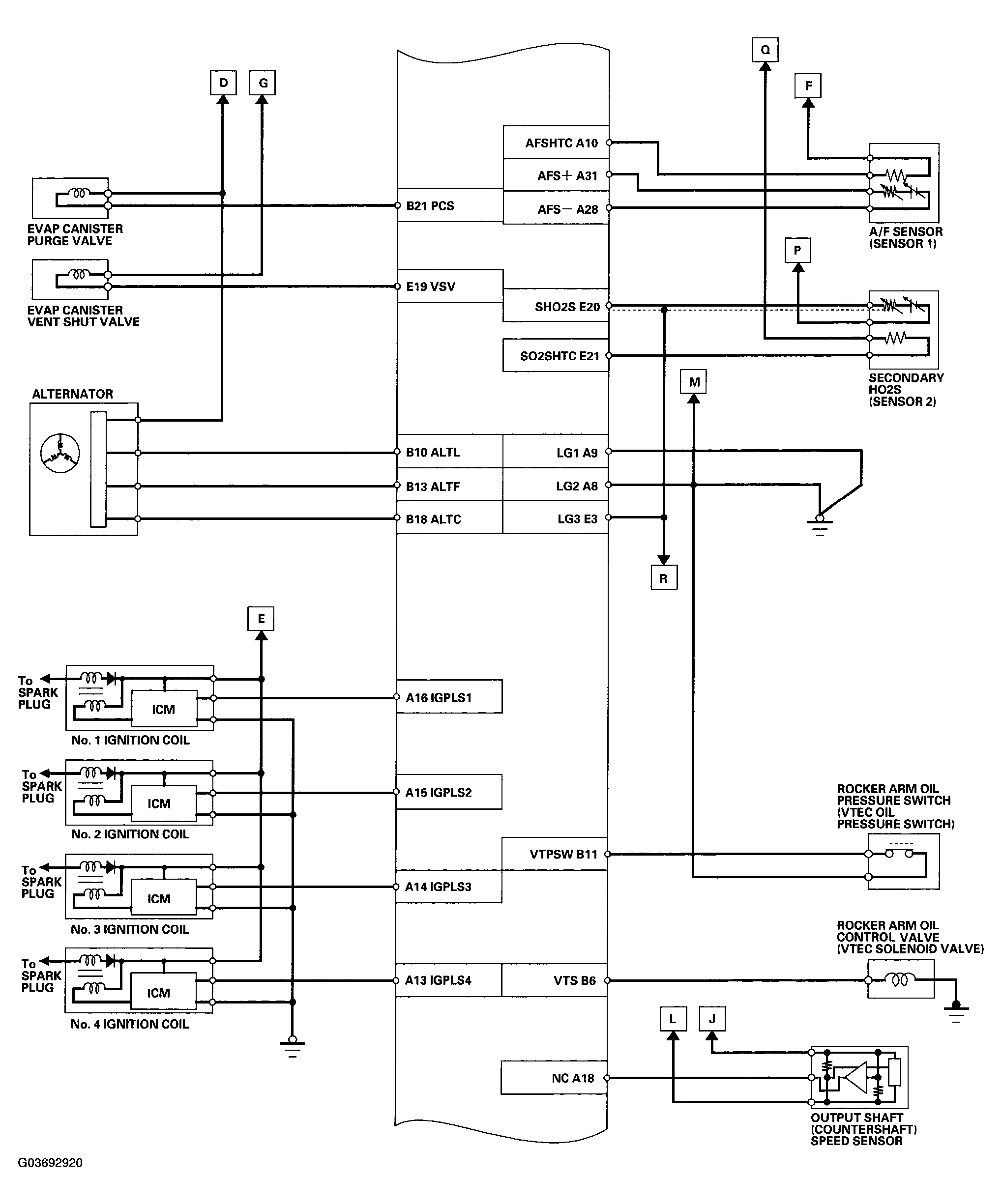
Fig 3: ECM Electrical Connections Diagram (3 Of 4)
G03692920Courtesy of AMERICAN HONDA MOTOR CO., INC.
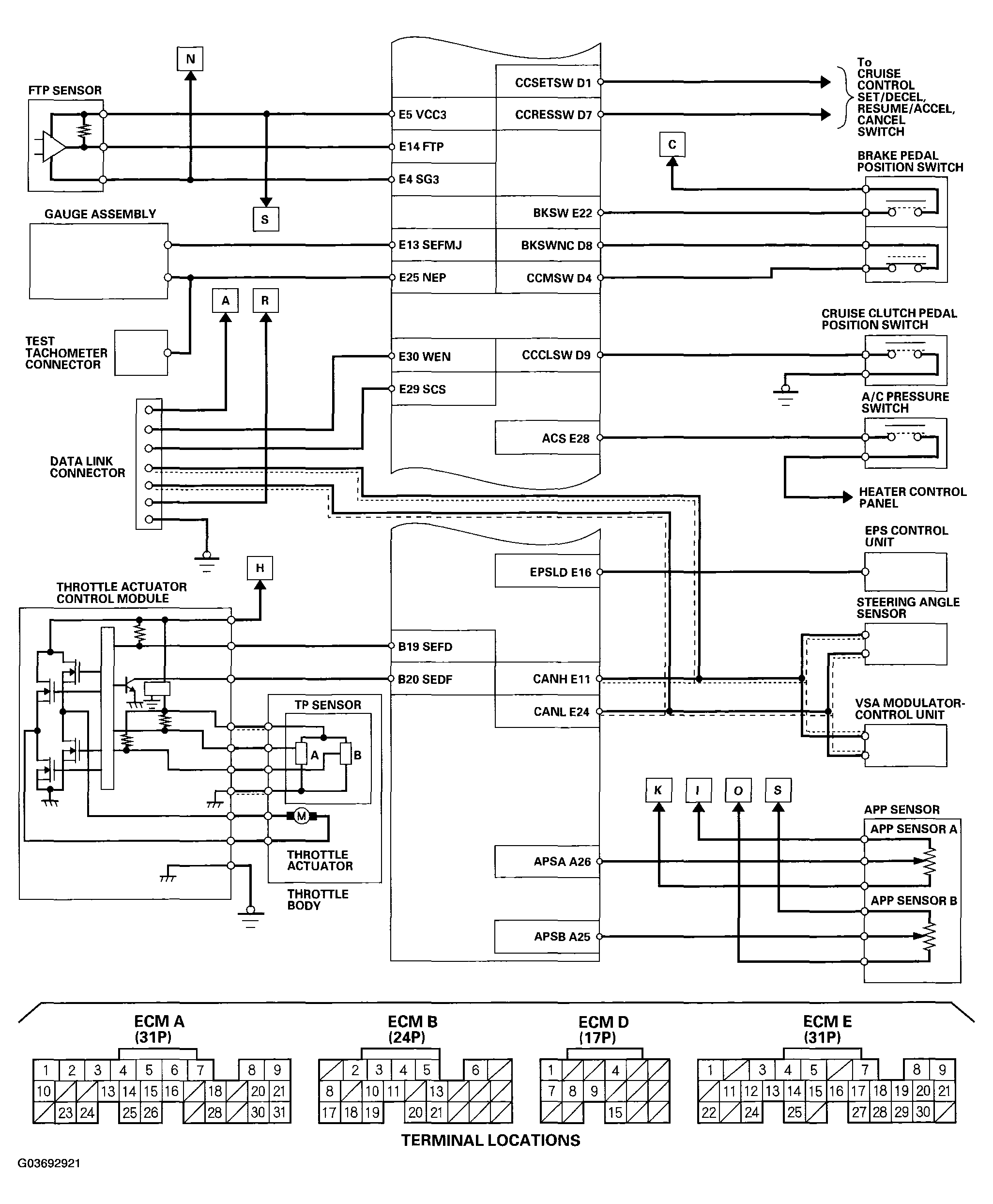
Fig 4: ECM Electrical Connections Diagram (4 Of 4)
G03692921Courtesy of AMERICAN HONDA MOTOR CO., INC.