LEMON Manuals: Even more car manuals for everyone: 1960-2025
Home >> Honda >> 2009 >> S2000 L4-2.2L >> Repair and Diagnosis >> Relays and Modules >> Relays and Modules - Brakes and Traction Control >> Traction Control Module >> Service and Repair
April 5, 2026: LEMON Manuals is launched! Read the announcement.

Traction Control Module: Service and Repair




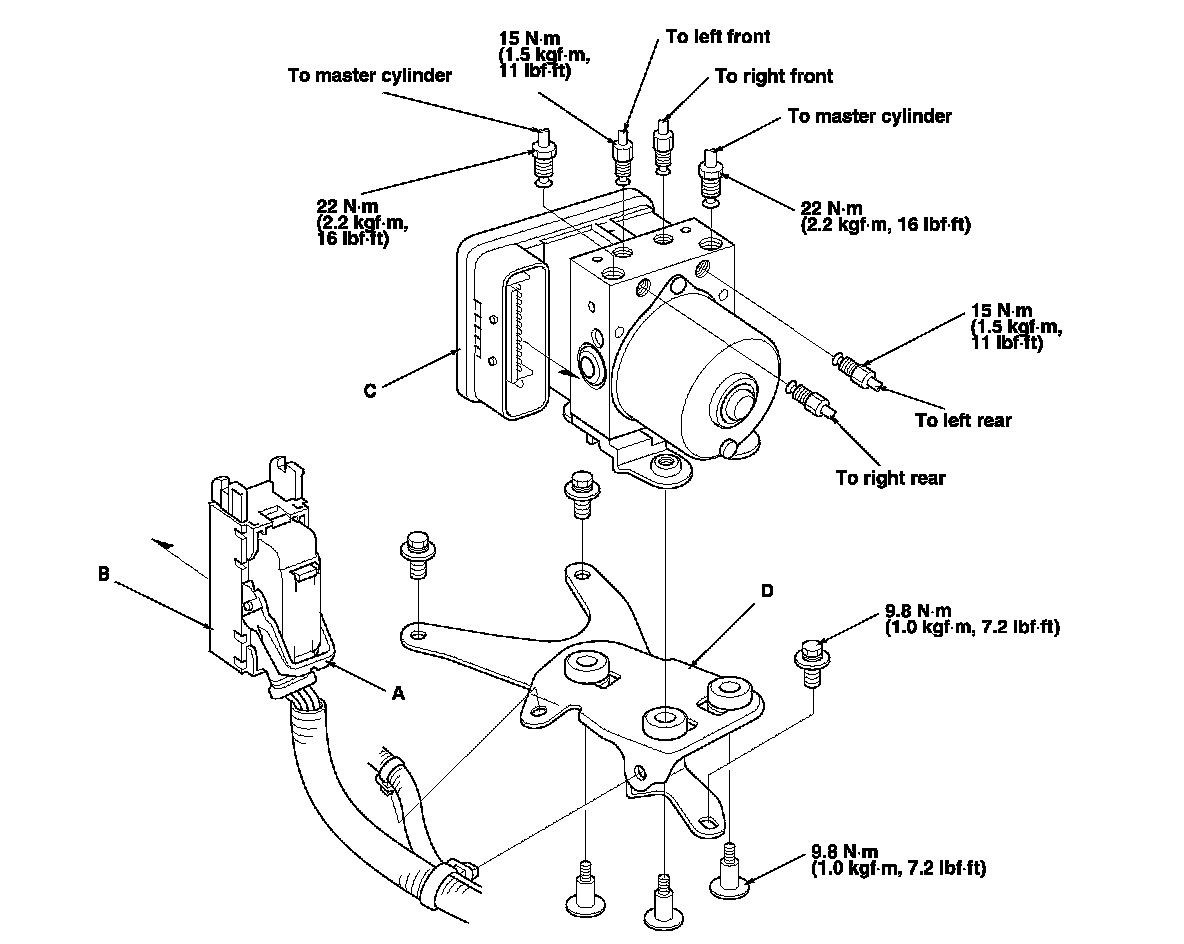
VSA Modulator-Control Unit Removal and Installation

NOTE:

- Do not spill brake fluid on the vehicle; it may damage the paint; if brake fluid gets on the paint, wash it off immediately with water.

- Be careful not to damage or deform the brake lines during removal and installation.

- Plug the ends of the hoses and the joints to prevent spilling brake fluid.

Removal

1. Turn the ignition switch to LOCK (0).

2. Pull down the lock (A) on the VSA modulator-control unit 47P connector (B), and remove the connector.

3. Disconnect the six brake lines from the VSA modulator-control unit (C).

4. Remove the VSA modulator-control unit with the bracket (D) from the body.

5. Remove the VSA modulator-control unit from the bracket.






Installation

1. Install the VSA modulator-control unit on the bracket.

2. Install the bracket with the VSA modulator-control unit to the body.

3. Reconnect the six brake lines, then tighten the flare nuts to the specified torque.

4. Align the connecting surface of the VSA modulator-control unit 47P connector to the VSA modulator-control unit.

5. Pull up the lock of the VSA modulator-control unit 47P connector, then confirm the connector is fully seated.

6. Bleed the brake system. Service and Repair

7. Do the VSA sensor neutral position memorization. Programming and Relearning

8. Start the engine, and make sure the ABS and VSA indicators go off.

9. Test-drive the vehicle, make sure the ABS and VSA indicators do not come on.
NOTE: If the brake pedal is spongy, there may be air trapped in the modulator which could then be induced in to the normal brake system during modulation. Bleed the brake system again. Service and Repair