LEMON Manuals: Even more car manuals for everyone: 1960-2025
Home >> Honda >> 2011 >> Insight Base >> Repair and Diagnosis >> Transmission >> Automatic Trans >> Continuously Variable Transmission (CVT) >> Transmission Reassembly
April 5, 2026: LEMON Manuals is launched! Read the announcement.

Transmission Reassembly

Special Tools Required 

NOTE: When you reassemble the transmission, soak the start clutch assembly, the forward clutch assembly, and the reverse brake disks in Honda Genuine CVTF for at least 30 minutes prior to installation.
  1. Install new O-rings (A) on the CVTF feed pipes (10.9 x 56 mm) (B), then install it with the filter ends into the transmission housing (E).
    Fig 1: Identifying O-Rings And CVTF Feed Pipes
    G06430245Courtesy of AMERICAN HONDA MOTOR CO., INC.
  2. Install the two dowel pins (C) and a new gasket (D) on the transmission housing (E).
  3. Push the selector control shaft (F) toward the outside of the transmission housing, then install the intermediate housing (G).
  4. Pull the selector control shaft back, then install the roller (H) in the intermediate housing by aligning the groove on the control shaft.
  5. Install two new O-rings (A) on the reverse brake piston (B), then install the piston in the intermediate housing (C).
    Fig 2: Identifying O-Rings, Reverse Brake Piston And Intermediate Housing
    G06430246Courtesy of AMERICAN HONDA MOTOR CO., INC.
  6. Install the spring retainer/return spring assembly (D); install the return springs on the spring guides (E) on the reverse brake piston.
  7. Install the reverse brake spring compressor through the drive pulley shaft to compress the return spring. Be sure the reverse brake spring compressor is set over the return springs, not over the reverse brake piston.
    Fig 3: Identifying Reverse Brake Spring Compressor
    G06430247Courtesy of AMERICAN HONDA MOTOR CO., INC.
  8. Compress the return springs, and make sure that the reverse brake spring compressor is set over the return springs and the spring retainer tabs do not ride on the reverse brake piston.
    Fig 4: Identifying Reverse Brake Spring Compressor Position
    G06430248Courtesy of AMERICAN HONDA MOTOR CO., INC.
  9. Install the snap ring in the intermediate housing above the spring retainer, and remove the reverse brake spring compressor.
  10. Check that the snap ring end gap (A) is 15 mm (0.59 in) or more.
    Fig 5: Identifying Snap Ring End Gap
    G06430249Courtesy of AMERICAN HONDA MOTOR CO., INC.
  11. Install the disc spring (A) on the reverse brake piston in the direction shown.
    Fig 6: Identifying Disc Spring And Reverse Brake Plates
    G06430250Courtesy of AMERICAN HONDA MOTOR CO., INC.
  12. Starting with the two reverse brake plates (B), alternately install the two plates and discs (C). Install the reverse brake end-plate (D), then install the snap ring (E).
  13. Check that the snap ring inside diameter (A) is 143.5 mm (5.65 in) or more, and also check that the snap ring end gap (B) is 8.7 mm (0.34 in) or more.
    Fig 7: Identifying Snap Ring Inside Diameter
    G06430251Courtesy of AMERICAN HONDA MOTOR CO., INC.
  14. Set up a dial indicator (A) on the reverse brake end-plate (B).
    Fig 8: Setting Up Dial Indicator On Reverse Brake End-Plate
    G06430252Courtesy of AMERICAN HONDA MOTOR CO., INC.
  15. Zero the dial indicator by lifting the top disc (C) up against the reverse brake end-plate and the end-plate up against the snap ring (D).
  16. Release the reverse brake end-plate (D) to lower the reverse brake end-plate, and place a steel plate (A) across width of the reverse brake end-plate.
    Fig 9: Checking Clearance Between Reverse Brake End-Plate And Top-Disc With Torque Specifications
    G06430253Courtesy of AMERICAN HONDA MOTOR CO., INC.
  17. Press the steel plate (A) down with 49 N (5 kgf, 11 lbf) using a force gauge, and read the dial indicator (B). The dial indicator reads the clearance (C) between the reverse brake end-plate (D) and the top-disc (E). Take measurements in at least three places, and use the average as the actual clearance.

    Standard: 0.55-0.70 mm (0.022-0.028 in) 

  18. If the clearance is out of standard, remove the reverse brake end-plate, and measure its thickness.
  19. Select a new reverse brake end-plate from the following table and install it, then recheck that the clearance is within the standard.

    REVERSE BRAKE END-PLATE 

    REVERSE BRAKE END-PLATE SPECIFICATION

    Mark Thickness
    2 3.8 mm (0.150 in)
    B 3.9 mm (0.154 in)
    3 4.0 mm (0.157 in)
    C 4.1 mm (0.161 in)
    4 4.2 mm (0.165 in)
    D 4.3 mm (0.169 in)
    5 4.4 mm (0.173 in)
    E 4.5 mm (0.177 in)
    6 4.6 mm (0.181 in)
    F 4.7 mm (0.185 in)
    7 4.8 mm (0.189 in)
    8 5.0 mm (0.197 in)
  20. If replacing the reverse brake end-plate, make sure that the clearance is within the tolerance.
  21. Install the snap ring retainer (A) over the drive pulley shaft (B).
    Fig 10: Identifying Snap Ring Retainer
    G06430254Courtesy of AMERICAN HONDA MOTOR CO., INC.
  22. Wrap the drive pulley shaft splines with tape to prevent O-ring damage. Install two new O-rings (C) in the drive pulley shaft O-ring grooves, then remove the tape.
  23. Install the forward clutch (D) on the drive pulley shaft, then install the snap ring (E) to secure the forward clutch.
  24. Check that the snap ring outside diameter (A) is 41.4 mm (1.63 in) or less.
    Fig 11: Identifying Snap Ring Outside Diameter
    G06430255Courtesy of AMERICAN HONDA MOTOR CO., INC.
  25. Install the ring gear (A) on the forward clutch (B).
    Fig 12: Identifying Ring Gear And Forward Clutch
    G06430256Courtesy of AMERICAN HONDA MOTOR CO., INC.
  26. Install the input shaft/planetary carrier assembly (C) through the drive pulley shaft (D) by aligning the sun gear (E) with the forward clutch discs and aligning the planetary carrier with the reverse brake discs.
  27. Install the manual valve body separator plate (A) and the two dowel pins (B) on the intermediate housing, then install the manual valve body (C) and detent spring (D).
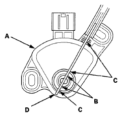
    Fig 13: Manual Valve Body Separator Plate, Dowel Pins, Manual Valve Body And Detent Spring With Torque Specifications
    G06430257Courtesy of AMERICAN HONDA MOTOR CO., INC.
  28. Install two new O-rings (A) on the 10.9 x 18.6 mm CVTF feed pipe (B), then install it on the manual valve body (C).
    Fig 14: O-Rings, Bolts With Torque Specifications, CVTF Feed Pipe And Manual Valve Body
    G06430258Courtesy of AMERICAN HONDA MOTOR CO., INC.
  29. Install two new O-rings (D) on the 10.9 x 56 mm CVTF feed pipe (E), then install it with the filter end and an 8 mm CVTF pipe (F) in the intermediate housing.
  30. Install the two dowel pins (G) and a new gasket (H) on the intermediate housing.
  31. Install four new O-rings (I) on the two CVTF feed pipes (J), then install them on the manual valve body and the intermediate housing.
  32. Place the end cover on the intermediate housing.
  33. Install the end cover bolts (sixteen), and tighten them to the specified torque in a crisscross pattern in at least two or three steps, then turn the transmission end cover down.
  34. Install the sealing ring (A) on a new secondary drive/park gear (B).
    Fig 15: Identifying Sealing Ring And Secondary Drive/Park Gear
    G06430259Courtesy of AMERICAN HONDA MOTOR CO., INC.
  35. Insert the secondary drive/park gear (A) into the start clutch (B). Wiggle the secondary drive/park gear back and forth as it goes into the start clutch, and push in the secondary drive/park gear until it bottoms out.
    Fig 16: Inserting Secondary Drive/Park Gear Into Start Clutch
    G06430260Courtesy of AMERICAN HONDA MOTOR CO., INC.
  36. Install the park pawl (A), the pawl spring (B), and the pawl shaft (C) on the transmission housing, then move the control lever to any position other than P.
    Fig 17: Identifying Park Pawl, Pawl Spring, And Pawl Shaft
    G06430261Courtesy of AMERICAN HONDA MOTOR CO., INC.
  37. Use CVT fluid to lubricate the new O-rings (D) for the driven pulley shaft, then install the O-rings on the shaft.
  38. Place the start clutch and secondary drive/park gear (E) onto the driven pulley shaft (F).
    NOTE: Make sure to hold the secondary drive/park gear engaged into the start clutch when you install the start clutch and secondary drive/park gear onto the driven pulley shaft.
  39. Seat the start clutch by aligning the tip of the start clutch installer with the driven pulley shaft hole (A) and then pushing down the handle (B).
    Fig 18: Seating Start Clutch
    G06430262Courtesy of AMERICAN HONDA MOTOR CO., INC.
  40. While holding the handle (A) down, push down the bottom part (B) of the start clutch installer until it contacts the seating surface of the start clutch.
    Fig 19: Pushing Down Bottom Part Of Start Clutch Installer
    G06430263Courtesy of AMERICAN HONDA MOTOR CO., INC.
  41. Hold the upper hex section of the start clutch installer with a 19 mm wrench (A), then use an adjustable wrench to tighten the start clutch installer's lower nut (B) until the start clutch seats.
    NOTE: When using the start clutch installer, hold the bolt (C) and then turn the nut (B). Turning the bolt could damage the start clutch installer.
    Fig 20: Tightening Start Clutch Installer's Lower Nut
    G06430264Courtesy of AMERICAN HONDA MOTOR CO., INC.
  42. Remove the start clutch installer.
  43. Reach under the start clutch to confirm that the clutch end plate can move up and down slightly (less than 1 mm).
  44. Install the 25.5 mm cotters (A) to the cotter groove on the driven pulley shaft, then measure the clearance between the cotters and the start clutch guide (B) using a feeler gauge (C). Take measurements in at least three places, and use the average as the actual clearance.

    Standard: 0-0.13 mm (0.0-0.005 in) 

    Fig 21: Measuring Clearance Between Cotters And Start Clutch Guide
    G06430265Courtesy of AMERICAN HONDA MOTOR CO., INC.
  45. If the clearance is out of standard, remove the cotters, and measure its thickness.
  46. Select and install new 25.5 mm cotters as a set, then recheck that the clearance is within the standard.

    COTTERS, 25.5 mm 

    COTTERS SPECIFICATION

    No. Thickness
    A 2.90 mm (0.114 in)
    B 3.00 mm (0.118 in)
    C 3.10 mm (0.122 in)
    D 3.20 mm (0.126 in)
  47. Install the cotter retainer and the snap ring.
  48. Check that the snap ring outside diameter (A) is 33.9 mm (1.33 in) or less.
    Fig 22: Identifying Snap Ring Outside Diameter
    G06430266Courtesy of AMERICAN HONDA MOTOR CO., INC.
  49. Install the thrust washer (A), the thrust needle bearing (B), the thrust washer (C), the CVTF pump drive sprocket hub (D), and the 22 x 28 mm thrust shim (E) on the input shaft (F), and install the snap ring (G) to secure them.
    Fig 23: Identifying Thrust Washer, Thrust Needle Bearing, And CVTF Pump Drive Sprocket Hub
    G06430267Courtesy of AMERICAN HONDA MOTOR CO., INC.
  50. Check that the snap ring outside diameter (A) is 26.3 mm (1.04 in) or less.
    Fig 24: Identifying Snap Ring Outside Diameter
    G06430268Courtesy of AMERICAN HONDA MOTOR CO., INC.
  51. Measure the clearance between the 22 x 28 mm thrust shim (A) and the snap ring (B) using a feeler gauge (C). Take measurements in at least three places, and use the average as the actual clearance.

    Standard: 0.37-0.65 mm (0.015-0.026 in) 

    Fig 25: Measuring Clearance Between Thrust Shim And Snap Ring
    G06430269Courtesy of AMERICAN HONDA MOTOR CO., INC.
  52. If the clearance is out of standard, remove the 22 x 28 mm thrust shim, and measure its thickness.
  53. Select and install a new 22 x 28 thrust shim, then recheck that the clearance is within the standard.

    THRUST SHIM, 22 x 28 mm 

    THRUST SHIM SPECIFICATION

    No. Thickness
    C 1.15 mm (0.045 in)
    D 1.40 mm (0.055 in)
    E 1.65 mm (0.065 in)
    F 1.90 mm (0.075 in)
    G 2.15 mm (0.085 in)
    H 2.40 mm (0.095 in)
  54. If the 22 x 28 mm thrust shim is replaced, install the snap ring, and check that the snap ring outside diameter is within the tolerance.
  55. Place the secondary driven gear (A) on the transmission housing by aligning it with the secondary drive gear, then install the final drive shaft (B) through the secondary driven gear into the transmission housing.
    Fig 26: CVTF Pump Drive Chain And Bolts With Torque Specifications
    G06430270Courtesy of AMERICAN HONDA MOTOR CO., INC.
  56. Install the 25 x 35 mm thrust shim (C) on the final drive shaft.
  57. Position the CVTF pump drive sprocket (D) on the sprocket hub (E), and put the CVTF pump drive chain (F) on the CVTF pump drive sprocket and the CVTF pump driven sprocket (G), then secure the CVTF pump drive sprocket with the three bolts.
  58. Install the lubrication pipe (H).
  59. Install the differential assembly (A).
    Fig 27: Differential Assembly, O-Rings, CVTF Passage Pipe, And Flywheel Housing With Torque Specifications
    G06430271Courtesy of AMERICAN HONDA MOTOR CO., INC.
  60. Install new two O-rings (B) on both ends of the CVTF passage pipe (C), then install the pipe in the pipe joint (D) of the transmission housing, and put the other end on the pipe guide (E).
  61. Install the three dowel pins (F) and a new gasket (G) on the transmission housing.
  62. Place the flywheel housing (H) on the transmission housing.
  63. Install the housing bolts (nineteen), and tighten them to the specified torque in a crisscross pattern in at least two or three steps, then turn the transmission flywheel housing down.
  64. Install a new O-ring (A) on the solenoid wire harness connector (B).
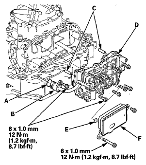
    Fig 28: CVTF Pipes, O-Ring And Solenoid Wire Harness Connector With Torque Specifications
    G06430272Courtesy of AMERICAN HONDA MOTOR CO., INC.
  65. Install the two CVTF pipes (C) on the lower valve body (D), then install the solenoid wire harness connector and the lower valve body in the transmission housing.
  66. Install a new O-ring (E) on the CVTF strainer (F), then install the CVTF strainer (two bolts) on the lower valve body.
  67. Install the two dowel pins (B) and a new gasket (C).
  68. Place the CVTF pan (A) on the transmission housing.
    Fig 29: CVTF Pan With Torque Specifications, Dowel Pins And Gasket
    G06430273Courtesy of AMERICAN HONDA MOTOR CO., INC.
  69. Install the CVTF pan bolts (eighteen), and tighten them to the specified torque in a crisscross pattern in at least two or three steps.
  70. Move the selector control lever (A) from the P position to the N position by turning the selector control lever (A).
    NOTE: Do not squeeze the end (B) of the selector control shaft tips together when turning. If the tips are squeezed together it will cause a faulty control signal or position due to play between the selector control shaft and the transmission range switch.
    Fig 30: Turning Selector Control Lever
    G06430274Courtesy of AMERICAN HONDA MOTOR CO., INC.
  71. Align the cutouts (B) on the rotary-frame with the neutral positioning cutouts (C) on the transmission range switch. Then put a 2.0 mm (0.08 in) feeler gauge blade (D) in the cutouts to hold the switch in the N position.
    NOTE: Be sure to use a 2.0 mm (0.08 in) feeler gauge blade or equivalent to hold the transmission range switch in the N position.
    Fig 31: Identifying Transmission Range Switch
    G06430275Courtesy of AMERICAN HONDA MOTOR CO., INC.
  72. Install the transmission range switch (A) gently on the selector control shaft (B) while holding it in the N position with the 2.0 mm (0.08 in) blade (C).
    Fig 32: Installing Transmission Range Switch
    G06430276Courtesy of AMERICAN HONDA MOTOR CO., INC.
  73. Tighten the bolts (A) on the transmission range switch while you continue to hold it in the N position. Do not move the transmission range switch when tightening the bolts. Remove the feeler gauge (B).
    Fig 33: Tightening Transmission Range Switch Bolts With Torque Specifications
    G06430277Courtesy of AMERICAN HONDA MOTOR CO., INC.
  74. Install the control shaft cover on the transmission range switch.
    Fig 34: Identifying Control Shaft Cover
    G06430278Courtesy of AMERICAN HONDA MOTOR CO., INC.
  75. Install the breather cap (A) on the breather pipe (B) with its arrow (C) pointing to the flywheel housing.
    Fig 35: Identifying Breather Cap And Breather Pipe
    G06430279Courtesy of AMERICAN HONDA MOTOR CO., INC.
  76. Install the CVT output shaft (driven pulley) speed sensor (A), and the vehicle speed sensor (B), with two new O-rings (C).
    Fig 36: CVT Output Shaft Speed Sensor With Torque Specifications, Vehicle Speed Sensor And O-Rings
    G06430280Courtesy of AMERICAN HONDA MOTOR CO., INC.
  77. Install the dipstick tube (A) with a new O-ring (B).
    Fig 37: Dipstick Tube With Torque Specifications And O-Ring
    G06430281Courtesy of AMERICAN HONDA MOTOR CO., INC.
  78. Install the CVT input shaft (drive pulley) speed sensor (C) with a new O-ring (D).
  79. Install the two CVTF cooler lines (E) with the two line bolts (F) and new sealing washers (G).
  80. Install the CVTF dipstick in the tube.