LEMON Manuals: Even more car manuals for everyone: 1960-2025
Home >> Honda >> 2012 >> Fit Base, Standard Trans >> Repair and Diagnosis (Single Page) >> Engine Performance >> System >> Fuel And Emissions Systems >> System Description >> ECM/PCM Inputs and Outputs at Connector C (◦) (49P) >> ECM/PCM Circuit Diagram
April 5, 2026: LEMON Manuals is launched! Read the announcement.

ECM/PCM Circuit Diagram

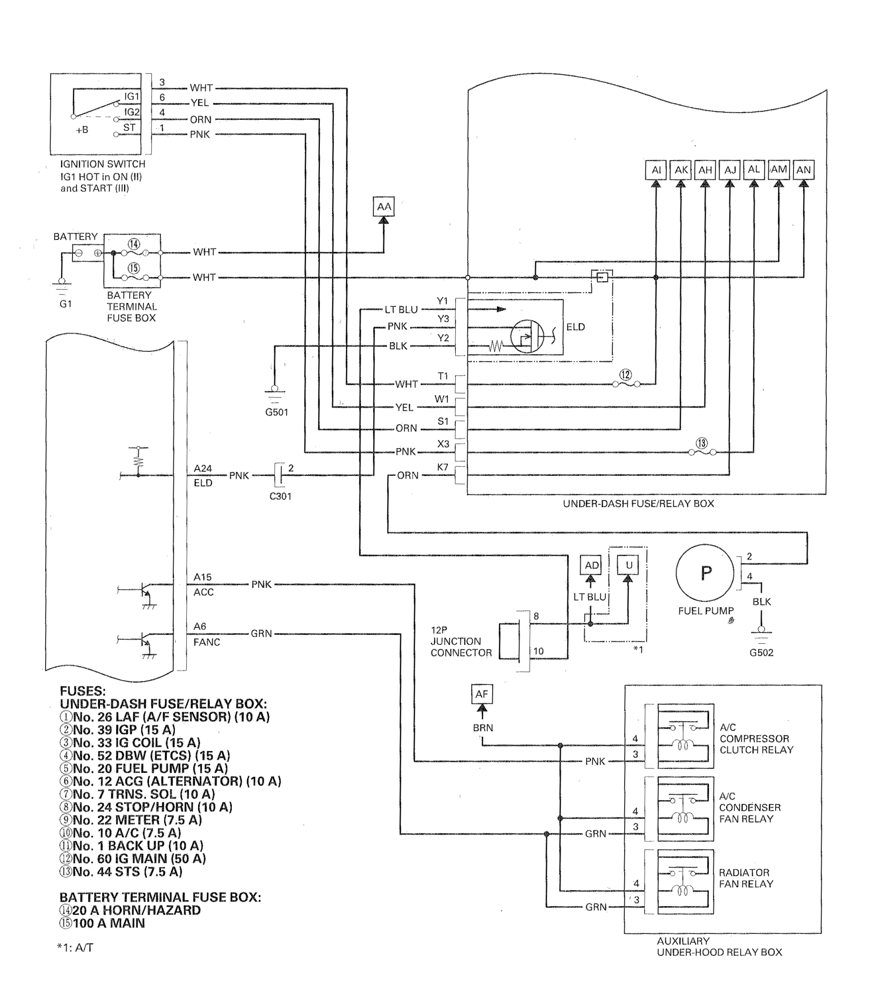
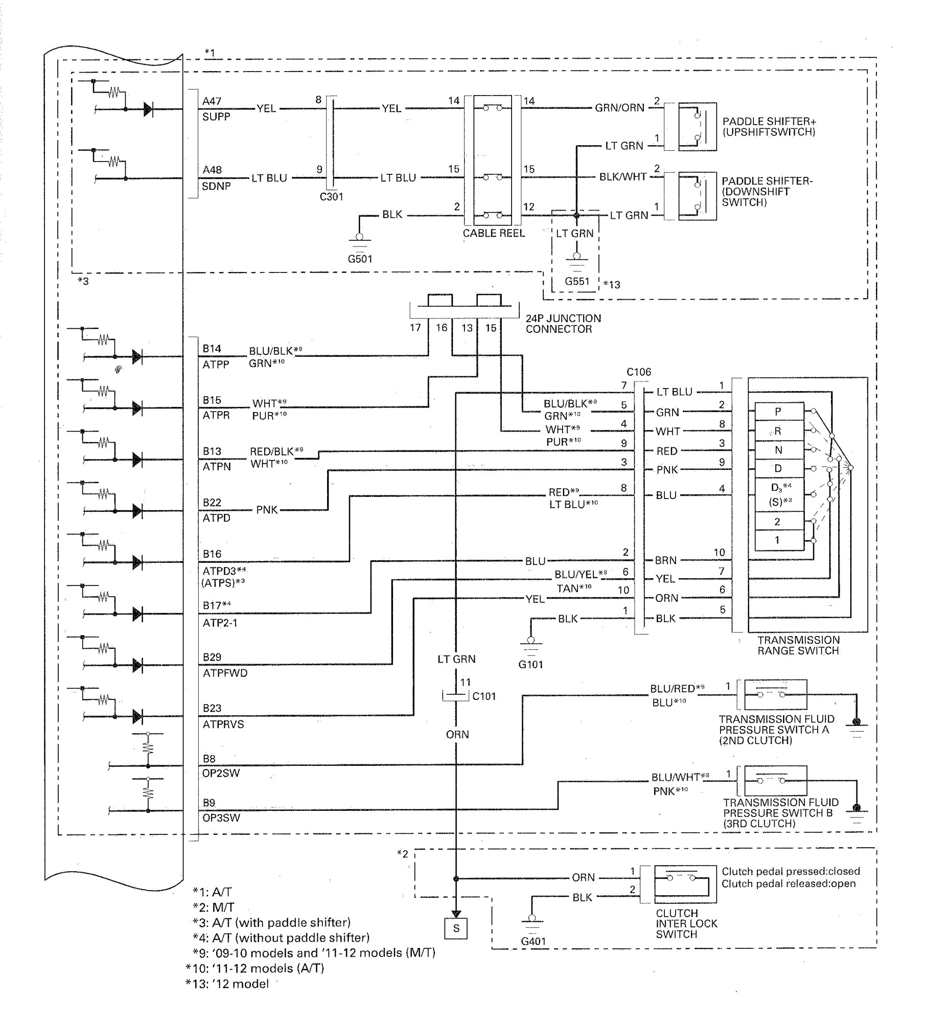
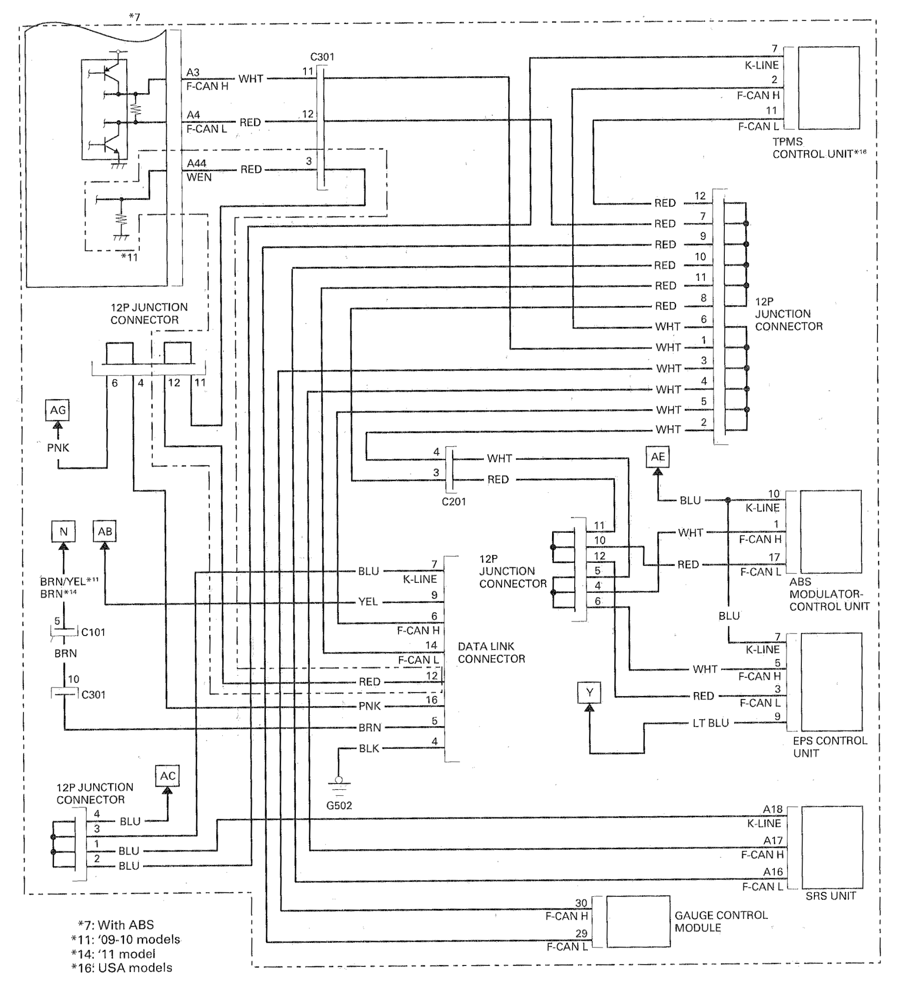
Fig 1: Identifying ECM/PCM Circuit Diagram (1 Of 13)
G05952795Courtesy of AMERICAN HONDA MOTOR CO., INC.
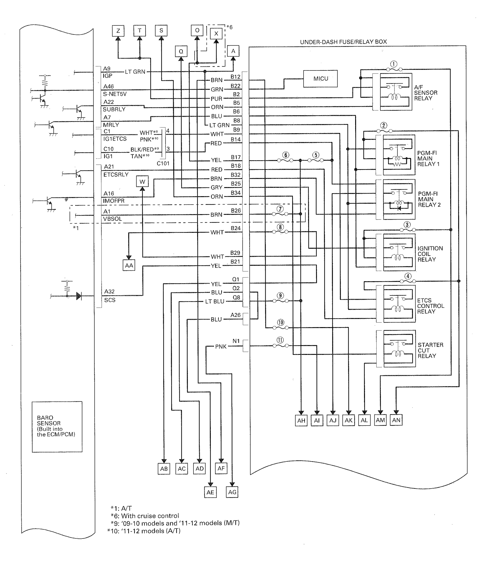
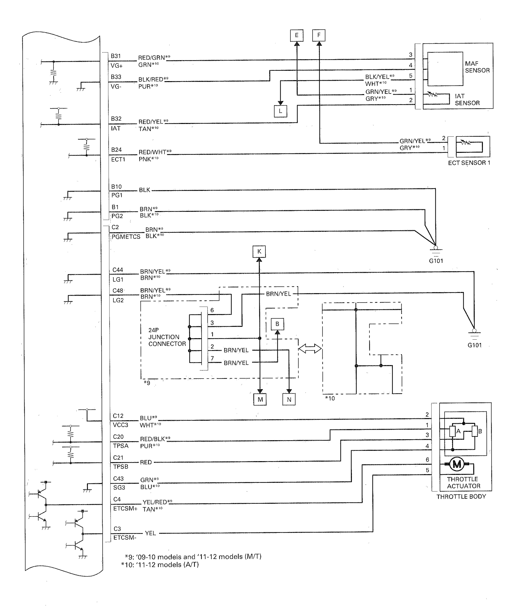
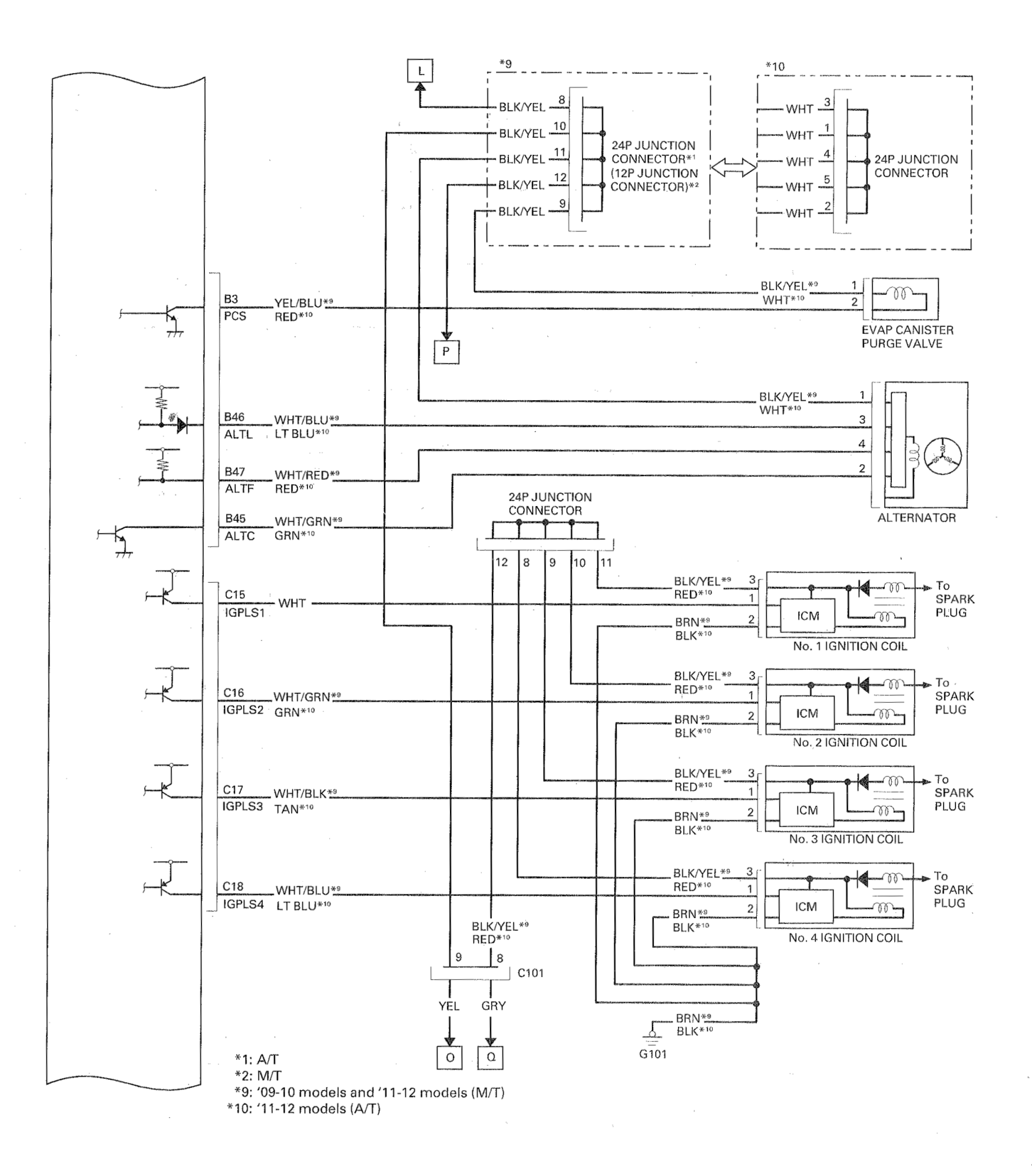
Fig 2: Identifying ECM/PCM Circuit Diagram (2 Of 13)
G05952796Courtesy of AMERICAN HONDA MOTOR CO., INC.
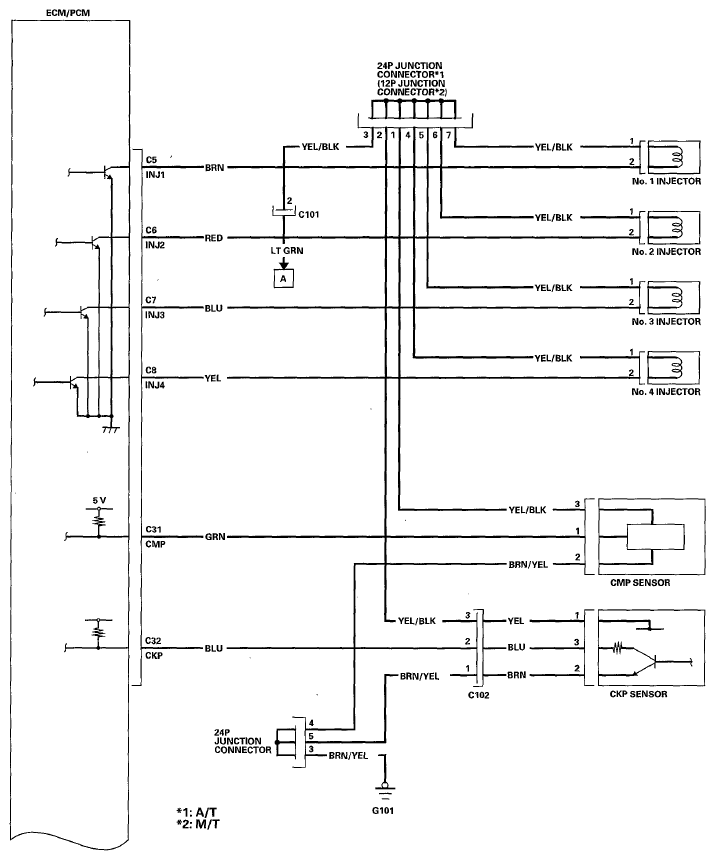
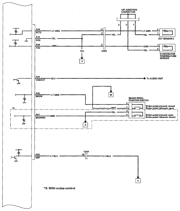
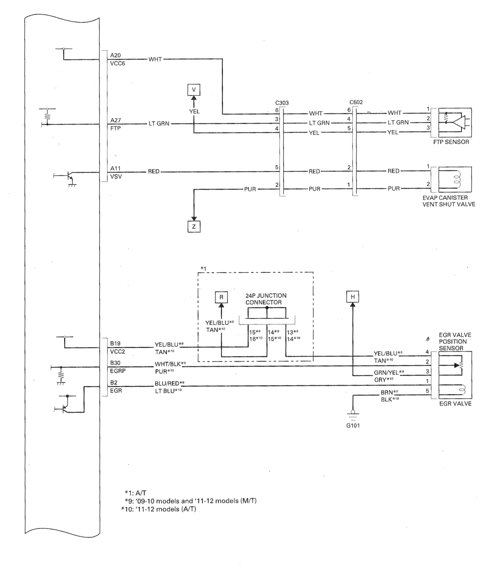
Fig 3: Identifying ECM/PCM Circuit Diagram (3 Of 13)
G05952797Courtesy of AMERICAN HONDA MOTOR CO., INC.
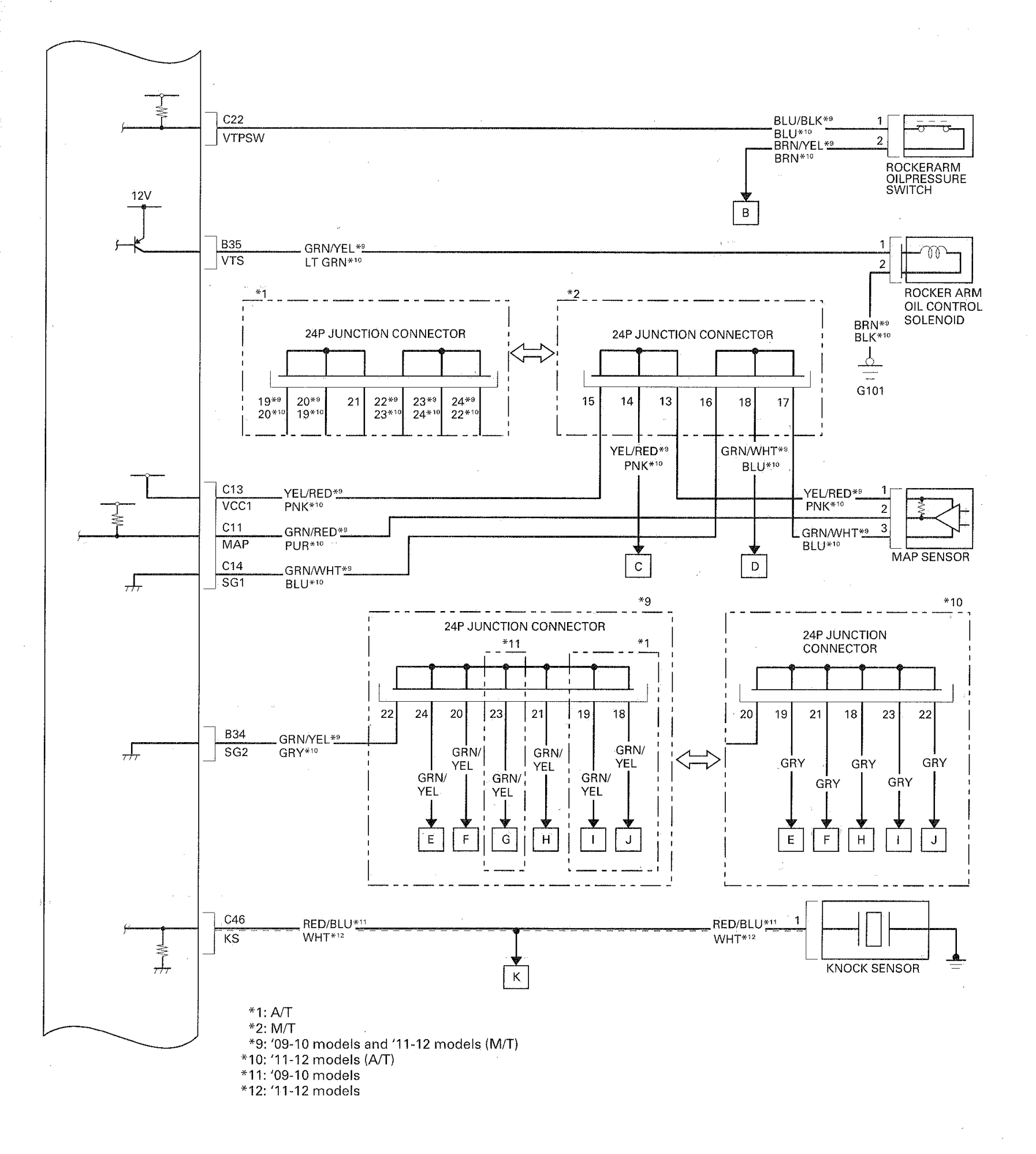
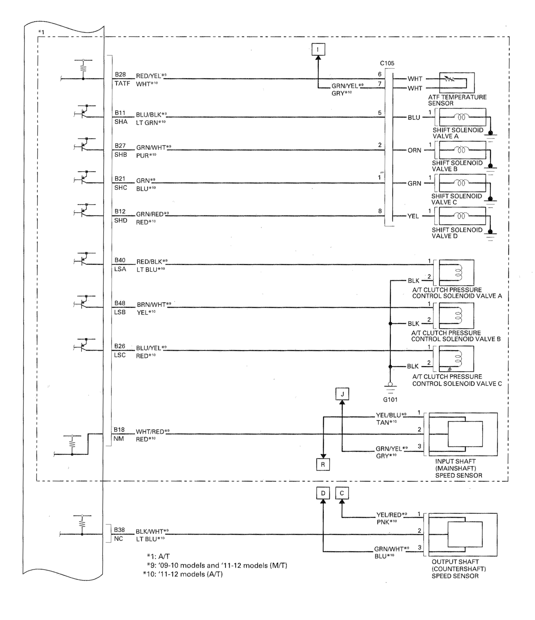
Fig 4: Identifying ECM/PCM Circuit Diagram (4 Of 13)
G05952798Courtesy of AMERICAN HONDA MOTOR CO., INC.
Fig 5: Identifying ECM/PCM Circuit Diagram (5 Of 13)
G05952799Courtesy of AMERICAN HONDA MOTOR CO., INC.
Fig 6: Identifying ECM/PCM Circuit Diagram (6 Of 13)
G05952800Courtesy of AMERICAN HONDA MOTOR CO., INC.
Fig 7: Identifying ECM/PCM Circuit Diagram (7 Of 13)
G05952801Courtesy of AMERICAN HONDA MOTOR CO., INC.
Fig 8: Identifying ECM/PCM Circuit Diagram (8 Of 13)
G05952802Courtesy of AMERICAN HONDA MOTOR CO., INC.
Fig 9: Identifying ECM/PCM Circuit Diagram (9 Of 13)
G05952803Courtesy of AMERICAN HONDA MOTOR CO., INC.
Fig 10: Identifying ECM/PCM Circuit Diagram (10 Of 13)
G05952804Courtesy of AMERICAN HONDA MOTOR CO., INC.
Fig 11: Identifying ECM/PCM Circuit Diagram (11 Of 13)
G05952805Courtesy of AMERICAN HONDA MOTOR CO., INC.
Fig 12: Identifying ECM/PCM Circuit Diagram (12 Of 13)
G05952806Courtesy of AMERICAN HONDA MOTOR CO., INC.
Fig 13: Identifying ECM/PCM Circuit Diagram (13 Of 13)
G05952807Courtesy of AMERICAN HONDA MOTOR CO., INC.