LEMON Manuals: Even more car manuals for everyone: 1960-2025
Home >> Honda >> 2012 >> Insight Base >> Repair and Diagnosis >> Brakes >> Traction Control >> VSA System Components >> Circuit Diagram
April 5, 2026: LEMON Manuals is launched! Read the announcement.

Circuit Diagram

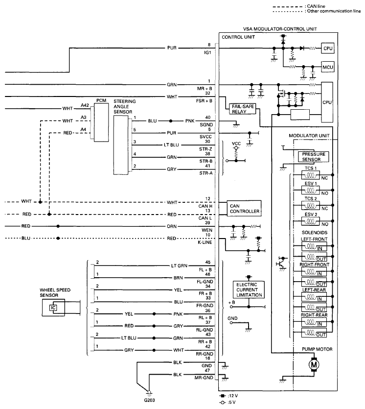
Fig 1: VSA System Circuit Diagram (1 Of 3)
G08093824Courtesy of AMERICAN HONDA MOTOR CO., INC.
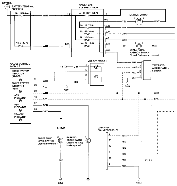
Fig 2: VSA System Circuit Diagram (2 Of 3)
G08093825Courtesy of AMERICAN HONDA MOTOR CO., INC.
Fig 3: VSA System Circuit Diagram (3 Of 3)
G08093826Courtesy of AMERICAN HONDA MOTOR CO., INC.