LEMON Manuals: Even more car manuals for everyone: 1960-2025
Home >> Honda >> 2013 >> Fit Base, Automatic Trans >> Repair and Diagnosis (Single Page) >> Engine Performance >> System >> Fuel And Emissions Systems >> System Description >> ECM/PCM Inputs and Outputs at Connector C (◦) (49P) >> ECM/PCM Electrical Connections
April 5, 2026: LEMON Manuals is launched! Read the announcement.

ECM/PCM Electrical Connections

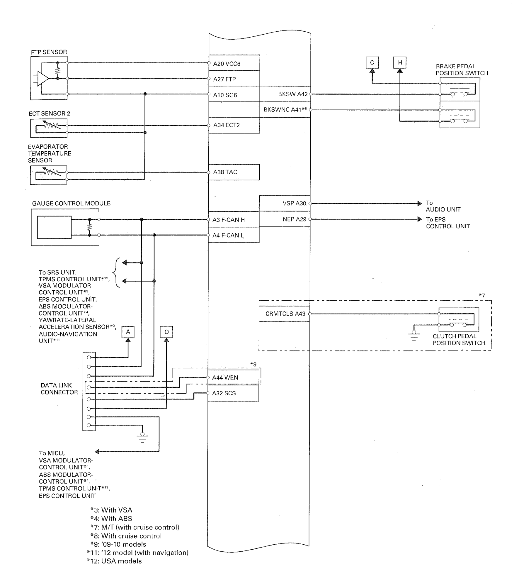
Fig 1: Identifying ECM/PCM Electrical Connections - Circuit Diagram (1 Of 6)
G05952789Courtesy of AMERICAN HONDA MOTOR CO., INC.
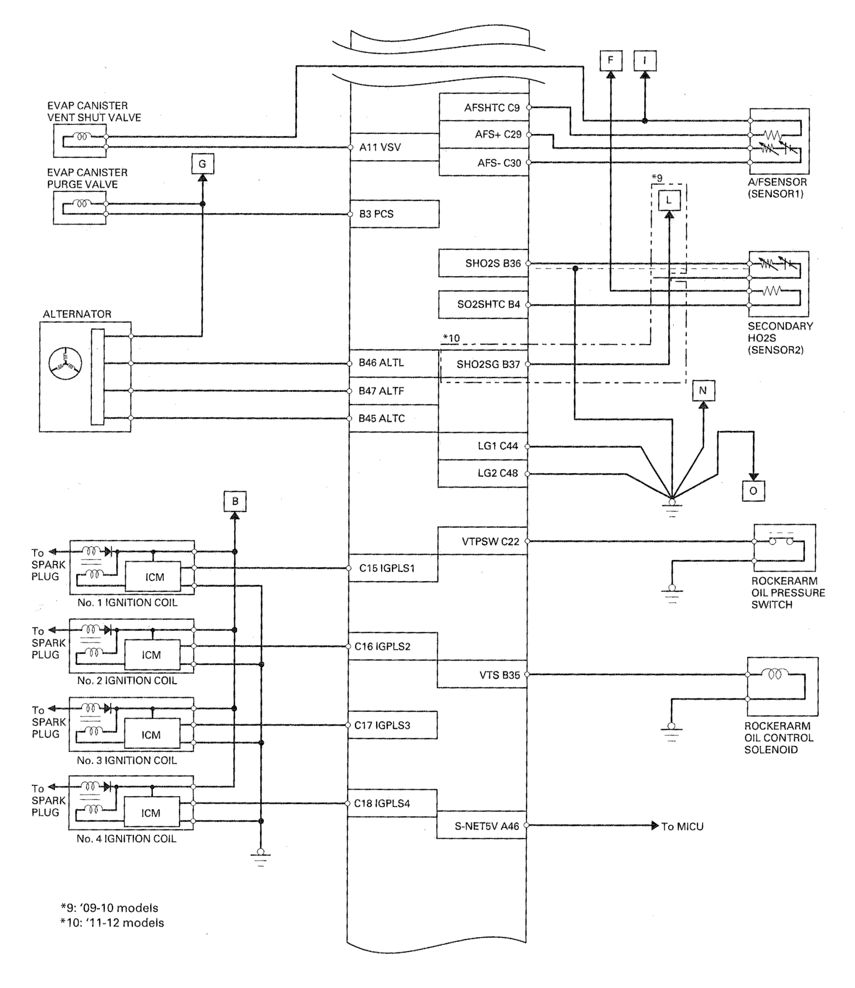
Fig 2: Identifying ECM/PCM Electrical Connections - Circuit Diagram (2 Of 6)
G05952790Courtesy of AMERICAN HONDA MOTOR CO., INC.
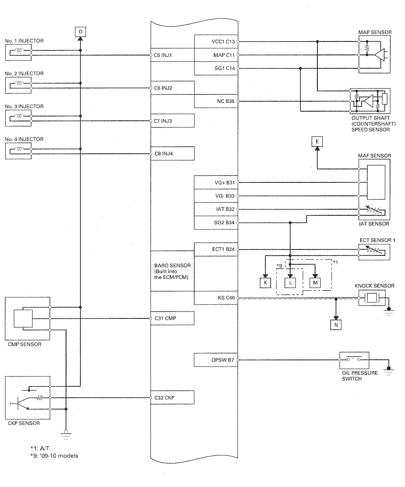
Fig 3: Identifying ECM/PCM Electrical Connections - Circuit Diagram (3 Of 6)
G05952791Courtesy of AMERICAN HONDA MOTOR CO., INC.
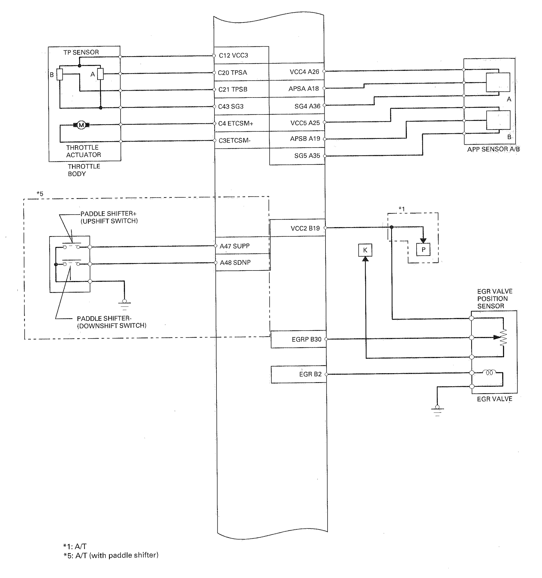
Fig 4: Identifying ECM/PCM Electrical Connections - Circuit Diagram (4 Of 6)
G05952792Courtesy of AMERICAN HONDA MOTOR CO., INC.
Fig 5: Identifying ECM/PCM Electrical Connections - Circuit Diagram (5 Of 6)
G05952793Courtesy of AMERICAN HONDA MOTOR CO., INC.
Fig 6: Identifying ECM/PCM Electrical Connections - Circuit Diagram (6 Of 6)
G05952794Courtesy of AMERICAN HONDA MOTOR CO., INC.