LEMON Manuals: Even more car manuals for everyone: 1960-2025
Home >> Honda >> 2013 >> Fit Base, Standard Trans >> Repair and Diagnosis >> External Pages >> Different variant/trim >> Section 1 (Automatic Transmission) >> System Description >> Circuit Diagram - PCM A/T Control System - Seven-position Transmission
April 5, 2026: LEMON Manuals is launched! Read the announcement.

Circuit Diagram - PCM A/T Control System - Seven-position Transmission

WARNING: This page is about a different variant/trim than selected.
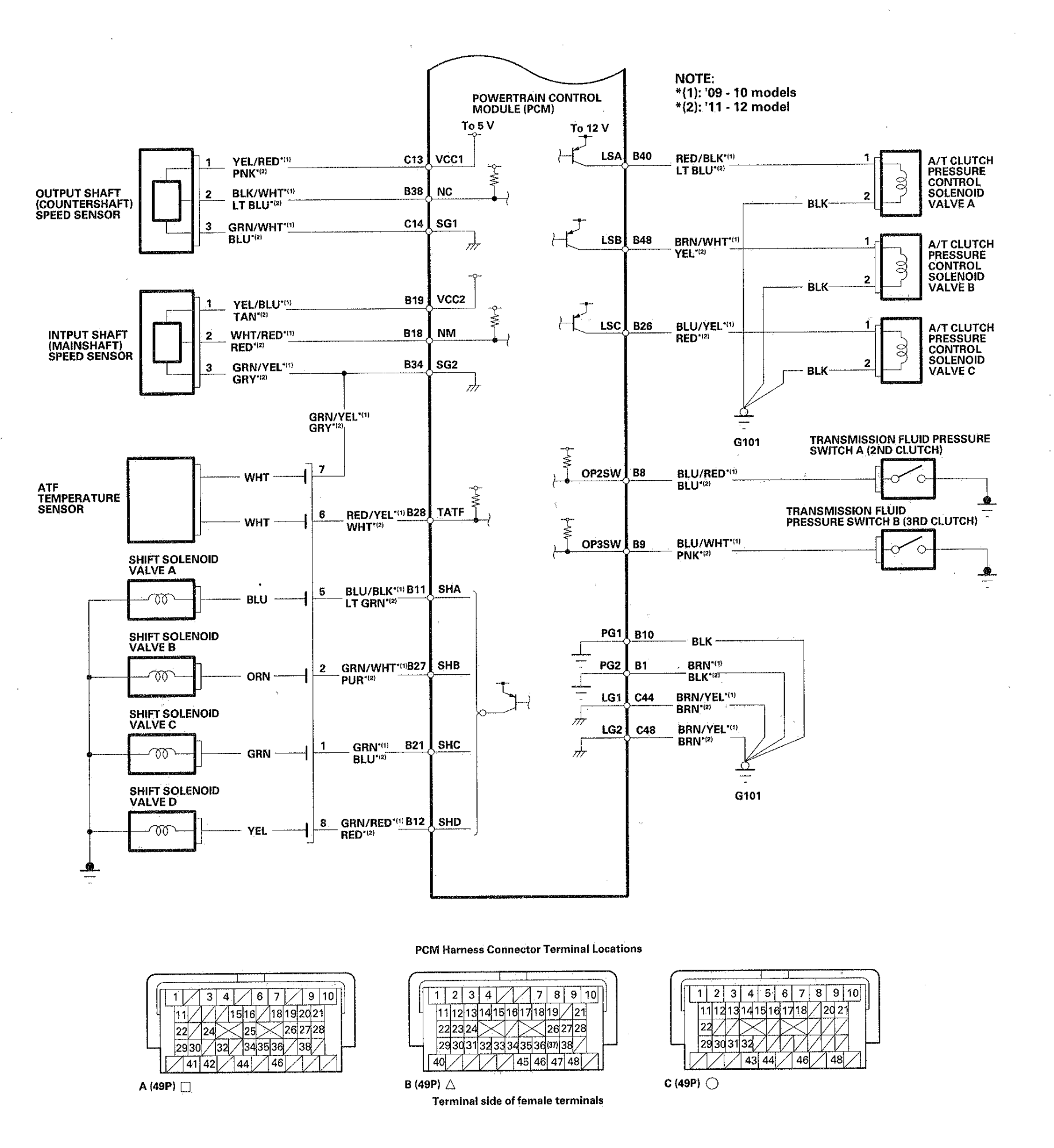
Fig 1: PCM A/T Control System - Seven-Position Transmission Circuit Diagram (1 Of 2)
G06768335Courtesy of AMERICAN HONDA MOTOR CO., INC.
Fig 2: PCM A/T Control System - Seven-Position Transmission Circuit Diagram (2 Of 2)
G06768336Courtesy of AMERICAN HONDA MOTOR CO., INC.