LEMON Manuals: Even more car manuals for everyone: 1960-2025
Home >> Honda >> 2020 >> Fit EX >> Repair and Diagnosis (Single Page) >> Accessories & Equipment >> Anti-Theft Systems >> Security System & Keyless Entry System - Testing & Troubleshooting >> Circuit Diagram >> Keyless Access System Circuit Diagram
April 5, 2026: LEMON Manuals is launched! Read the announcement.

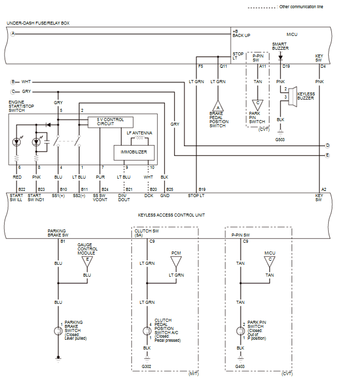
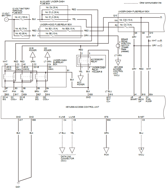
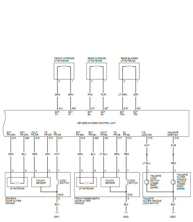
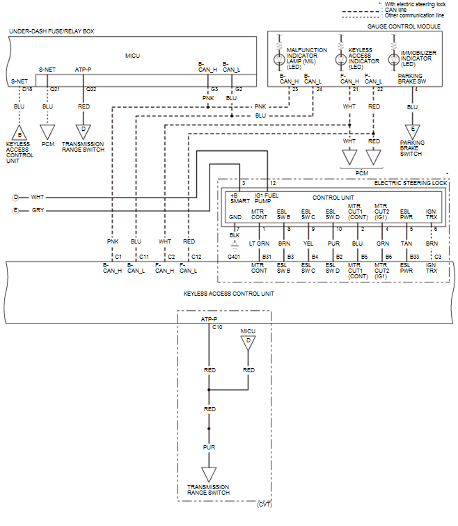
Keyless Access System Circuit Diagram

GHH83033Courtesy of HONDA, U.S.A., INC.
GHH83034Courtesy of HONDA, U.S.A., INC.
GHH83035Courtesy of HONDA, U.S.A., INC.
GHH83036Courtesy of HONDA, U.S.A., INC.