LEMON Manuals: Even more car manuals for everyone: 1960-2025
Home >> Honda >> 2020 >> Fit EX >> Repair and Diagnosis (Single Page) >> Accessories & Equipment >> Anti-Theft Systems >> Security System & Keyless Entry System - Testing & Troubleshooting >> Circuit Diagram >> Keyless/Power Door Locks/Security System Circuit Diagram
April 5, 2026: LEMON Manuals is launched! Read the announcement.

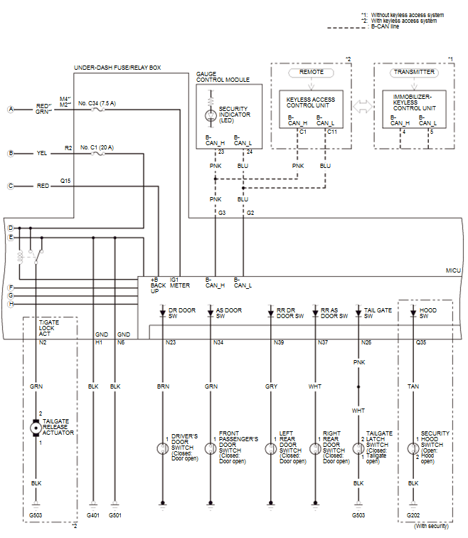
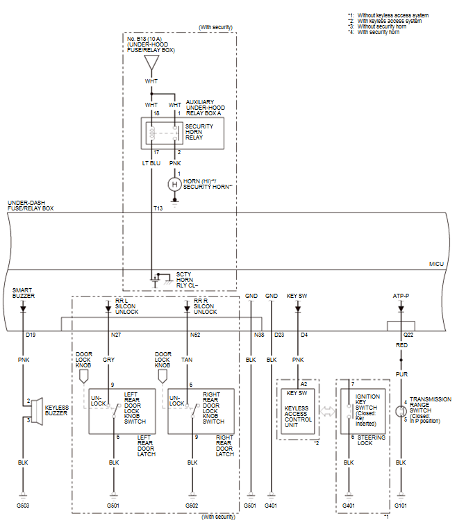
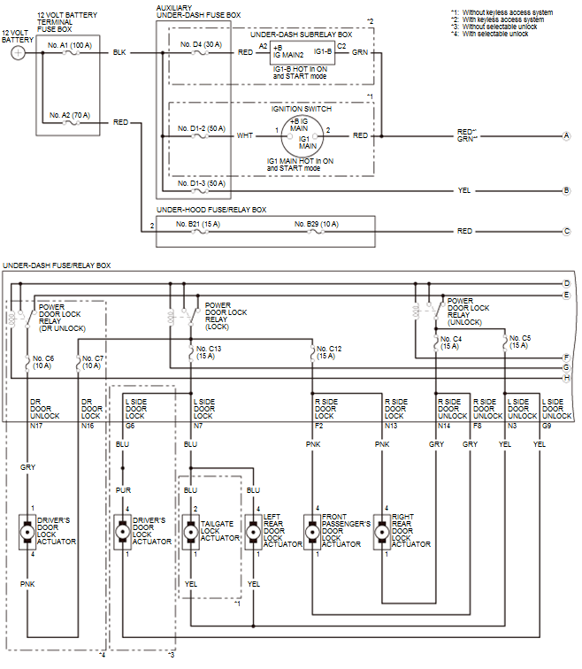
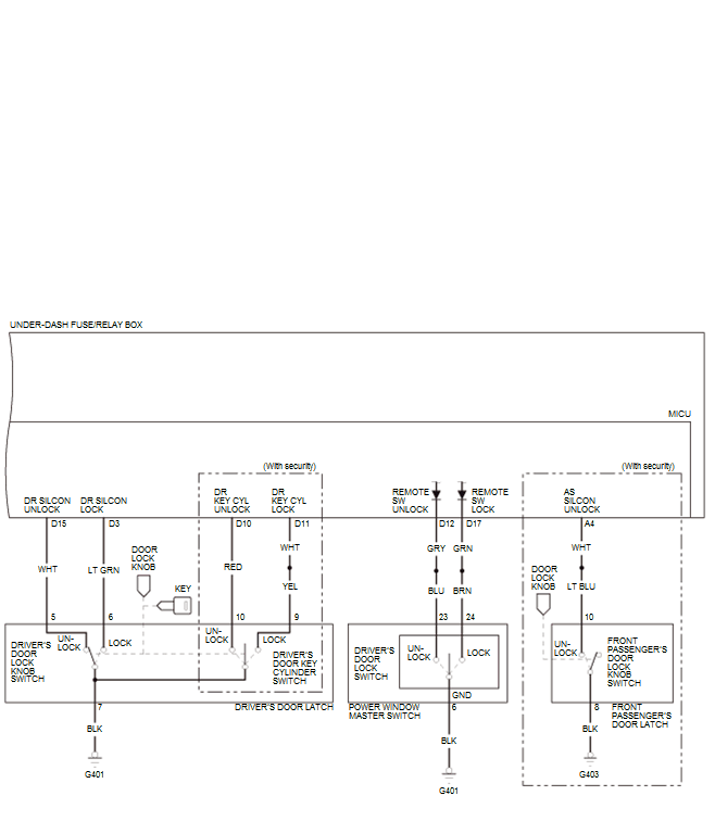
Keyless/Power Door Locks/Security System Circuit Diagram

GHH83037Courtesy of HONDA, U.S.A., INC.
GHH83038Courtesy of HONDA, U.S.A., INC.
GHH83039Courtesy of HONDA, U.S.A., INC.
GHH83040Courtesy of HONDA, U.S.A., INC.